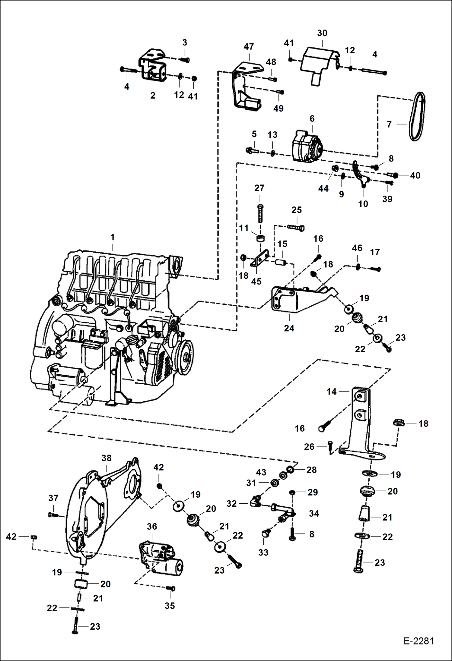
Запчасти Bobcat 800s ENGINE & ATTACHING PARTS (Engine Mounts) POWER UNIT

Схема запчастей Bobcat 800s - ENGINE & ATTACHING PARTS (Engine Mounts) POWER UNIT
FIT
1:1
100%

Артикул

Название

Примечание

Количество

1

ENGINE See Illustration ENGINE & GASKET KITS/ B16399

2

6713893

MOUNT

2

MOUNT NLA - 90 amp alt - Order Ref. 47 & (2) each of Ref. 48 & 49 - Was 6725429 - A

3

55CM816

BOLT

3

55CM825

BOLT 90 amp alternator

4

17C652

BOLT

4

1CM8100

SCREW 90 amp alternator

5

35C512

BOLT

6

ALTERNATOR See Illustration ALTERNATOR/ C3529 See Illustration ALTERNATOR/ C3312

7

6534779

V-BELT alternator - Was 6713901 - A

7

6675839

BELT alternator - 90 amp alternator

8

35C514

BOLT

8

29CM820

SCREW 90 amp alternator

9

25E17

WASHER 5

10

6713843

BRACKET

10

6726485

BRACKET 90 amp alternator

11

6716408

SPACER

12

25E15

WASHER

13

6E5

WASHER

14

6717858

MOUNT cast

15

6716225

SPACER

16

53CM1440

BOLT

17

17C864

BOLT hyd. pump mounting

18

83D8

NUT 5

19

6705106

WASHER

20

6668104

MOUNT, ENG

21

7110276

SPACER, TAPERED tapered - Was 6715287 - A

22

6661787

WASHER

23

43C852

BOLT

24

6707757

MOUNT

25

17C820

BOLT

26

17C516

BOLT

27

17C824

BOLT 5

28

58K114

O RING 10

29

97D5

NUT

30

6729354

SHIELD 90 amp alternator

31

WASHER NSS - Was 6669067 - A

32

6709168

ELBOW W/Ref. 28, 31 & 43

33

6518121

PLUG

34

6714500

TUBE

35

45C620

BOLT Was 35C000620B - B

36

STARTER See Illustration STARTER/ D2365

37

17C828

BOLT hyd pump mount

38

6715380

MOUNT, ENG See Illustration ENGINE & ATTACHING PARTS/ B18025

39

1CM1030

BOLT

40

35C516

BOLT 10

41

85D6

NUT, 5

41

53DM8

NUT 90 amp alternator

42

6652918

NUT

43

6669066

SEAL RING

44

57D5

NUT

45

6716226

BRACKET

46

742640

WASHER

47

7223764

BRACKET, ALT

48

55CM825

BOLT

49

55CM820

BOLT

Выбрано товаров: 56