Запчасти Bobcat 800s PANELS MAIN FRAME

Схема запчастей Bobcat 800s - PANELS MAIN FRAME
FIT
1:1
100%

Артикул

Название

Примечание

Количество

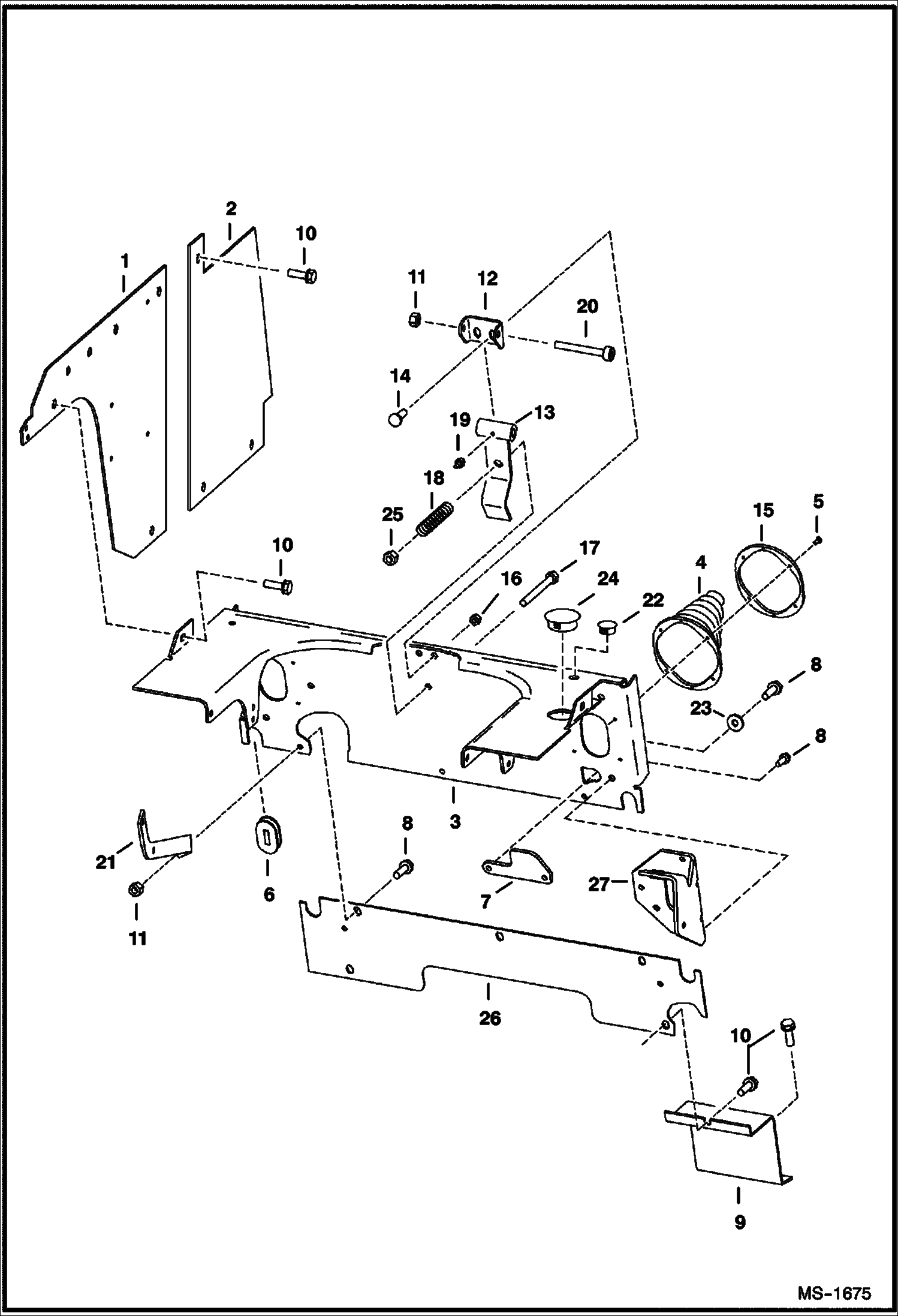
1

6718487

PANEL Was 6710647 - A

2

6701345

PANEL

3

6707475

PANEL

3

6716681

PANEL

4

6532127

BOOT W/Ref. 15

5

6630207

RIVET 5

6

6577961

GROMMET

7

6703330

LEVER stop

7

6716903

LEVER stop - M46 option

8

84G3716

SCREW 5

9

6700772

PANEL

10

84G3712

BOLT 5

11

95D6

NUT Was 91D000006B - A

12

6701951

MOUNT

13

6701950

ARM

14

10C512

BOLT

15

PLATE NLA - Order Ref. 4

16

59D5

NUT 5 Was 85D000005B - B

17

17C664

BOLT

18

6505082

SPRING

19

10H25

FITTING, GREASE 5

20

38C836

BOLT

21

6703551

BRACE See Illustration HAND CONTROLS/ B20125

22

6657719

PLUG 0.75'' dia hole - Was 6649949 - B

23

616783

WASHER

24

6707674

PLUG

25

59D6

NUT

26

6716865

PANEL Was 6707343 - A

27

BRACKET See Illustration HAND CONTROLS/ B20125 NLA - R.H. - Was 6733022 - A

27

BRACKET See Illustration HAND CONTROLS/ B20125 NLA - L.H. - Was 6733024 - A

Выбрано товаров: 30