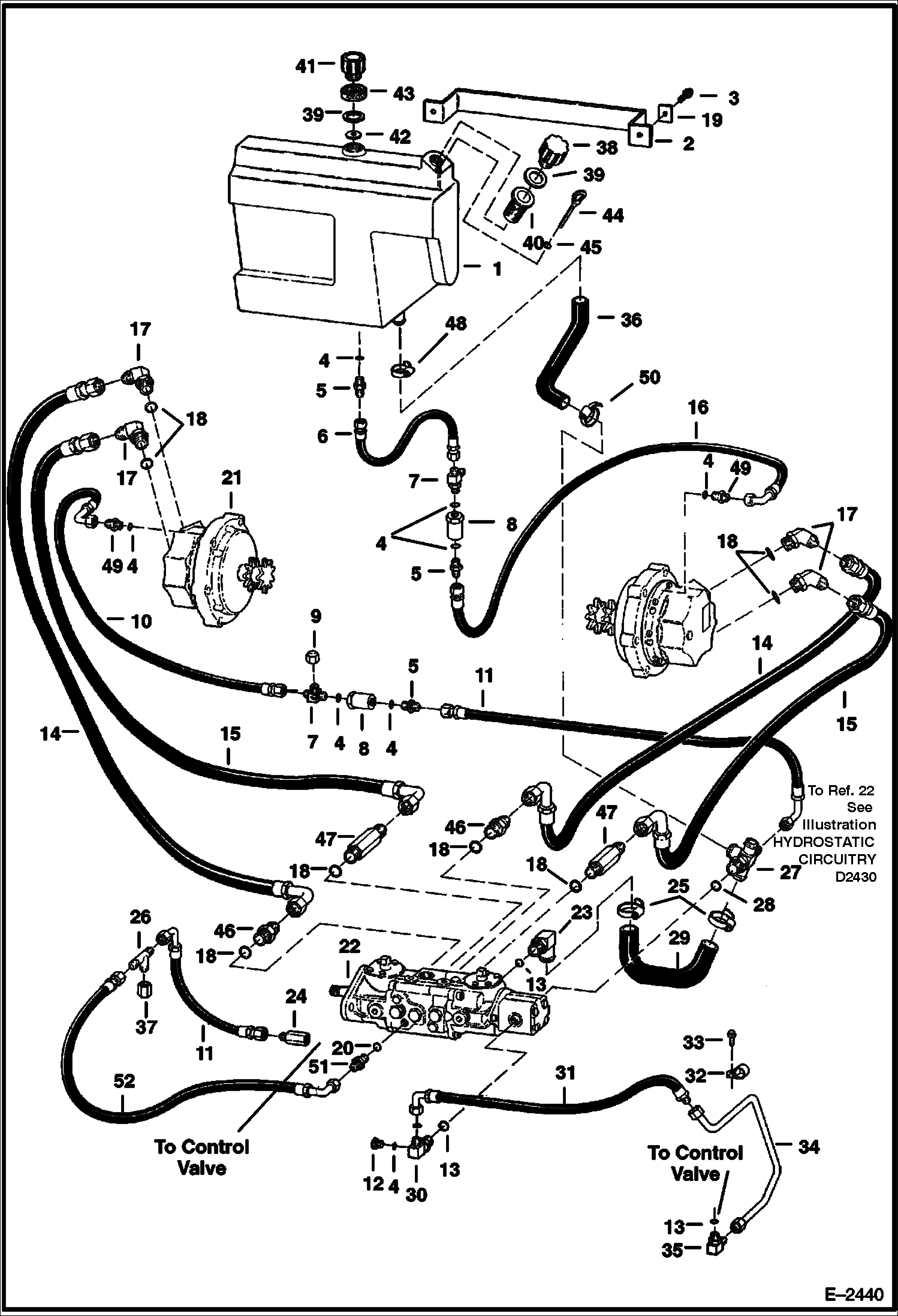
Запчасти Bobcat 800s HYDROSTATIC CIRCUITRY (S/N 5144 25001-27761, 5145 25001-25301, 5146 25001-25303) HYDROSTATIC SYSTEM

Схема запчастей Bobcat 800s - HYDROSTATIC CIRCUITRY (S/N 5144 25001-27761, 5145 25001-25301, 5146 25001-25303) HYDROSTATIC SYSTEM
FIT
1:1
100%

Артикул

Название

Примечание

Количество

1

6704551

TANK

2

6579939

BAND

3

84G3712

BOLT 5

4

75K8

O RING 10 flat boss face

4

99K6

O RING tapered boss face

5

ADAPTOR NLA - W/Ref. 4 - tapered boss face - Was 15KV00005B - A

5

97K6

O RING flared end

5

15KB0606

FITTING, HYD CONNECTOR W/Ref. 4 - flat boss face

6

6579946

HOSE

7

FTG HYD STRAIGHT TEE NLA - W/Ref. 4 - tapered boss face - Was 21KV00005B - A

7

97K6

O RING flared end

7

21KB0606

FTG HYD STRAIGHT TEE W/Ref. 4 - flat boss face

8

6661022

FILTER, OIL HYD IN-LINE See Illustration HYDROSTATIC OIL FILTER/ B13527

9

36K5

CAP

10

6578804

HOSE

11

6716300

HOSE

12

PLUG NLA - W/Ref. 4 - tapered boss face - Was 24KN00005B - A

12

24K5

PLUG W/Ref. 4 - flat boss face

13

75K12

O'RING 10 flat boss face

13

99K12

O RING tapered boss face

14

6716268

HOSE

15

6716269

HOSE

16

6711167

HOSE

17

6628593

ELBOW 45 degrees - W/Ref. 18

18

75K16

O RING 10 Was 75K000012B - B

19

6559447

WASHER

20

75K10

O RING 10

21

MOTOR See Illustration HYDROSTATIC MOTOR/ C3402

22

PUMP See Illustration HYDROSTATIC PUMP/ B18601

23

6715718

ELBOW

24

6672766

CHECK VALVE

25

5HM35

HOSECLAMP

26

6716298

TEE

27

6716468

TEE W/Ref. 28

28

75K16

O RING 10

29

6716175

HOSE

30

6715189

TEE W/Ref. 13 - tapered boss face

30

6716784

TEE W/Ref. 13 - flat boss face - W/ O-ring on flared end

30

97K12

O'RING flared end

31

6737341

HOSE 30.5'' (774.7 mm) long - one end male other female - Was 6736043 - A

32

30H46

CLIP

33

84G3712

BOLT 5

34

6716506

TUBELINE

35

FITTING, HYD ELBOW NLA - W/Ref. 13 - tapered boss face - Was 17KV00008B - A

35

97K12

O'RING flared end

35

17KB1212

FITTING, HYD ELBOW W/Ref. 13 - flat boss face

36

6710846

HOSE

37

6563922

SNUBBER ass'y

38

6728149

CAP , HYD NON VENTED fill - Also Order Ref. 39 - Was 6532508 - A

39

6700631

GASKET

40

7120881

SCREEN, FILLER Was 6569219 - A

41

6727475

CAP, OIL HYD breather - Also Order Ref. 39 - Was 6577785 - A

42

6701552

BAFFLE Use W/6577785

43

6703427

FOAM FILTER Use W/6577785

44

6577459

DIPSTICK

45

25K20010

O RING 10

46

FITTING, HYD CONNECTOR NLA - W/Ref. 18 - tapered boss - Was 6715878 - A

46

15KB1612

FITTING, HYD CONNECTOR W/Ref. 18 - flat boss face

47

6716243

ADAPTER W/Ref. 18

48

6672281

CLAMP constant tension

49

15KB0608

FITTING, HYD CONNECTOR W/Ref. 4 - Was 6715649 - A

50

5HM42

HOSECLAMP

51

15KB0610

FITTING, HYD CONNECTOR W/Ref. 20 - Was 6717173 - A

52

6716299

HOSE

Выбрано товаров: 64