Запчасти Bobcat 800s HYDROSTATIC MOTOR (Rexroth) (5144 25001-27761, 5145 25001-25301, 5146 25001-25303) HYDROSTATIC SYSTEM

Схема запчастей Bobcat 800s - HYDROSTATIC MOTOR (Rexroth) (5144 25001-27761, 5145 25001-25301, 5146 25001-25303) HYDROSTATIC SYSTEM
FIT
1:1
100%

Артикул

Название

Примечание

Количество

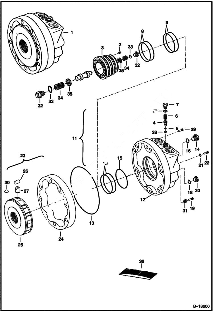
1

MOTOR NLA - Ref. 2-35 - Order 6672821, also Order 6717370 hose, 6717306 adapter, 6717296 motor carrier, 6673955 hose (2), 55K219 o-ring (12), 20J16 flange (4) and 17C728 bolt (8) - Was 6669743 - A

2

6674037

SPRING

3

6666370

DISTRIBUTOR Was 6666361 - D

4

6691477

PISTON Was 6666367 - D

5

6666368

ORIFICE

6

6674042

SPRING Was 6666366 - A

7

6666365

PLUG

8

6674038

SEAL W/ O-ring

9

SEAL NLA - W/ O-ring - Was 6674039 - A

10

6674040

SEAL W/ O-ring - 87,15 mm I.D.

11

HOUSING ASSY. NLA - Order Ref. 1 - Ref. 2-10,14-18 & 20-22 - Was 6666353 - A

12

REAR HOUSING NLA - Order Ref. 11 - Was 6666363 - A

13

6674029

SEAL

14

6666355

PLUG W/Ref. 16 - Was 6666356 - D

15

6675974

O-RING Was 6674041 - D

16

6675979

O-RING Was 6674048 - D

17

6675975

O-RING Was 6671787 - D

18

6675978

O-RING Was 6674047 - D

19

6675090

BOLT Was 6674030 - D

20

6666364

PLUG W/Ref. 18 - Was 6675977 - A

21

6675976

O-RING Was 6674046 - D

22

6666356

PLUG locating

23

ROTARY GROUP NLA - Order Ref. 24 & 25 - Was 6674218 - A

23

6684036

BOLT KIT W/ 6 Bolts & 2 Bushings

24

6675024

CAM Was 6674182 - B,D

25

6676953

CYLINDER BLOCK W/ pistons & rollers - Was 6674219 - D

26

ROLLER NSS - Order Ref. 23 - Was 6666358 - B,D

27

PISTON NSS - W/Ref. 30 - Order Ref. 23 - Was 6660026 - A

28

6666369

SNAP RING

29

3GM12100

BOLT

30

RING NSS - keeper - Order Ref. 27

31

6675022

BUSHING

32

6666371

PLUG

33

6675093

O-RING

34

6666372

SPRING

35

6666373

WASHER

36

6676035

KIT, SEAL Ref. 8-10, 13, 15 16, 17, 18, 21 & 33 - Was 6666357 - D

Выбрано товаров: 37