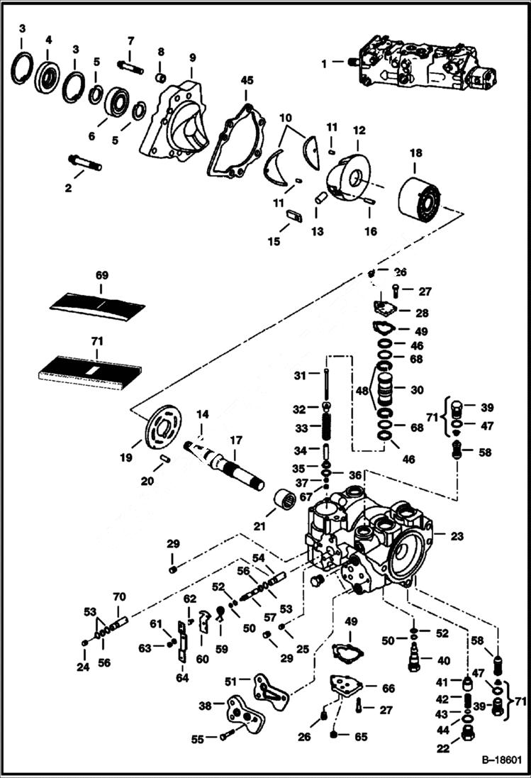
Запчасти Bobcat 800s HYDROSTATIC PUMP (M46 - Servo Assisted Steering) (Left Half) (5144 18904, 5145 20062, 5146 20146 & Below) HYDROSTATIC SYSTEM

Схема запчастей Bobcat 800s - HYDROSTATIC PUMP (M46 - Servo Assisted Steering) (Left Half) (5144 18904, 5145 20062, 5146 20146 & Below) HYDROSTATIC SYSTEM
FIT
1:1
100%

Артикул

Название

Примечание

Количество

1

PUMP NLA - M91-46598 - Order 6669719REM - complete with gear pump - for standard flow - Was 6669045 - B

1

PUMP NLA - Order 6669719 REM - M91-46627 - complete with gear pump - for standard flow - Was 6669719 - A

1

6669719REM

PUMP, HYD COMPLETE, W/O GEAR PUMP

1

PUMP NLA - M91-46616 - complete with double gear pump - for high horsepower option - Order 6669989 pump or 6669989REM pump & gear pump - Was 6669564 - A

1

6669989

PUMP M91-46628 - complete with double gear pump - for high horsepower option

1

6669989REM

PUMP, HYD TANDEM, W/O GEAR PUMP

2

6666220

SCREW

3

669863

RING, SNAP

4

6687191

SEAL, OIL Was 6645090 - A

5

658128

RING, SNAP

6

654299

BEARING

7

6666219

BOLT

8

6634592

PIN

9

6656076

COVER front

10

6634613

BEARING journal

11

791355

ROLL PIN

12

6634382

SWASHPLATE W/Ref. 13 & 16

13

6632464

PIN

14

6J807

KEY, WOODRUFF

14

6682261

KEY hex

15

6631428

SLEEVE

16

6673049

PIN Was 6670273 - A

17

6666221

SHAFT half moon

17

6682260

SHAFT hex

18

6670274

BLOCK Was 6634311 - A

19

PLATE NLA - valve - L.H. - Order 6665122 & 6666596 plate - Was 6634474 - A

19

6665122

PLATE valve - L.H.

20

6634553

PIN

21

6631022

BEARING

22

6631465

PLUG

23

6656074

HOUSING

24

6631471

WASHER

25

6669257

ORIFICE .054 - Was 6657320 - B

26

6645086

PLUG

27

6660434

SCREW

28

6645072

COVER servo

29

6518510

PLUG

30

6634429

PISTON servo

31

6677160

SCREW Was 6631470 - A

32

6631444

GUIDE

33

6631430

SPRING

34

6631446

STOP

35

6631445

GUIDE

36

6631469

SNAP RING

37

6653728

NUT

38

6660778

ADAPTER

39

6660418

PLUG With O-ring & spring - Was 6850006 - B

40

6632462

VALVE bypass

41

6518656

VALVE charge relief - Was 6666215 - A

42

6670272

SPRING Was 6518657 - B

43

6598058

SHIM KIT .005, .010, .020, .050, .100

44

79K10

O RING 10

45

6640612

GASKET

46

6634488

KIT W/Ref. 68

47

79K12

O RING 10

48

6659256

BEARING

49

6634425

GASKET

50

6631467

BACK-UP RING

51

6660779

SEAL O-ring

52

6645079

O-RING

53

25K20020

O RING 10

54

6657315

SLEEVE, WEAR

55

6660780

SCREW

56

6631468

WASHER

57

6666211

VALVE SPOOL metered

58

6669742

RELIEF VALVE 4712 PSI (325 Bar) - Was 6672535 - B,D

59

6631449

SPRING

60

6631453

BRACKET

61

6653735

WASHER

62

6653733

SCREW

63

6653734

NUT

64

6657319

HANDLE

65

6631458

NUT

66

6645071

COVER

67

6648256

NUT locking

68

6653730

O-RING

69

6664371

KIT, SEAL See Illustration HYDROSTATIC PUMP/ B18602 Ref. 4 & 44-53 & 37-42 - Was 6661039 - A

70

SLEEVE NLA - service - Was 6667897 - A

71

6672709

KIT for noisy reliefs - includes plug, O-ring & spring

Выбрано товаров: 79