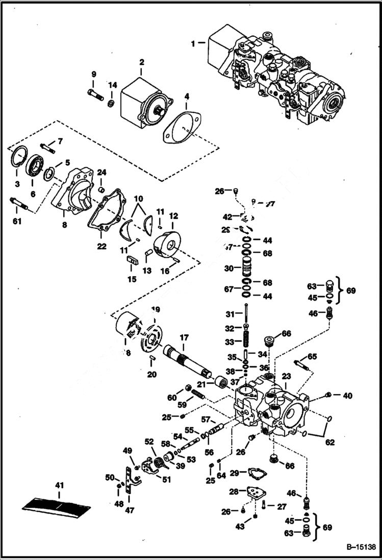
Запчасти Bobcat 800s HYDROSTATIC PUMP (M46 - Servo Assisted Steering) (Right Half) (5144 18295,18706-10,18885-6,18905-24999,5145 20063-24999,5146 20147-24999) HYDROSTATIC SYSTEM

Схема запчастей Bobcat 800s - HYDROSTATIC PUMP (M46 - Servo Assisted Steering) (Right Half) (5144 18295,18706-10,18885-6,18905-24999,5145 20063-24999,5146 20147-24999) HYDROSTATIC SYSTEM
FIT
1:1
100%

Артикул

Название

Примечание

Количество

1

PUMP NLA - Order 6672588REM - M91-46143 - complete with gear pump - for standard flow - Order 66725588REM - Was 6672588 - A

1

6672588REM

PUMP, HYD COMPLETE, W/O GEAR PUMP

1

6672589

PUMP M91-46142 - complete with double gear pump - For high horsepower option

2

GEAR PUMP See Illustration GEAR PUMP/ MS1666 for standard flow

2

GEAR PUMP See Illustration HIGH HORSEPOWER HYDRAULICS/ MS1665 for high horsepower option

3

669863

RING, SNAP

4

6660339

GASKET

5

658128

RING, SNAP

6

654299

BEARING

7

6666219

BOLT

8

6657317

COVER, FLANGE

9

6645088

BOLT

10

6634613

BEARING journal

11

791355

ROLL PIN

12

6634382

SWASHPLATE W/Ref. 13 & 16

13

6632464

PIN

14

6518483

WASHER

15

6631428

SLEEVE

16

6673049

PIN

17

6657316

SHAFT

18

6670274

BLOCK

19

6666596

PLATE valve - Was 6634471 - D

20

6634553

PIN

21

6631022

BEARING

22

6640612

GASKET

23

6664370

HOUSING

24

6634592

PIN spring

25

6518510

PLUG

26

6645086

PLUG

27

6660434

SCREW

28

6645071

COVER servo

29

6634425

GASKET

30

6634429

PISTON servo

31

6677160

SCREW Was 6631470 - A

32

6631444

GUIDE

33

6631430

SPRING

34

6631446

STOP

35

6631445

GUIDE

36

6631469

SNAP RING

37

6648256

NUT

38

6653728

NUT locking

39

SPRING GUIDE NLA - Order 6677905, 6677906 & 6677907 - Was 6673946 - A

40

6645085

PLUG

41

6664371

KIT, SEAL

42

6645072

COVER

43

6631458

NUT

44

6634488

KIT W/Ref. 69

45

79K12

O RING 10

46

6669742

RELIEF VALVE 4712 PSI (325 Bar) - Was 6672535 - B,D

47

6673046

HANDLE

48

6653734

NUT

49

6653733

SCREW

50

6653735

WASHER

51

BRACKET NLA - Order 6677905, 6677906 & 6677907 - Was 6673948 - A

52

6673045

SPRING

53

6631467

BACK-UP RING

54

6715125

SPOOL Was 6673043 - A

55

6631468

WASHER

56

25K20020

O RING 10

57

6657315

SLEEVE, WEAR Was 6672187 - A

58

6645079

O-RING

59

6631642

STUD

60

61D8

NUT 5

61

6666220

SCREW

62

6653738

O-RING

63

6660418

PLUG W/O O-ring

64

6669257

ORIFICE 0.054

65

93G832

BOLT

66

24K9

PLUG

67

6653730

O-RING

68

6659256

BEARING

69

6672709

KIT plug, O-ring & spring

Выбрано товаров: 72