Запчасти Bobcat 800s GEAR PUMP HYDROSTATIC SYSTEM

Схема запчастей Bobcat 800s - GEAR PUMP HYDROSTATIC SYSTEM
FIT
1:1
100%

Артикул

Название

Примечание

Количество

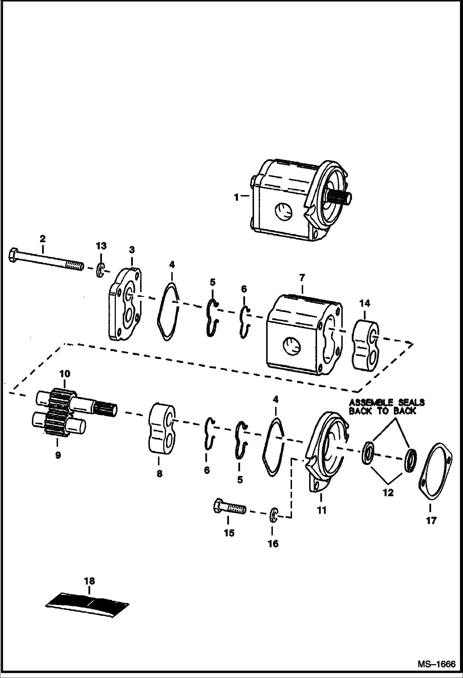
1

PUMP NLA - B5501-34022 - boss fitting - W/Ref. 2-14 - for Models M91-46598, M91-46627, M91-46143 & M91-46742 -Order 6673916 pump, also Order 6717662 tee, 19J000012B (2) clamp, 58K000214B O-ring & 17C0

1

6673916

PUMP B5501-37211 - 4-bolt flange - W/Ref. 2-14 - for Model M91-46746

1

PUMP NLA - B5501-36980 - boss fitting - W/Ref. 2-14 - for Model 4445054 - Order 6673911 pump, also Order 6717662 tee, 19J000012B (2) clamp, 58K000214B O-ring & 17C000620B (4) bolt - Was 6672829 - A

1

6673911

PUMP B5501-37255 - 4-bolt flange - W/Ref. 2-14 - for Model 4445060

2

BOLT NSS

3

COVER NLA - Was 6658123 - A

4

O-RING NSS - seal

5

SEAL NSS

6

BUSHING NSS

7

BODY NSS

8

BEARING NSS

9

GEAR NSS - idler

10

GEAR NSS - drive

11

COVER NLA - Was 6658122 - A

12

SEAL NSS

13

WASHER NSS

14

BEARING NSS

15

6645088

BOLT Was 17C000616B - B

16

6518483

WASHER Was 28E000006B - B

17

6660339

GASKET Use W/ 6673760, 6673915, 6673759, 6673917 pump

17

6645080

O-RING Use W/ 6672827, 6673910, 6672828, 6673912 pump

18

6666834

SEAL KIT Ref. 4-6 & 12 - for models B5501-34022 & B5501-37211

18

6658126

SEAL KIT Ref. 4-6 & 12 - for model B5501-36980

18

6674371

SEAL KIT Ref. 4-6 - for model B5501-37255

Выбрано товаров: 24