Запчасти Bobcat 800s HEATER KIT - SINGLE (Fresh Air) ACCESSORIES & OPTIONS

Схема запчастей Bobcat 800s - HEATER KIT - SINGLE (Fresh Air) ACCESSORIES & OPTIONS
FIT
1:1
100%

Артикул

Название

Примечание

Количество

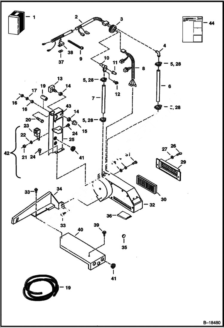
1

6713379

KIT See Illustration HEATER PLUMBING KIT - SINGLE HEATER/ MC2200 Ref. 2-18, 20-33, 36-44

2

6660894

HARNESS W/Ref. 37 & 38

3

6512067

GROMMET

4

6660879

ELBOW

5

42H10

HOSECLAM5

6

HOSE NLA - 17'' (432mm) long - Order Ref. 19

7

HOSE NLA - 19'' (483mm) long - Order Ref. 19

8

6660892

HARNESS

9

6660883

TIE

10

6654191

VALVE

11

6660881

KNOB water valve

12

6660884

SCREW

13

6660659

SWITCH fan

14

6624435

NUT

15

6660822

KNOB

16

6670142

NUT

17

4E4

WASHER

18

25E14

WSHR

19

6578172

HOSE bulk - sold per foot

20

17C416

BOLT

20

6670144

BOLT

21

6641065

NUT

22

6641072

WASHER

23

6651975

SWITCH relay

24

6641066

SCREW

25

6660864

COVER W/O vent holes

25

6850026

COVER also Order (2) Ref. 41

26

6660930

THUMBSCREW

27

25E10

WASHER

28

5HM24

CLAMP constant tension

29

6674151

COVER

30

6660880

FILTER, AIR HEATER CAB

31

17C412

BOLT 5

32

HEATER See Illustration HEATER - SINGLE/ D2181

33

6705792

SCREW

34

6669650

VENT side - for 6713379 heater kit

35

6657719

PLUG 0.75'' dia hole

36

MOULDING NLA

37

6702444

FUSE 25A 5

38

6657306

CAP, FUSE

39

84G3120

SCREW

40

6669652

DUCT under seat - Also Order (3) Ref. 41

41

6660885

LOUVER

42

6660890

COVER ASSY. Ref. 21-23, 25 & 43

43

6660865

DECAL fan & valve

44

6724384

INSTRUCTIONS

Выбрано товаров: 46