Запчасти Bobcat 800s HYDROSTATIC CIRCUITRY (S/N 5189 11354 - 16260, 5168 11037 - 15100, 5175 11033) HYDROSTATIC SYSTEM

Схема запчастей Bobcat 800s - HYDROSTATIC CIRCUITRY (S/N 5189 11354 - 16260, 5168 11037 - 15100, 5175 11033) HYDROSTATIC SYSTEM
FIT
1:1
100%

Артикул

Название

Примечание

Количество

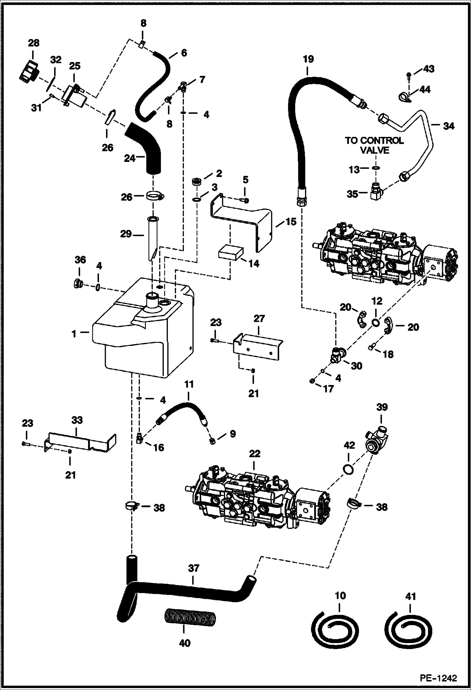
1

TANK NLA - hydraulic oil - Order 6731209 tank & 6727175 tee, also Order 6727475 cap, 6727354 inlet, 6727318 hose, 6727313 fitting, 5HM00015B (2) clamp, 23'' of 6586251 hose, 6731906 BPV mount & 67

1

TANK NLA - hydraulic oil - Order 6731209 , also Order 6731906 BPV mount & 6731838 panel - Was 6727265 - A

1

6731209

TANK

2

47K10

PLUG W/Ref. 3

3

79K16

O RING 10

4

99K6

O RING tapered boss face

4

79K6

O RING 10 Flat boss face

5

84G3716

SCREW 5

6

HOSE NLA - 23 in. (584mm) long - Order Ref. 10

7

6727313

ELBOW W/Ref. 4 - threaded on one end - threads .5625-18-2A

8

5HM15

CLAMP spring tightened - Use W/Ref. 6

9

36K5

CAP

10

6586251

HOSE bulk - sold by the foot

11

7106212

HOSE tank drain - Was 6537040 - A

12

55K214

O-RING

13

99K12

O RING tapered boss face

13

79K12

O RING 10 flat boss face

14

6716449

PAD

14

6578278

PAD

15

6718726

MOUNT BPV

15

6731906

MOUNT BPV

16

ADAPTER NLA - W/Ref. 13 - tapered boss face - Was 17KN-5 - A

16

97K6

O RING flared end

16

17KB0606

FITTING flat boss face

17

PLUG NLA - W/Ref. 4 - tapered boss face - Was 90KV-5 - A

17

PLUG NLA - W/Ref. 4 - flat boss face - Socket head - Was 90K-5 - A

17

24K5

PLUG W/Ref. 4 - flat boss face - hexagon head

18

17C620

BOLT

19

6737341

HOSE Was 6736043 - A

20

19J12

CLAMP

21

61D5

NUT

22

PUMP See Illustration HYDROSTATIC PUMP/ B18119

23

35C516

BOLT 10

24

6718576

HOSE formed fill hose

24

6727318

HOSE 7.84'' (199.13 mm) long

25

INLET See BTI412 - NLA - Was 6706354 - A

25

6727354

INLET W/nipple

26

42HL250

CLAMP Was 6513595 - A

27

6718851

BRACKET front

28

6727475

CAP, OIL HYD breather & fill - also Order Ref. 32 - Was 6577785 - A

29

7120881

SCREEN, FILLER Was 6569219 - A

30

7103953

TEE W/Ref. 12 - 4-bolt flange - Was 6717662 - A

30

97K12

O'RING flared end

31

6706517

SCREW

32

6700631

GASKET

33

6718850

BRACKET rear

34

6716506

TUBELINE

35

ELBOW NLA - W/Ref. 13 - tapered boss face - Was 17KV00008B - B

35

97K12

O'RING flared end

35

17KB1212

FITTING, HYD ELBOW W/Ref. 13 - flat boss face - Was 6812141 - A

36

6665915

GAUGE sight - W/Ref. 4

36

6734563

WASHER KIT

36

6734561

WASHER

36

25K30118

O RING 10

37

6718503

HOSE

38

5HM42

HOSECLAMP

39

TEE See Illustration HYDROSTATIC CIRCUITRY/ PE1162

40

SHIELD NLA - 10'' (254 mm) long - Order Ref. 41

41

6705749

SHIELD bulk - sold per foot

42

99K16

O-RING tapered boss face

43

84G3712

BOLT 5

44

30H46

CLIP

Выбрано товаров: 62