Запчасти Bobcat 800s HYDROSTATIC PUMP (Right Half) HYDROSTATIC SYSTEM

Схема запчастей Bobcat 800s - HYDROSTATIC PUMP (Right Half) HYDROSTATIC SYSTEM
FIT
1:1
100%

Артикул

Название

Примечание

Количество

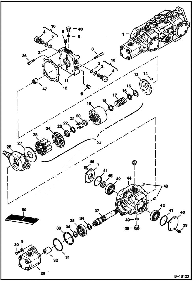
1

PUMP, HYD TANDEM NLA - Model 4445060 - complete W/ 4-bolt flange gear pump - standard flow - must use 6576196 bracket & 6706096 bracket from original pump - Order 7001072 hyd tandem pump & 6673911 gea

1

6673910REM

PUMP, HYD TANDEM, W/O GEAR PUMP

1

PUMP, HYD TANDEM NLA - Model 4445117 - complete W/gear pump (cast iron) - standard flow - Order 7001071 hyd tandem pump & 6686703 gear pump or 6681934REM hyd tandem pump & 6686703 gear pump - Was 6681

1

6681934REM

PUMP, HYD TANDEM, W/O GEAR PUMP

1

PUMP, HYD TANDEM NLA - Model 4445061 - complete W/ 4-bolt flange gear pump - high flow - must use 6576196 bracket & 6706096 bracket from original pump - Order 7001072 hyd tandem pump & 6673913 gear pu

1

6673912REM

PUMP, HYD TANDEM, W/O GEAR PUMP

1

6681935

PUMP, HYD TANDEM Model 4445116 - complete W/integrated cast iron gear pump - high flow - Was 6679260 - A

1

6681935REM

PUMP, HYD TANDEM, W/O GEAR PUMP

2

6657028

O-RING

3

79K8

O RING 10

4

PLUG NLA - Order Ref. 10

5

79K14

O RING 10

6

6645086

PLUG

7

6657067

COVER

8

6650637

BOLT

9

6518483

WASHER

10

6672535

RELIEF VALVE 4712 PSI (325 bar)

11

6669405

CAP, END

12

6650634

GASKET

13

See BTI361 NLA - Was 6675339 - A

14

6650636

PIN

15

RETAINER NLA - Order Ref. 26

16

WASHER NLA - Order Ref. 26

17

SPRING NLA - Order Ref. 26

18

WASHER NLA - Order Ref. 26

19

BLOCK NLA - Order Ref. 26

20

6650630

RETAINER

21

6650629

PIN

22

6666338

WASHER

23

RETAINER NLA - Order Ref. 26

24

RETAINER NLA - Order Ref. 26

25

PISTON ASSY. NLA - Order Ref. 26

26

6671512

GROUP, ROTARY Ref. 15 - 25

27

6650627

PLATE

28

6685344

SWASHPLATE W/threaded shaft hole - Was 6671513 - A

29

GEAR PUMP See Illustration GEAR PUMP/ B18124 - for standard flow

29

GEAR PUMP See Illustration HIGH HORSEPOWER HYDRAULICS/ TS1078 - for high flow option

30

17C620

BOLT

31

6645080

O-RING

32

6671509

COUPLER

33

669863

RING, SNAP

34

658128

RING, SNAP

35

654299

BEARING

36

6652018

BOLT

37

6669407

SHAFT

38

47K8

PLUG W/Ref. 49

39

6650668

BOLT

40

6657068

COVER

41

6660814

O-RING

42

6669411

BEARING

43

6518460

PIN

44

6669403

HOUSING

45

6678226

SEAL, OIL Was 6673881 - A

46

1CM820

BOLT

47

6650635

BEARING

48

24K7

PLUG W/Ref. 5

49

79K12

O RING 10

50

6671516

KIT, SEAL Ref. 2, 3, 12 & 41 - also includes 7, 9, 13, 34, 35, 42, 43, 45 & 46 on Ill. B18119

Выбрано товаров: 58