Запчасти Bobcat 800s MAIN FRAME MAIN FRAME

Схема запчастей Bobcat 800s - MAIN FRAME MAIN FRAME
FIT
1:1
100%

Артикул

Название

Примечание

Количество

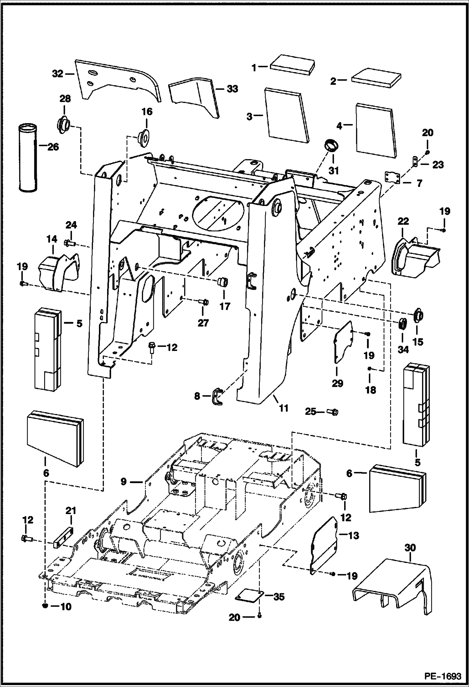
1

6703963

INSULATION crossmember

2

6703964

INSULATION crossmember

3

6732726

INSULATION crossmember - Was 6703965 - A

4

6732725

INSULATION crossmember - Was 6703969 - A

5

7152242

INSULATION, STRIP fender - Was 6703967 - B

6

6703968

INSULATION transmission

7

6702164

SPACER flexible

8

6708987

HINGE, WELD-ON

9

6719359

DRIVECASE See Illustration DRIVE TRAIN/ B20142 Was 6716862 - A

10

83D12

NUT

11

6709924

MAIN FRAME

12

31C1228

BOLT

13

6706808

COVER motor - 12.80'' (325,1 mm) hole pattern

13

6719201

COVER motor - 13.80'' (350, 5 mm) hole pattern

14

6717686

SHIELD L.H.

15

6705047

BUSHING weld-on

16

6710744

BUSHING weld-on

17

6713823

BUSHING weld-on

18

57D8

NUT 10

19

84G3712

BOLT 5

20

84G3716

SCREW 5

21

6706857

BLOCK

22

6717682

SHIELD R.H.

23

6579106

SHIM

24

84G3112

BOLT 5

25

37C628

BOLT

26

6633583

SEALANT, POLYURETHANE 300 ML drivecase cover

27

31C1232

SCREW

28

6710745

BUSHING weld-on

29

6719055

COVER motor

30

6719522

INSULATION transmission

31

6660646

PLUG right fender & front crossmember

32

6719332

INSULATION blower housing

33

6719333

INSULATION blower housing

34

6718796

PLUG

35

7240780

COVER, ACCESS fuel & hyd. - Was 6716010 - A

Выбрано товаров: 36