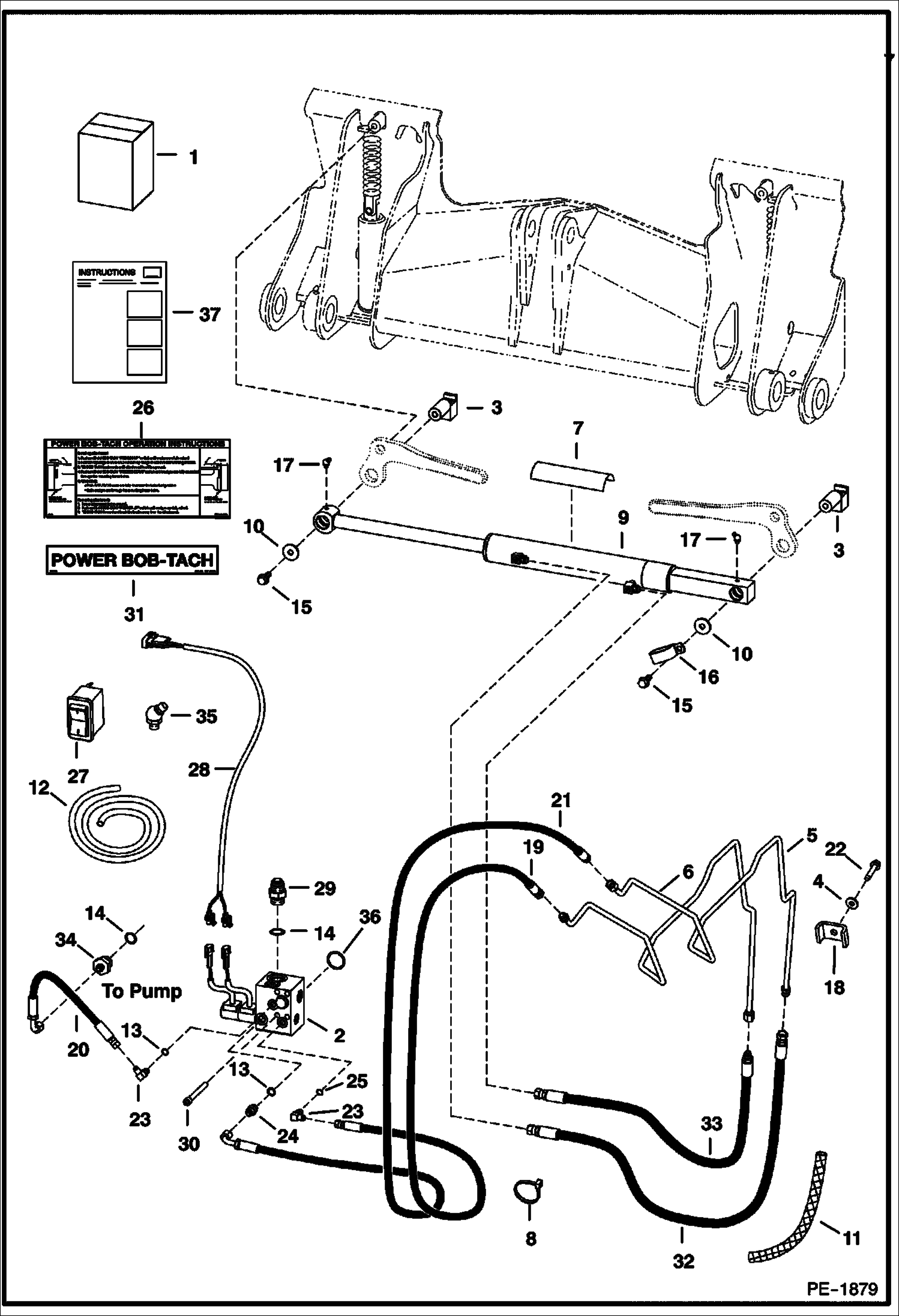
Запчасти Bobcat 800s POWER BOB-TACH KIT (Cast Iron Gear Pump) (S/N 518918064, 516815133, 517515268 & Above) ACCESSORIES & OPTIONS

Схема запчастей Bobcat 800s - POWER BOB-TACH KIT (Cast Iron Gear Pump) (S/N 518918064, 516815133, 517515268 & Above) ACCESSORIES & OPTIONS
FIT
1:1
100%

Артикул

Название

Примечание

Количество

1

6735468

POWER BOBTACH KIT Ref. 2-35 - SEE NOTE - Was 6731092 - A

2

VALVE See Illustration POWER BOB-TACH/ MS1835

3

6731119

PIVOT, WEDGE Not in kit - Was 6714576 - A

4

872229

WASHER

5

6719164

TUBE

6

6719167

TUBE

7

6554100

TREAD 76,2 x 152,4 mm (3 x 6'')

8

6624289

STRAP, TIE

9

CYLINDER See Illustration POWER BOB-TACH/ PE1064A See Illustration POWER BOB-TACH/ PE1064

10

619021

WASHER, 5

11

COVER NLA - 32'' (813 mm) long - Order Ref. 12

12

6656155

HOSE COVER bulk - sold per foot - 1.25'' (31,8mm) ID

13

79K6

O RING 10

14

79K12

O RING 10

15

35C616

BOLT 5

16

31H42

CLIP

17

12H25

FITTING Was 11H000025B - B

18

6502203

CLAMP

19

6726987

HOSE

20

6806403

HOSE

21

6735475

HOSE Was 6731082 - B

22

84G3724

BOLT

23

17KB0404

FTG HYD ELBOW 90 W/Ref. 25 - Was 7109884 - B

24

17KB0606

FITTING W/Ref. 13 - Was 7109883 - B

25

99K4

O'RING

26

6725907

DECAL, OPERATION power Bob-Tach - Was 6717842 - A

27

6676732

SWITCH vertical

28

6730770

HARNESS

29

15KB1212

FITTING, HYD CONNECTOR W/Ref. 14

30

73G656

SCREW

31

6719888

DECAL power bob-tach

32

6725198

HOSE

33

6725199

HOSE

34

15KB0612

FITTING, HYD CONNECTOR W/Ref. 14

35

11H15

GREASE FITTING for cylinder 6810350

36

55K214

O-RING

37

6902360

INSTRUCTIONS Was 6901483 - B

Выбрано товаров: 37