Запчасти Bobcat 800s DRIVE TRAIN DRIVE TRAIN

Схема запчастей Bobcat 800s - DRIVE TRAIN DRIVE TRAIN
FIT
1:1
100%

Артикул

Название

Примечание

Количество

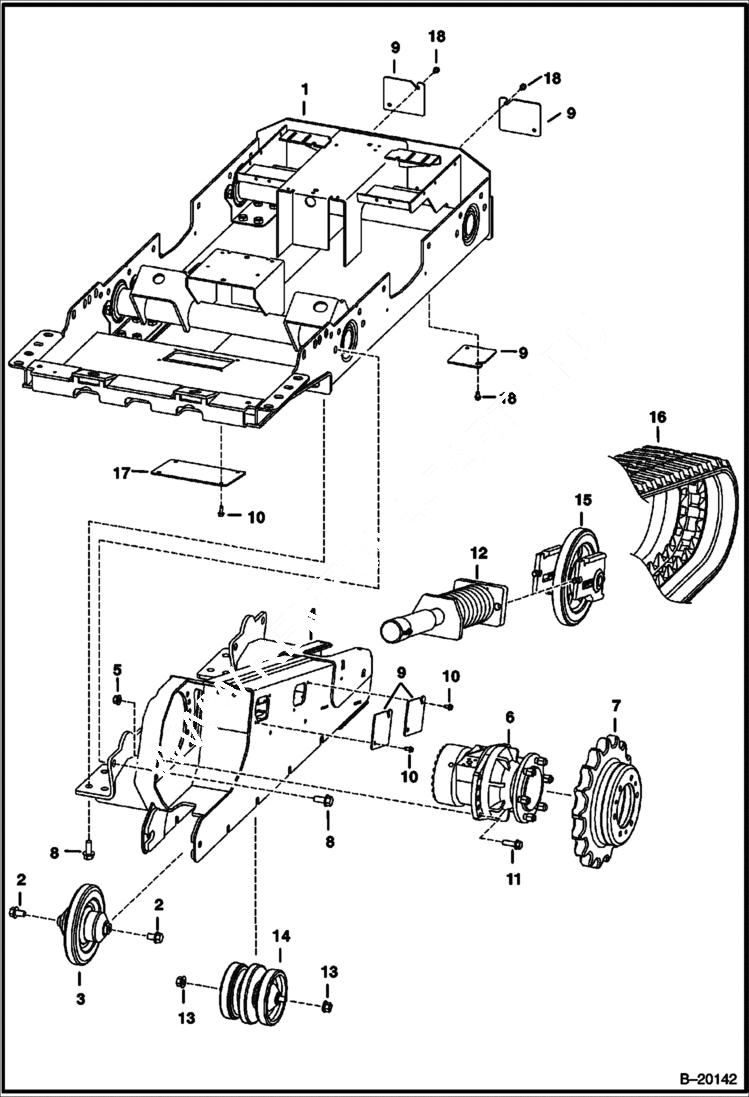
1

6719359

DRIVECASE Was 6716862 - A

2

31C1224

BOLT Was 31C001220B - A

3

IDLER ASSY See Illustration REAR IDLER/ PE1001 rear

4

6716007

FRAME track - L.H.

4

6715972

FRAME track - R.H.

5

83D10

NUT 5

6

6674888

MOTOR See Illustration HYDROSTATIC MOTOR & BRAKE/ B18408 Was 6672624 - D

7

6715821

SPROCKET, MOTOR DRIVE TRACK

7

7165109

SPROCKET, MOTOR DRIVE TRACK for 7109868 motor - Was 7107787 - A

8

31C1228

BOLT

9

7240780

COVER, ACCESS Was 6716010 - A

10

84G3712

BOLT 5

11

31C1032

BOLT

12

TENSIONER, TRACK ASSY See Illustration TRACK TENSIONER/ PE1223

13

83D12

NUT

14

ROLLER ASSY See Illustration TRACK ROLLER/ PE1002

15

IDLER ASSY See Illustration FRONT IDLER/ PE1000 Front

16

TRACK, RUBBER See Illustration TRACKS/ NA6161

17

6716987

COVER

18

84G3716

SCREW 5

Выбрано товаров: 0