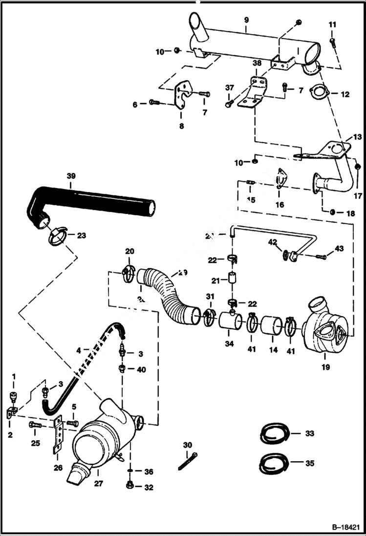
Запчасти Bobcat 800s ENGINE & ATTACHING PARTS (Air Cleaner, Muffler) POWER UNIT

Схема запчастей Bobcat 800s - ENGINE & ATTACHING PARTS (Air Cleaner, Muffler) POWER UNIT
FIT
1:1
100%

Артикул

Название

Примечание

Количество

1

6515007

GAUGE dust - W/O BOSS option

2

6704823

BRACKET W/O BOSS option

3

6505813

CONNECTOR barbed - W/O BOSS option

4

HOSE NLA - W/O BOSS option - 18'' (457mm) long - Order Ref. 35

5

84G3712

BOLT 5

6

55CM825

BOLT

7

45C620

BOLT

8

6717351

SHIELD muffler

9

6680164

MUFFLER, EXHAUST Was 6732069 - A

10

83D6

NUT 5

11

17C616

BOLT 5

12

6713653

GASKET, EXHAUST exhaust

13

6717352

TUBE exhaust

14

6673964

HOSE

15

6666407

STUD

16

6665910

GASKET

17

85D6

NUT, 5

18

6666398

NUT

19

6673173

TURBOCHARGER See Illustration CRANKCASE & OIL PAN/ B20128

20

42HC350

CLAMP

21

6673962

HOSE

22

6673963

CLAMP

23

42H52

CLAMP

24

6671625

TUBELINE

25

55CM816

BOLT Was 53CM-816 - A

26

6707582

BRACKET

27

AIR CLEANER See Illustration AIR CLEANER/ TS1241

28

6717495

HOSE

29

6717498

HOSE heat shield

30

6610510

TIE

31

42HC300

CLAMP

32

24K5

PLUG W/Ref. 36 - tapered boss face - Was 24KN00005B - A

33

6654057

HOSE bulk - Sold Per Foot

34

6673966

TEE

35

6557720

HOSE bulk - Sold Per Foot

36

99K6

O RING tapered boss face

37

45C616

BOLT

38

6713787

BRACKET

39

6709958

HOSE

40

6672042

ADAPTER filter

41

6666419

CLAMP

42

6672885

GASKET

43

6672887

BOLT

Выбрано товаров: 43