Запчасти Bobcat 800s ELECTRICAL CONTROLS CIRCUITRY (Advanced Hand Controls Option) ELECTRICAL SYSTEM

Схема запчастей Bobcat 800s - ELECTRICAL CONTROLS CIRCUITRY (Advanced Hand Controls Option) ELECTRICAL SYSTEM
FIT
1:1
100%

Артикул

Название

Примечание

Количество

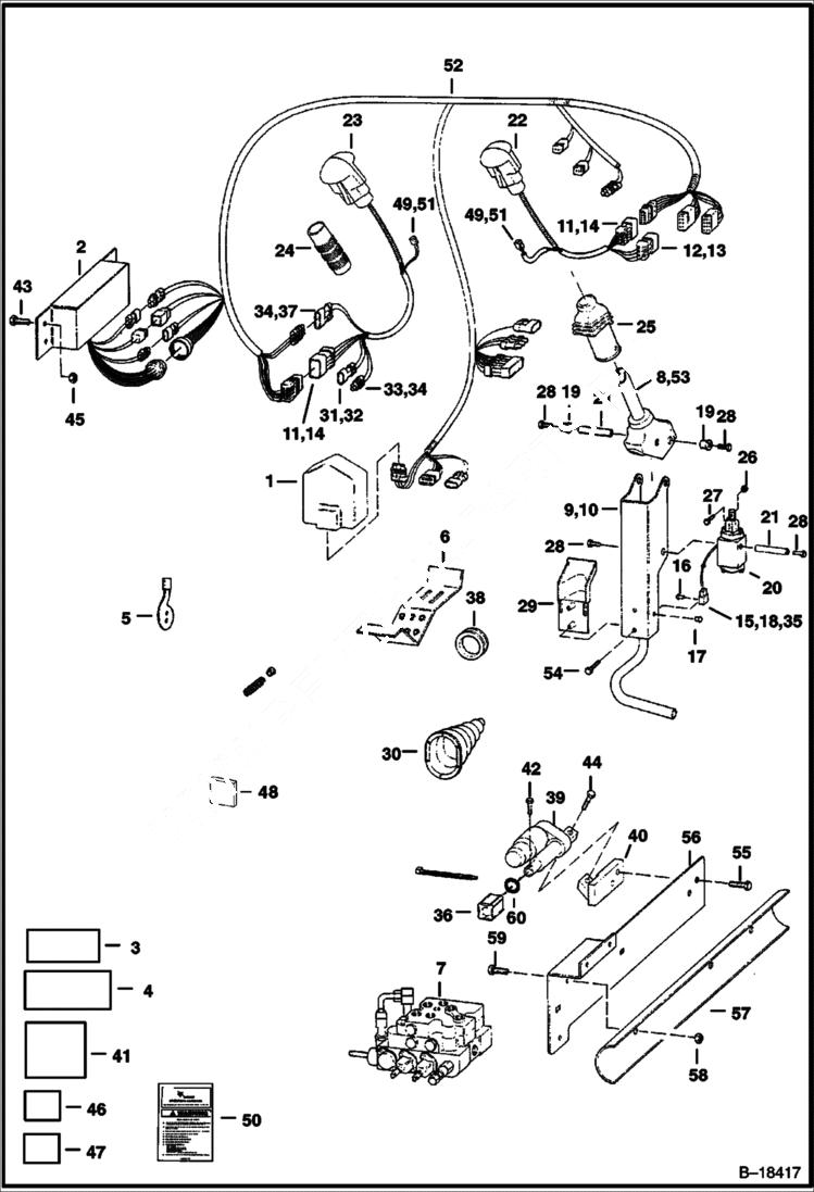
1

6680444

CONTROLER BICS - Was 6674225 - A

2

6675129

CONTROLLER, AHC AHC - Was 6674211 - C

3

6715940

DECAL operation

4

6715941

DECAL warning

5

6717393

LEVER throttle

6

6712365

STEP

7

VALVE See Illustration HYDRAULIC CONTROL VALVE/ MS1641 - AHC

8

6597774

HANDLE RH

9

6717055

LEVER RH

10

6717056

LEVER LH

11

6640696

CONNECTOR 8 pin

12

6641173

CONNECTOR 6-pin

13

6641181

LOCK 6-pin

14

6661183

LOCK

15

6665000

CLIP

16

6665321

RIVET male

17

6665322

RIVET female

18

6670706

CONNECTOR 3 pin

19

6702990

BUSHING

20

CONTROL See Illustration HAND CONTROL KIT/ PE1373 - NLA - tilt - RH - Order 6727297 AHC kit - Was 6712398 - A

20

CONTROL See Illustration HAND CONTROL KIT/ PE1373 NLA - lift - LH - Order 6727297 AHC kit - Was 6712397 - A

21

6713043

SPACER

22

6680459

HNDL/TILT AHC RH - Was 6675515 - A

22

6640690

PIN

22

6670715

PIN

22

6641176

SEAL

22

6680447

DECAL Was 6677370 - A

23

6680463

HANDLE LH - Was 6713262 - A

23

6640690

PIN

23

6640691

PIN

23

6641176

SEAL

24

GRIP NLA - Order 6702621 & cut to 28'' long - Was 6703349 - D

24

6702621

GRIP

25

6680471

COVER Was 6713898 - A

26

12D10

NUT

27

6716826

BOLT

28

25GT410

SCREW

29

6715957

COVER

30

6532127

BOOT

31

6640699

CONNECTOR

32

6640700

LOCK

33

6641178

CONNECTOR 2-pin

34

6641180

LOCK Use W/ 2-pin connector

35

6670710

LOCK

36

6664286

BOOT Was 6675280 - A

37

6641179

CONNECTOR 2-pin

38

6714726

GROMMET

39

ACTUATOR See BTI364 - NLA - tail mount - Order 7104842, see BTI 364 before ordering - Was 6678776 - A

39

7104842

ACTUATOR direct mount - W/Ref. 60

40

6717567

MOUNT actuator

41

6715991

DECAL fuse-AHC

42

6716052

PIN

43

17C412

BOLT 5

44

38C606

BOLT

45

61D4

NUT 5

46

6715944

DECAL

47

6708158

HANDBOOK, OPERATOR'S W/WIRE ROPE AHC

48

6704436

PAD

49

6670707

CONNECTOR

50

6717639

DECAL operation - Was 6717043 - A

50

6717639

DECAL operation - W/O seat sensor

51

6670711

LOCK

52

6710418

HARNESS AHC

52

6717569

DIODE 6 amp

53

6717163

HANDLE LH

54

6669224

BOLT

55

6717378

BOLT

56

6715929

MOUNT

57

6715267

BRACE

58

85D5

NUT 5

59

37C512

BOLT

60

58K120

O-RING Use W/Ref. 39 (7104842 actuator)

Выбрано товаров: 72