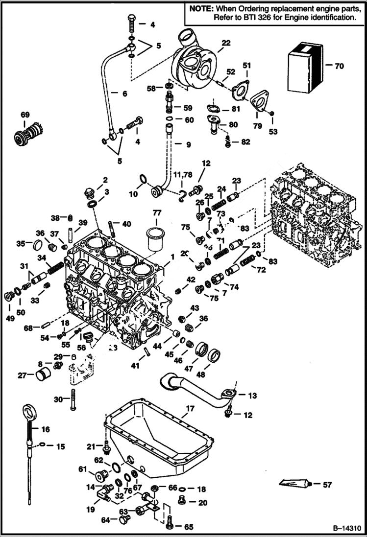
Запчасти Bobcat 800s CRANKCASE & OIL PAN POWER UNIT

Схема запчастей Bobcat 800s - CRANKCASE & OIL PAN POWER UNIT
FIT
1:1
100%

Артикул

Название

Примечание

Количество

1

6666758

BLOCK Ref. 29-31, 33, 34, 36-40 & 42-49

1

BLOCK See Illustration ENGINE & GASKET KITS/ B18445 - NLA - Order complete engine - Was 6672800 - A

2

6666690

PLUG short & long stroke - EPA & long stroke non-EPA - Was 6662901 - B

2

6681269

PLUG short stroke - EPA - Was 6673823 - A

3

6666393

SEAL RING brass - 10mm x 16mm - short & long stroke - EPA & long stroke non-EPA

3

6513763

WASHER brass - short stroke - EPA - Was 2FM14180B - A

4

6666396

SCREW

5

2FM12155

WASHER

6

6668948

TUBE oil lubricating - Was 6666497 - A

7

6668887

O-RING brass - 18 mm x 22 mm

8

6668897

ADAPTER

9

6668106

TUBE oil return - Was 6666521 - A

10

6666401

O-RING green

11

6666509

RETAINER short stroke - non-EPA

12

6668938

BOLT Was 6666413 - A

13

6666508

TUBE oil suction

14

NUT NSS - Was 6669068 - A

15

6666439

O-RING .315'' (8mm) OD

15

25K30012

O RING 10 .55'' (14mm) OD - Was 6669545 - A

16

6666528

DIPSTICK W/ .315'' (8mm) OD O-Ring

16

DIPSTICK NLA - W/.55'' (14mm) OD O-Ring - W/Ribs - Was 6669531 - A

16

6680251

DIPSTICK, OIL ENG W/.55'' (14 mm) OD o-ring - W/O Ribs

17

OIL PAN See Illustration ENGINE & ATTACHING PARTS/ B18443 - NLA - thin wall - Order 6670866 pan & 6712656 shim

17

6670866

OIL PAN thick wall - W/Ref. 18, 20, 61 & 62 - Was 6668809 - A

18

6666394

SEAL RING brass - 18 mm x 24 mm

19

6709168

ELBOW W/Ref. 14, 32, 67 & 76 - Was 6666399 - A

20

6666400

PLUG

21

6677831

BOLT Was 6666434 - A

22

6666520

TURBOCHARGER short stroke - EPA & non-EPA

22

6666520REM

TURBOCHARGER, DEUTZ 1011

22

6666520EF

TURBOCHARGER

22

TURBOCHARGER NLA - Order 6677575, Also Order Ref. 80-82 - long stroke - EPA & non-EPA - Was 6673173 - A

22

6677575

TURBOCHARGER

22

6666520REM

TURBOCHARGER, DEUTZ 1011 Was 6677575REM - A

22

6677575EF

TURBOCHARGER

23

6666510

VALVE

24

6668941

SPRING yellow - .047 (1,2mm) diameter wire 3.15'' (80mm) long - Was 6666511 - A

25

6666395

SEAL RING

26

6666387

PLUG

27

6665603

FILTER engine

28

6666530

CAP oil fill

29

6666722

DOWEL

30

6666719

BOLT

31

6668945

THERMOSTAT engine oil temp. - rated @ 199.4 degrees F (93 degrees C) - Was 6667375 - A

32

6669067

WASHER

33

6666703

PLUG

34

6666743

SPRING

34

6668941

SPRING

35

6666716

PLUG soft

36

6672873

PLUG 17mm allen socket head - Was 6666706 - A

36

6672873

PLUG

37

6666421

PLUG

37

6672874

PLUG

38

6666702

PLUG

39

6666741

TUBE

40

6688194

STUD Was 6666709 - A

41

6666746

NOZZLE piston cooling

42

6672872

PLUG Was 6666704 - A

42

6672872

PLUG

43

6666751

PLUG

44

6666718

SLEEVE guide

45

6666697

PLUG soft

46

6666705

PLUG

46

6672878

PLUG

47

6666738

BEARING wrapped bushing

48

6666737

BEARING wrapped bushing

49

6668946

PLUG Was 6666387 - B,D

49

6668946

PLUG Was 6672877 - A

50

6666395

SEAL RING

51

6665910

GASKET

52

6666407

STUD

53

6666398

NUT

54

6666689

PLUG

55

6666690

PLUG

56

6666699

WASHER brass - 10 mm x 15 mm

57

6632823

GASKET liquid - use between Ref. 17 & block, use between Ref. 13 & block

58

6668108

WASHER

59

6668107

ADAPTER

60

6668109

O-RING

61

6668693

PLUG

62

6668694

SEAL metal W/moulded insert - 59 mm OD

63

TUBE See Illustration ENGINE & ATTACHING PARTS/ B18443 - oil drain

64

6518121

PLUG oil drain

65

35C512

BOLT

66

97D5

NUT

67

58K114

O RING 10

68

6668905

PIN

69

CORE NLA - turbocharger - Order Ref. 22 - Was 6668896 - A

70

6668895

REPAIR KIT turbocharger - includes snap ring, O-ring, & (3) bolts - D

71

6668903

SPRING red - .055'' (1,4mm) dia. wire 3.07'' (78mm) long

72

6668902

SPRING blue - .039'' (1,0mm) dia. wire 2.44'' (62mm) long

73

6668900

ADAPTER W/Ref. 83

74

6668901

ADAPTER W/Ref. 83

75

6666400

PLUG Was 6668889 - A

76

6669066

SEAL RING

77

6672879

LINER See BTI341 - cylinder

78

6666509

RETAINER short & long stroke - EPA & long stroke non-EPA - Was 6673155 - A

79

6673169

FLANGE short & long stroke - EPA & long stroke non-EPA

80

6677576

FLANGE

81

6677577

GASKET

82

6677578

BOLT

83

SEAL NSS

Выбрано товаров: 102