Запчасти Bobcat 800s CAB DOOR (L.H. Hinged) ACCESSORIES & OPTIONS

Схема запчастей Bobcat 800s - CAB DOOR (L.H. Hinged) ACCESSORIES & OPTIONS
FIT
1:1
100%

Артикул

Название

Примечание

Количество

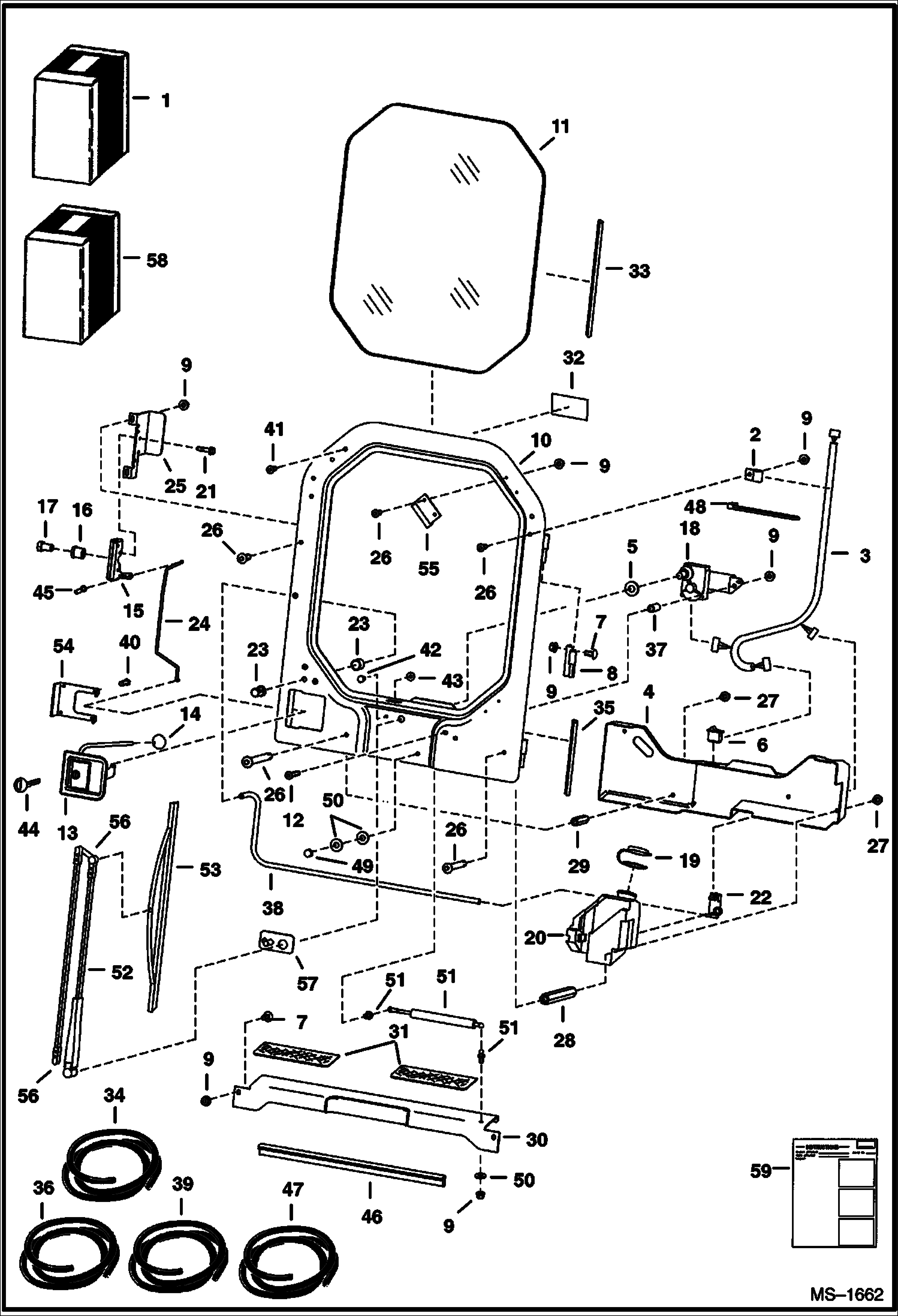
1

KIT NLA - door - Order 6708973 door kit and Ref. 58 - Was 6708928 - A

1

6708973

KIT door-Ref. 2-29, 32-45, 48-57 & 59 - also Order Ref. 58

1

KIT SALES - door - special applications - Ref. 4, 5, 7-17, 21, 24-29, 32-37, 40-45, 48-51, 54-57 & 59 - also Order Ref. 58

2

30H37

CLAMP

3

HARNESS NLA - Order 6712259 harness - Was 6708269 - A

3

6712259

HARNESS W/ diodes (2)

4

6707179

SHIELD

5

27E10

WASHER

6

6665707

SWITCH

7

10C512

BOLT

8

6707216

HINGE

9

83D5

NUT 5 for standard door

9

83D5

NUT 5 for special applications door

10

6707220

FRAME, DOOR CAB Also Order Ref. 32 (6707852 decal)

11

6707225

WINDOW .25'' thick - safety glass - for standard door

11

6708499

WINDOW .5'' thick - plexiglass - for special applications door

12

25G528

BOLT

13

6665530

LATCH W/Ref. 14 - Also Order Ref. 44

14

6647635

KNOB

15

6665531

LATCH

16

6568047

NUT bushing

17

17C712

BOLT

18

6665532

MOTOR, WIPER W/splined shaft

18

GEAR NLA - Was 6631927 - A

18

SHAFT NLA - W/Spine - Order 6665532 motor - Was 6670163 - A

18

LINK NLA - Was 6670164 - A

18

6670165

CLIP

19

6665605

CAP

20

6707178

TANK

21

35C416

BOLT

22

6664554

PUMP, WIPER WASHER

23

6666767

NOZZLE washer - Was 6664555 - B

24

6707221

ROD latch release

25

6707222

MOUNT latch

26

25G512

SCREW for standard door

26

25G512

SCREW for special applications door

27

35C510

BOLT

28

6707223

COUPLING

29

6707224

COUPLING

30

6708926

SHIELD bolts to cab

31

6703757

SAFETY TREAD Was 6564833 - B

32

6707852

DECAL, EXIT emergency

33

SEAL NLA - front window - 91'' (2311 mm) long - Order Ref. 34

33

CORD NLA - front window - 91'' (2311 mm) long - Order Ref. 34 - Also Order Ref. 48 (6610510 tie)

34

6665568

EXTRUSION bulk - sold per foot

34

6554149

CORD, BULK/FT bulk - sold per foot

35

SEAL NLA - 137'' (3480 mm) long - Order Ref. 36

36

6513152

SEAL bulk - sold per foot

37

6708096

BUSHING

38

HOSE NLA - 26'' (660mm) long - Order Ref. 39

39

6708310

HOSE, BULK/FT 100 clear - 0.154'' ID - sold per foot

40

45G1008

BOLT

41

5289686

PLUG black - 0.38'' dia hole

42

17C408

BOLT

43

55D4

NUT

44

KEY NLA - includes two keys W/ring - Order 6693241 - Was 6709527 - A

44

6693241

KEY 10 ignition - single key W/O ring

45

6512274

CLIP

46

SEAL NLA - 28.62'' (727 mm) long - Order Ref. 47

47

6632045

SEAL bulk - Sold Per Foot

48

6610510

TIE

49

46D5

NUT

50

25E16

WSHR

51

6630797

GAS SPRING

51

6632221

STUD ball

51

2756257

CLIP spring

52

6664095

ARM, WIPER wiper - W/Ref. 56 & 57

53

6664096

BLADE, WIPER WINDOW

54

6703751

RETAINER

55

6708500

CLAMP for special applications door

56

6670288

END plastic

57

6670289

BRACKET

58

6708976

KIT shield - Ref. 7, 9, 30, 31, 46 & 47

59

6724029

INSTRUCTIONS

Выбрано товаров: 74