Запчасти Bobcat 800s REAR WIPER KIT ACCESSORIES & OPTIONS

Схема запчастей Bobcat 800s - REAR WIPER KIT ACCESSORIES & OPTIONS
FIT
1:1
100%

Артикул

Название

Примечание

Количество

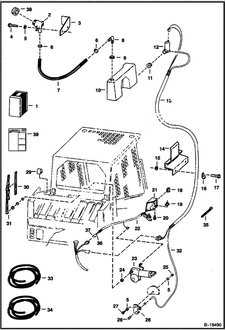
1

6711814

KIT rear wiper - Ref. 2-39

2

6666831

SPOUT

3

6711123

SHIELD Was 6709145 - A

4

84G3112

BOLT 5

5

25E15

WASHER

6

44H8

CLAMP

7

HOSE NLA - 17'' (432mm) long - Order Ref. 34

8

6666861

ELBOW

9

6666829

GROMMET

10

6709127

TANK

11

6666766

GROMMET

12

6664554

PUMP, WIPER WASHER

13

6709164

HARNESS W/Ref. 32

14

6709086

MOUNT tank

15

83D6

NUT 5

16

30H23

CLAMP

17

84G3716

SCREW 5

18

6668817

SWITCH

19

7160765

NUT Was 6660988 - A

20

35C412

BOLT

21

6708280

MOUNT switch

22

6708285

HARNESS

22

6712260

HARNESS

23

6665602

MOTOR

24

6708069

BUSHING

25

83D5

NUT 5

26

6708286

MOUNT nozzle

27

17C514

BOLT Was 35C000514B - A

28

6666767

NOZZLE Was 6664555 - A

29

6708272

STOP cab

30

6665688

BLADE

31

6665687

ARM

32

HOSE NLA - 110'' (2794mm) long - Order Ref. 33

33

6708310

HOSE, BULK/FT 100 clear - 0.154'' ID - sold per foot

34

6620419

SHIELD bulk - Sold Per foot

35

6610510

TIE

36

6641179

CONNECTOR 2-pin

37

6641180

LOCK Use W/ 2-pin connector

38

CAP NLA - Was 6666830 - A

39

6724788

INSTRUCTIONS

Выбрано товаров: 40