Запчасти Bobcat 800s DISC BRAKE (S/N 514145999, 514240999, 517911999 & Below) DRIVE TRAIN

Схема запчастей Bobcat 800s - DISC BRAKE (S/N 514145999, 514240999, 517911999 & Below) DRIVE TRAIN
FIT
1:1
100%

Артикул

Название

Примечание

Количество

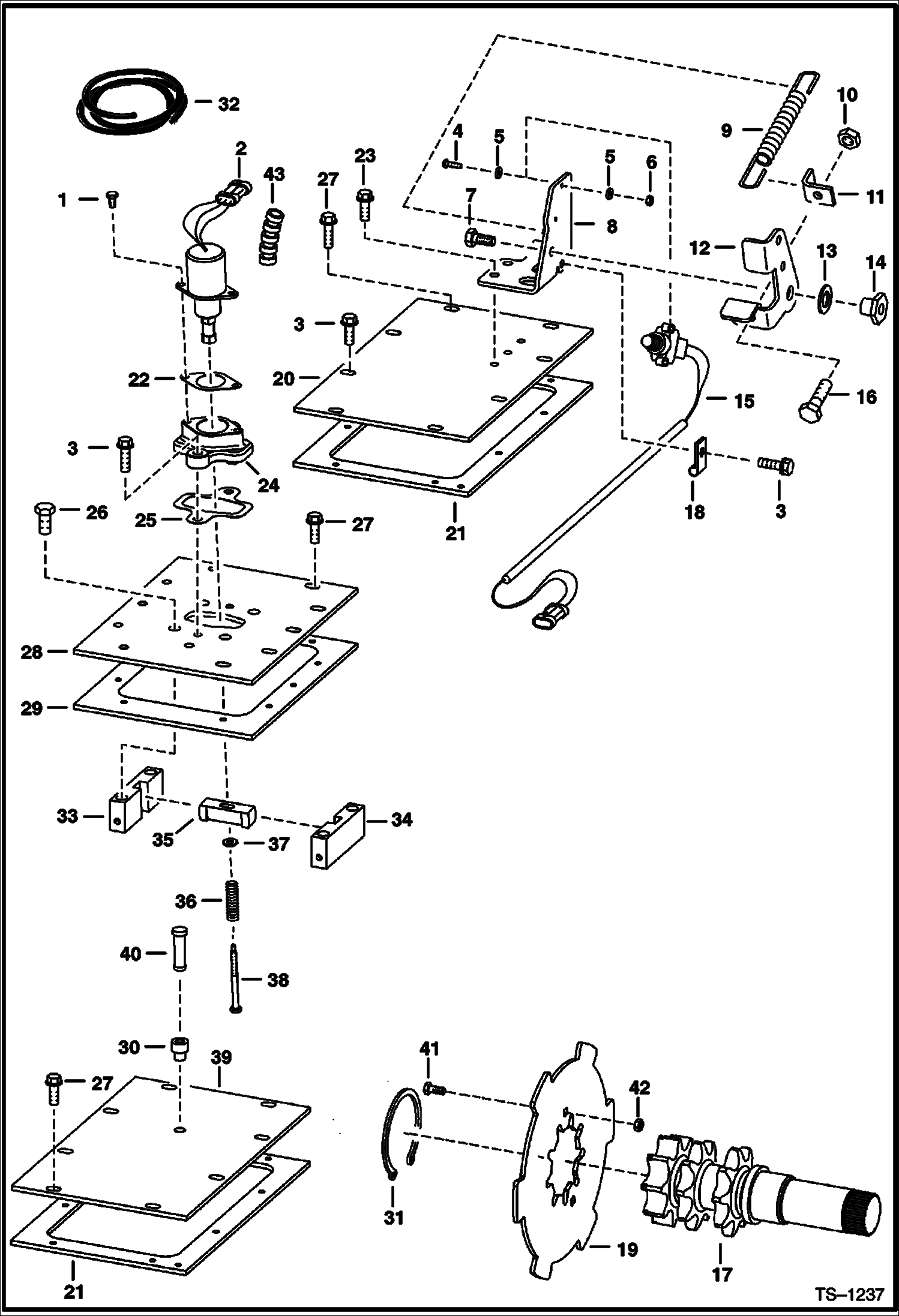
1

17C412

BOLT 5

2

6681512

SOLENOID W/Ref. 43 - Was 6667992 - A

3

84G3712

BOLT 5

4

23G812

SCREW

5

25E8

WSHR

6

12D8

NUT

7

17C610

BOLT

8

6707313

PEDAL MOUNT

9

6585860

SPRING

10

95D6

NUT Was 91D000006B - A

11

6707315

ANGLE

12

6707314

PEDAL brake

13

6700170

WASHER plastic

14

6559479

NUT

15

6707337

SWITCH, LOCK TRACTION W/cover and connector

15

6664880

SWITCH

16

17C620

BOLT

17

6706805

SHAFT, TRANS See Illustration MOTOR CARRIER/ TS1227

18

30H23

CLAMP

19

6715630

BRAKE Disc

20

6578505

COVER

21

6703097

GASKET, TRANS COVER

22

6706737

GASKET

23

84G3720

BOLT

24

6706718

MOUNT

25

6708016

GASKET

26

47C820

BOLT

27

84G3716

SCREW 5

28

6706683

COVER

28

6725496

COVER 2 Speed

29

6708070

GASKET, COVER BRAKE

30

6553411

BUSHING

31

6662298

RING, RETAINER

32

6584978

CONDUIT bulk - sold per foot

33

6719056

BLOCK guide - LH

34

6719057

BLOCK guide - RH

35

6714278

WEDGE, LOCK TRACTION for brake disc

36

6708018

SPRING

37

25E13

WASHER 5

38

6708267

BOLT

39

6700330

COVER

40

6680970

BREATHER Was 6670627 - A

41

37C512

BOLT carriage

42

59D5

NUT 5

43

CONDUIT NLA - 5'' (127 mm) long - Order Ref. 32

Выбрано товаров: 0