Запчасти Bobcat 800s LIFT & TILT CONTROL CIRCUITRY (S/N 514147759, 514241034, 517912083 & Above) HYDRAULIC SYSTEM

Схема запчастей Bobcat 800s - LIFT & TILT CONTROL CIRCUITRY (S/N 514147759, 514241034, 517912083 & Above) HYDRAULIC SYSTEM
FIT
1:1
100%

Артикул

Название

Примечание

Количество

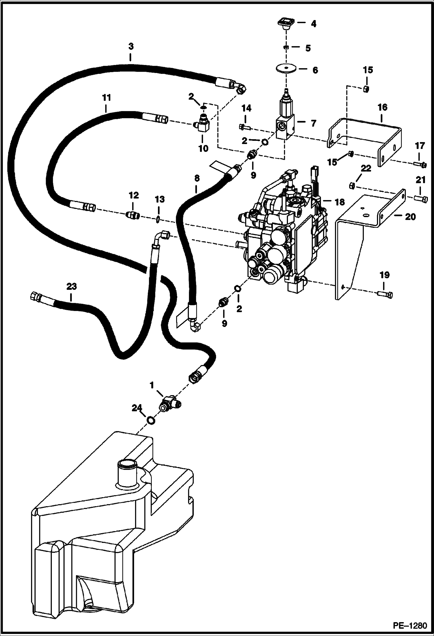
1

21KB0808

FTG HYD STRAIGHT TEE W/Ref. 24 - Was 21KV00006B - A

1

97K8

O-RING flared end

2

99K6

O RING tapered boss face

2

79K6

O RING 10 flat boss face

3

6725440

HOSE

4

6737524

KNOB red square - Was 6668913 - A

5

7D4

NUT

6

6707101

SEAL neoprene

7

7230495

VALVE, LIFT MANUAL See Illustration MANUAL LIFT RELEASE VALVE/ PE1547 - manual lift release - Was 6667844 - A

8

6716124

HOSE 20'' (508 mm) long

8

6729602

HOSE 21'' (533 mm) long - available only as an assembly W/two danger decals installed

8

6809511

DECAL, DANGER

9

15KB0606

FITTING, HYD CONNECTOR W/Ref. 2

9

97K6

O RING flared end

10

6725182

TEE W/Ref. 2 - Check Boss Face to Determine Correct Replacement O-Ring

11

6589723

HOSE

12

90K8

PLUG W/Ref. 13 - Was 90KV00008B - A

12

97K12

O'RING flared end

13

95K12

O-RING

14

17C428

BOLT

15

83D4

NUT 10

16

6719936

BRACKET

17

35C416

BOLT

18

VALVE See Illustration HYDRAULIC CONTROL VALVE/ MS1603 See Illustration HYDRAULIC CONTROL VALVE/ MS1602 - control

19

6717378

BOLT

20

6735728

MOUNT Was 6727751 - A

21

35C616

BOLT 5

22

85D6

NUT, 5

23

6725090

HOSE

24

99K8

O-RING

Выбрано товаров: 30