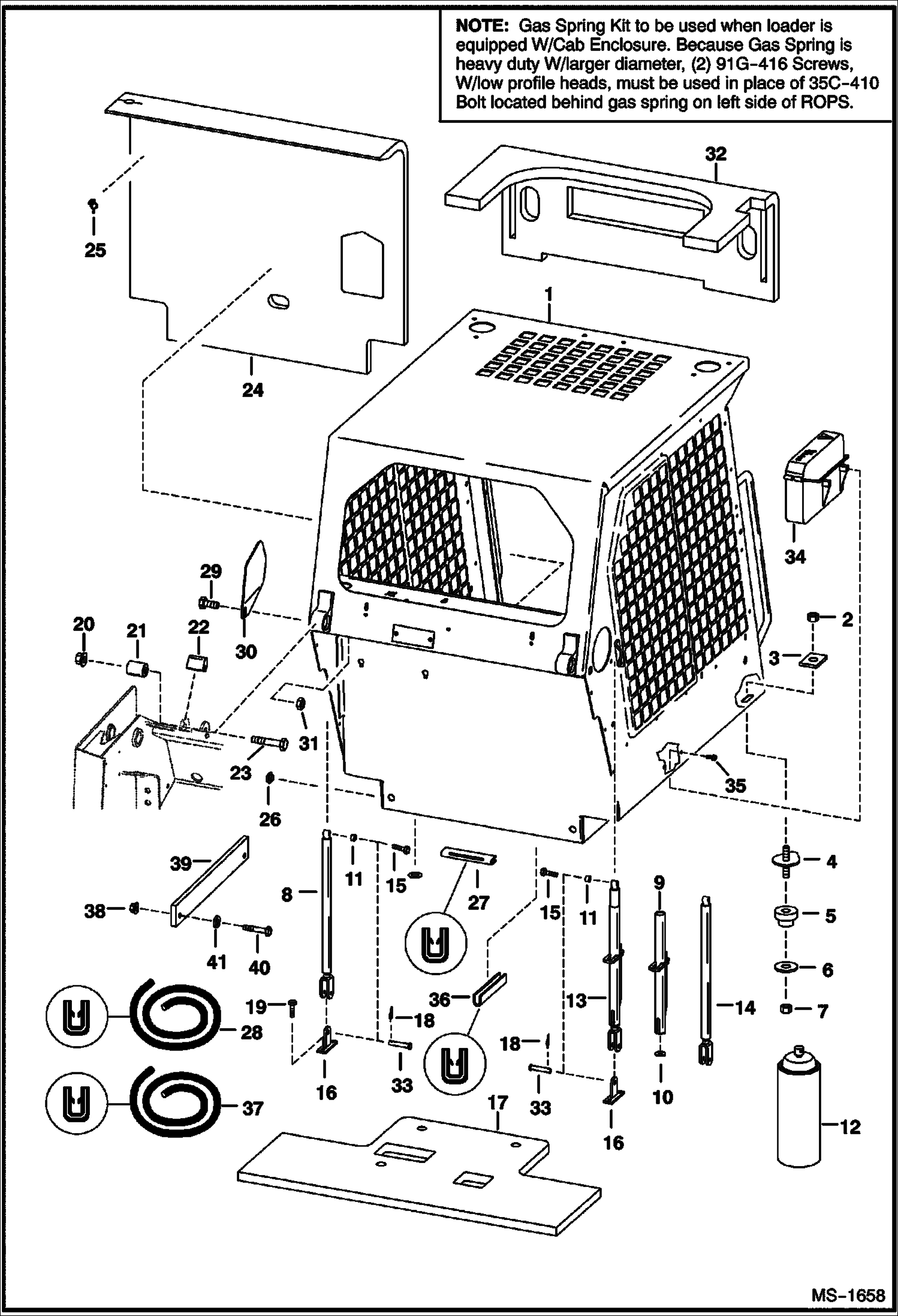
Запчасти Bobcat 800s OPERATOR CAB MAIN FRAME

Схема запчастей Bobcat 800s - OPERATOR CAB MAIN FRAME
FIT
1:1
100%

Артикул

Название

Примечание

Количество

1

6701957

OPERATOR CAB Does NOT include cab decals

2

59D8

NUT 5

3

6553709

WASHER

4

6702971

BOLT

5

6560633

DAMPENER

6

6515817

WASHER

7

85D8

NUT, 5

8

6667834

GAS SPRING LH - also order clevis 6675258 & decal 6577754 - Was 6664205 - C

9

6708189

TUBE stop - also order decal 6577754 & 6578368

10

6701174

WASHER

11

6567604

SPACER

12

6652818

ADHESIVE insulation - 24 oz. spray can

13

GAS SPRING NLA - Order Ref. 9,10 & 14

14

6667835

GAS SPRING RH - also order clevis 6675257 & 6577754 decal - Was 6700171 - C

14

GAS SPRING NSS - heavy duty - for cab W/enclosure - Order Ref. 1 on Ill. B15128

15

6567743

PIN

16

6710750

MOUNT Was 6706349 - C

17

6715095

INSULATION seat pan - Use W/Ref. 12 - Was 6706982 - A

18

6631418

RING, RETAINING

19

84G3112

BOLT 5

20

53D10

NUT Was 83D000010B - B

21

6562602

BUSHING rubber

22

6579613

STOP cab tilt

23

17C1056

BOLT

24

6708682

INSULATION seat back - Use W/Ref. 25

25

6664310

CLIP insulation

26

6664374

PLUG heater hole

27

MOULDING NLA - 6'' (152mm) long - Order Ref. 28

28

6512686

MOULDING bulk - Sold Per Foot

29

17C512

BOLT 5

30

6707879

COVER

31

83D5

NUT 5

32

INSULATION NLA - Was 6706345 - A

32

6714470

INSULATION cut to fit

33

4F5062

PIN

34

6708827

CONTAINER manuals

35

6702642

SCREW

36

MOULDING NLA - front corners of cab seat pan - 10.5'' (266mm) long - Order Ref. 37

37

6654139

MOULDING bulk - sold per foot

38

83D4

NUT 10

39

6736126

COVER

40

35C410

BOLT 5

41

25E13

WASHER 5

Выбрано товаров: 43