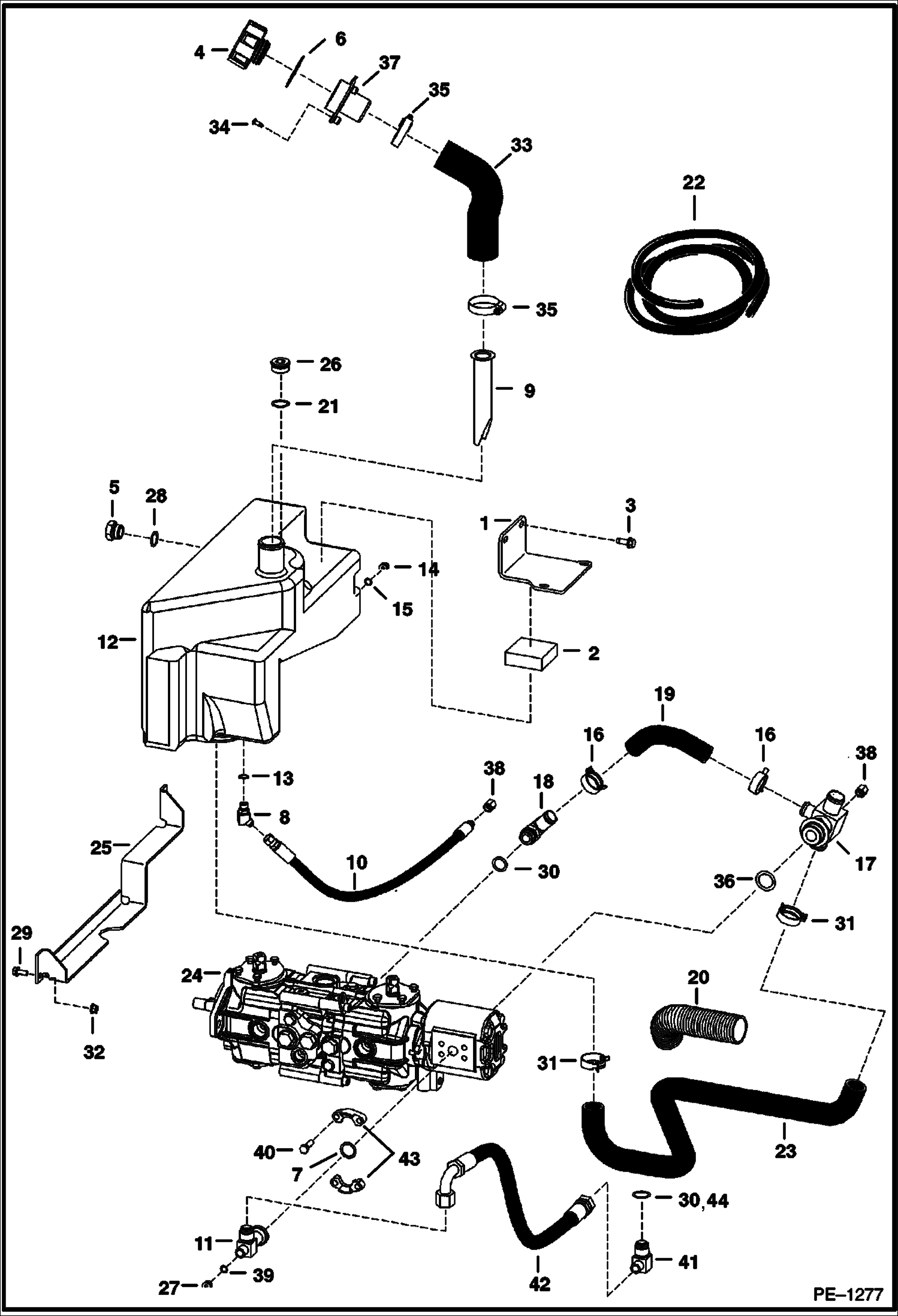
Запчасти Bobcat 800s HYDROSTATIC CIRCUITRY (W/Tank) (S/N 514147759, 514241034, 517912083 & Above) HYDROSTATIC SYSTEM

Схема запчастей Bobcat 800s - HYDROSTATIC CIRCUITRY (W/Tank) (S/N 514147759, 514241034, 517912083 & Above) HYDROSTATIC SYSTEM
FIT
1:1
100%

Артикул

Название

Примечание

Количество

1

6715079

BRACKET

2

6716449

PAD

3

84G3716

SCREW 5

4

6727475

CAP, OIL HYD breather & fill - Also Order Ref. 6

5

6665915

GAUGE sight - W/Ref. 28

6

6700631

GASKET

7

55K214

O-RING

8

18KB0606

FITTING, HYD ELBOW W/Ref. 13 - tapered boss face - Was 18KV00005B - A

8

97K6

O RING flared end

9

7120881

SCREEN, FILLER Was 6569219 - A

10

6708560

HOSE

11

7103953

TEE split flange - Was 6717662 - A

11

97K12

O'RING flared end

12

6725423

TANK hydraulic

13

99K6

O RING tapered boss face

14

90K7

PLUG W/Ref. 15 - Was 90KN00007B - A

15

95K10

O-RING

16

5HM35

HOSECLAMP

17

6719378

TEE W/Ref. 36 - flat boss face - used with aluminium gear pump

17

6718882

TEE W/Ref. 36 - tapered boss face - used with cast iron gear pump

18

6715718

ELBOW W/Ref. 30

19

6718885

HOSE Use with aluminium gear pump

19

6729487

HOSE Use with cast iron gear pump

20

SHIELD NLA - 10'' (254mm) long - Order Ref. 22

21

79K16

O RING 10

22

6705749

SHIELD bulk - sold per foot

23

6725127

HOSE Use with aluminium gear pump

23

6729485

HOSE Use with cast iron gear pump

24

PUMP See Illustration HYDROSTATIC PUMP/ B25288 See Illustration HYDROSTATIC PUMP/ B17765A

25

6707921

BRACKET

26

47K10

PLUG W/Ref. 21 - for flushing hole in tank

27

90KV5

PLUG W/Ref. 39

28

99K6

O RING flat boss face

29

35C512

BOLT

30

99K12

O RING

31

5HM40

HOSECLAMP

32

83D5

NUT 5

33

6706445

HOSE

34

6706517

SCREW

35

42HL250

CLAMP

36

79K20

O RING 10 tapered boss face - Was 99K-16 - B

37

INLET See BTI412 - NLA - Was 6706354 - A

38

36K5

CAP

39

95K6

O'RING

40

17C620

BOLT

41

17KB1212

FITTING, HYD ELBOW W/Ref. 30 - Tapered Boss Face - Was 17KV00008B - A

41

97K12

O'RING flared end

41

17KB1212

FITTING, HYD ELBOW W/Ref. 44 - Flat Boss Face

42

6736649

HOSE, HYD ASSY Was 6729160 - A

43

19J12

CLAMP

44

79K12

O RING 10

Выбрано товаров: 51