Запчасти Bobcat 800s HYDROSTATIC PUMP (2-Speed) (Right Half) HYDROSTATIC SYSTEM

Схема запчастей Bobcat 800s - HYDROSTATIC PUMP (2-Speed) (Right Half) HYDROSTATIC SYSTEM
FIT
1:1
100%

Артикул

Название

Примечание

Количество

1

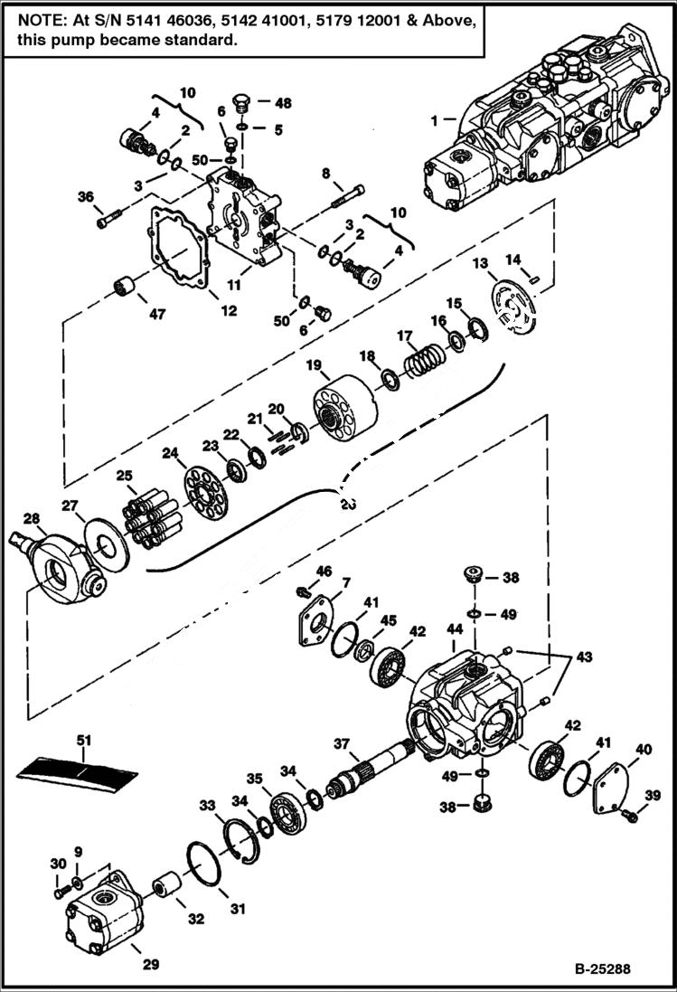
PUMP, HYD TANDEM NLA - Model 4445066 - complete W/aluminum gear pump - standard flow - must use 6576196 bracket & 6706096 bracket from original pump - Order 6689135 pump & 6675660 gear pump or 6674692

1

6674692REM

PUMP, HYD TANDEM, W/O GEAR PUMP

1

PUMP NLA - complete W/ cast iron gear pump - Model 4445098 - standard flow - must use brackets 6576196 & 6706096 from old pump - Order 6689135 Hydrostat & 6687867 Gear Pump - Was 6681936 - A

1

PUMP, HYD TANDEM NLA - Model 4445067 - complete W/aluminum gear pump - high flow - must use 6576196 bracket & 6706096 bracket from original pump - Order 6689135 pump & 6675661 gear pump or 6674692REM

1

6674693REM

PUMP, HYD TANDEM, W/O GEAR PUMP

1

PUMP, HYD 2-SPEED NLA - Model 4445099 - complete W/cast iron gear pump - high flow - must use 6576196 bracket & 6706096 bracket from original pump - Order 6689135 pump & 6687868 gear pump or 6674692RE

1

6677657REM

PUMP, HYD 2-SPEED, W/O GEAR PUMP

1

6689135

HYDROSTAT W/O Gear Pump

2

6657028

O-RING

3

79K8

O RING 10

4

PLUG NLA - Order Ref. 4

5

79K10

O RING 10 Was 79K000014B - B

6

6645086

PLUG

7

6657067

COVER

8

6650637

BOLT Was 6650674 - A

9

6518483

WASHER

10

6670685

RELIEF VALVE 5000 PSI (345 bar) - Was 6689601 - A

11

6669405

CAP, END

12

6650634

GASKET

13

6676148

PLATE, VALVE

14

6650636

PIN

15

RETAINER NLA - Order Ref. 26

16

WASHER NLA - Order Ref. 26

17

SPRING NLA - Order Ref. 26

18

WASHER NLA - Order Ref. 26

19

BLOCK NLA - Order Ref. 26

20

6650630

RETAINER

21

6650629

PIN

22

6666338

WASHER

23

RETAINER NLA - Order Ref. 26

24

RETAINER NLA - Order Ref. 26

25

PISTON ASSY. NLA - Order Ref. 26

26

6675341

GROUP, ROTARY Ref. 15 - 25

27

6650627

PLATE

28

6685344

SWASHPLATE W/threaded shaft hole - Was 6671513 - A

29

GEAR PUMP See Illustration GEAR PUMP/ MS2226 See Illustration GEAR PUMP/ MS1605 - standard flow

29

GEAR PUMP See Illustration HIGH HORSEPOWER HYDRAULICS/ B16391 See Illustration HIGH HORSEPOWER HYDRAULICS/ MS1604 - high flow

30

17C620

BOLT

31

6645080

O-RING For Model 4445066, 4445098, 4445099

31

6660339

GASKET For Model 4445067

32

6676146

COUPLING

33

669863

RING, SNAP

34

658128

RING, SNAP

35

654299

BEARING

36

6652018

BOLT

37

6669407

SHAFT

38

47K8

PLUG W/Ref. 49

39

6650668

BOLT

40

6657068

COVER

41

6660814

O-RING

42

6669411

BEARING

43

6675342

PIN

44

6669403

HOUSING

45

6678226

SEAL, OIL Was 6673881 - A

46

1CM820

BOLT

47

6650635

BEARING

48

24K7

PLUG W/Ref. 5

49

79K12

O RING 10

50

6661481

O-RING

51

6671516

KIT, SEAL See Illustration HYDROSTATIC PUMP/ B17765A Ref. 7, 9, 13, 34, 35, 42, 43, 45 & 46 - Also Includes Ref. 2, 3, 12 & 41 on this Illustration

Выбрано товаров: 60