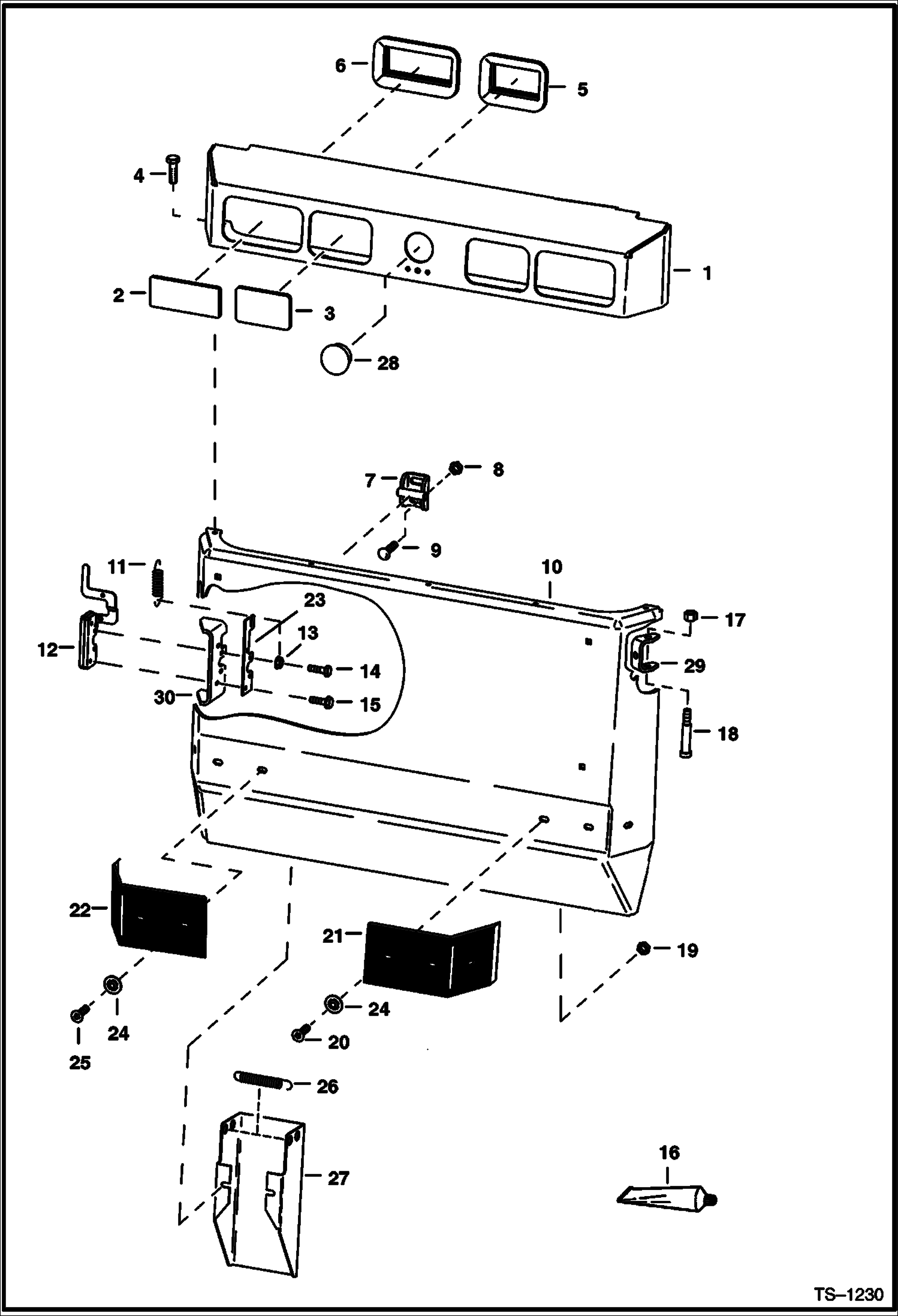
Запчасти Bobcat 800s REAR DOOR (S/N 5141 15365 & 5142 13009 & Below) MAIN FRAME

Схема запчастей Bobcat 800s - REAR DOOR (S/N 5141 15365 & 5142 13009 & Below) MAIN FRAME
FIT
1:1
100%

Артикул

Название

Примечание

Количество

1

6707713

HOOD steel

2

6708587

COVER

3

6708588

COVER

4

84G3716

SCREW 5

5

6703796

MOUNT light

6

6705980

MOUNT light - for 7'' (178mm) wide hole

6

6705774

MOUNT light - for 6'' (152mm) wide hole

7

6715157

STRIKER ASSY. Was 6579969 - A

8

83D8

NUT 5

9

37C820

BOLT

10

6708624

REAR DOOR

11

6563128

SPRING

12

6649420

LATCH, REAR DOOR

13

57D4

NUT

14

17C424

BOLT

15

31C420

BOLT 5

16

6649835

ADHESIVE Use W/Ref. 21 & 22

17

59D6

NUT

18

38C856

BOLT

19

57D6

NUT 5

20

9G628

BOLT 5

21

6577400

BUMPER bond W/Ref. 16

22

6577401

BUMPER bond W/Ref. 16

23

6704464

GUIDE latch

24

6704332

WASHER

25

9G636

BOLT 5

26

6700743

SPRING

27

6709379

TOOL HOLDER Was 6705100 - A

28

6718796

PLUG Was 6660646 - A

29

6577395

HINGE Was 6597395 - D

30

6700279

BRACKET weld-on

Выбрано товаров: 31