Запчасти Bobcat 800s PANELS MAIN FRAME

Схема запчастей Bobcat 800s - PANELS MAIN FRAME
FIT
1:1
100%

Артикул

Название

Примечание

Количество

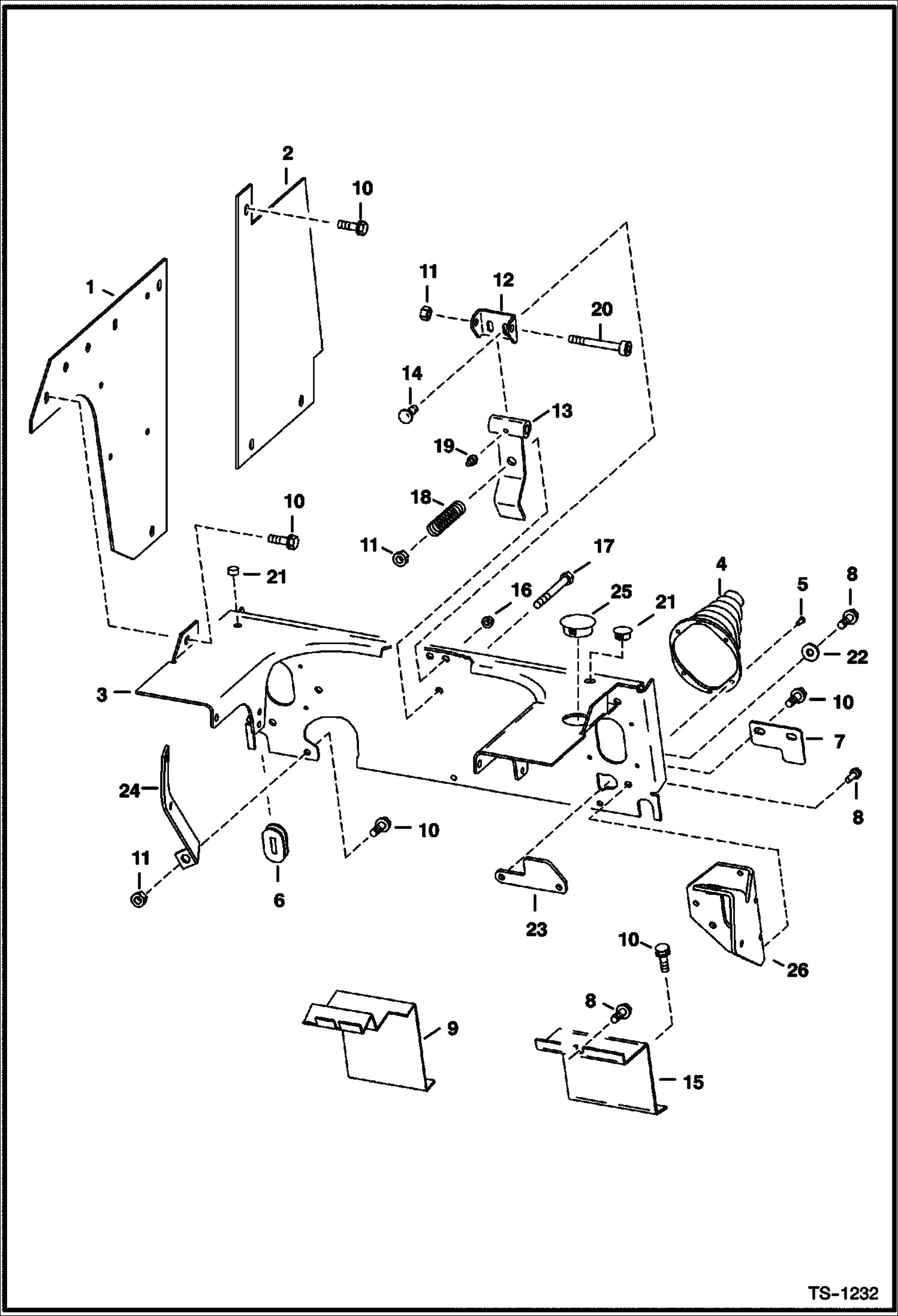
1

6710325

PANEL Was 6708510 - A

2

6706335

PANEL

3

6706336

PANEL

3

6716013

PANEL

4

6532127

BOOT

5

6630207

RIVET 5

6

6577961

GROMMET

7

6707344

COVER

8

84G3716

SCREW 5

9

6706331

PANEL

10

84G3712

BOLT 5

11

95D6

NUT Was 91D000006B - A

12

6701951

MOUNT

13

6701950

ARM

14

10C512

BOLT

15

6706330

PANEL

16

59D5

NUT 5

17

17C664

BOLT

18

6505082

SPRING

19

10H25

FITTING, GREASE 5

20

38C836

BOLT

21

6657719

PLUG 0.75'' dia hole - Was 6649949 - B

22

616783

WASHER

23

6703330

LEVER stop

23

6707344

COVER stop - Was 6713343 - B

24

6703551

BRACE See Illustration HAND CONTROLS/ E2233

25

6707674

PLUG

26

BRACKET See Illustration HAND CONTROLS/ B18406 - RH - Was 6733022 - A

26

BRACKET See Illustration HAND CONTROLS/ B18406 - LH - Was 6733024 - A

Выбрано товаров: 29