Запчасти Bobcat 800s POWER BOB-TACH KIT (Hydraulic Assisted) (S/N 517912141 & Bel, 514241079 & Bel, 514149733 Std. Flow & Bel, 514149136 Hi. Flow & Below) ACCESSORIES & OPTIONS

Схема запчастей Bobcat 800s - POWER BOB-TACH KIT (Hydraulic Assisted) (S/N 517912141 & Bel, 514241079 & Bel, 514149733 Std. Flow & Bel, 514149136 Hi. Flow & Below) ACCESSORIES & OPTIONS
FIT
1:1
100%

Артикул

Название

Примечание

Количество

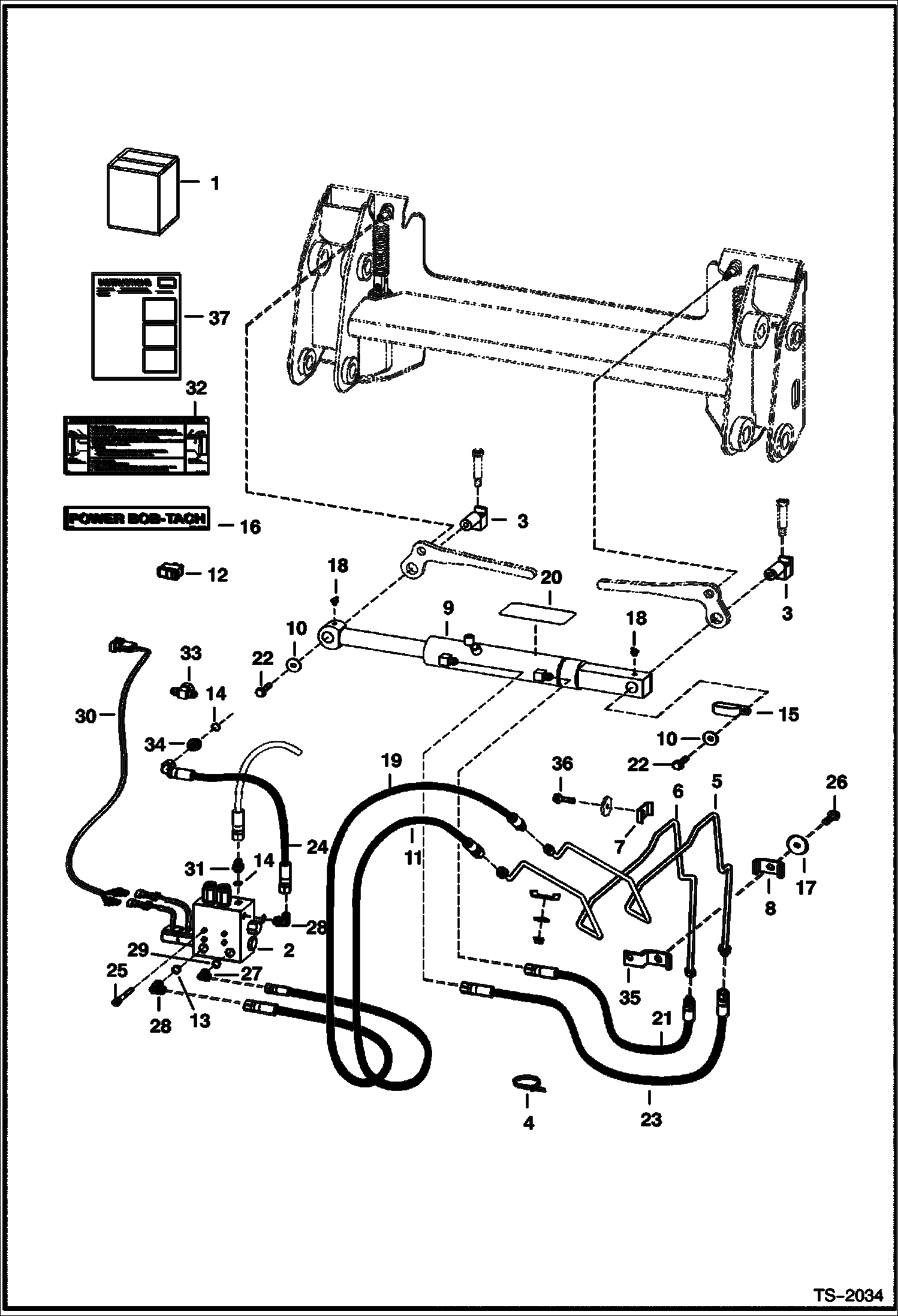
1

6719842

KIT Ref. 2-37

2

MANIFOLD See Illustration POWER BOB-TACH/ TS2051

3

6731119

PIVOT, WEDGE Not in kit - Was 6714576 - A

4

6624289

STRAP, TIE

5

6718478

TUBELINE

6

6718479

TUBELINE

7

6502203

CLAMP

8

6800262

CLAMP

9

CYLINDER See Illustration POWER BOB-TACH/ PE1064A See Illustration POWER BOB-TACH/ PE1064

10

619021

WASHER, 5

11

6719451

HOSE

12

6674585

SWITCH horizontal

12

6676732

SWITCH vertical

13

99K6

O RING tapered boss face

13

79K12

O RING 10 flat boss face

14

99K12

O RING Tapered Boss Face

14

79K12

O RING 10 Flat Boss Face

15

31H42

CLIP

16

6719888

DECAL power bob-tach

17

6563914

WASHER Was 872229 - B

18

11H15

GREASE FITTING 45 degree

18

10H35

FITTING, GREASE 10 straight

19

6718358

HOSE

20

6554100

TREAD 76,2 x 152,4 mm (3 x 6'')

21

6719602

HOSE

22

35C616

BOLT 5

23

6729202

HOSE Was 6719603 - A

24

6719605

HOSE

25

73G656

SCREW

26

84G3728

BOLT Was 35C000632B - B

27

17KB0404

FTG HYD ELBOW 90 W/Ref. 29 - Was 17KV00003B - A

27

97K4

O'RING flared end

27

17KB0404

FTG HYD ELBOW 90

28

17KB0606

FITTING tapered boss face - W/Ref. 13 - Was 17KV00005B - A

28

97K6

O RING flared end

28

17KB0606

FITTING W/Ref. 13 - flat boss face

29

99K4

O'RING tapered boss face

29

79K4

O RING 10 flat boss face

30

6718652

HARNESS

31

15KB1212

FITTING, HYD CONNECTOR W/Ref. 14 - tapered boss face - Was 15KV00008B - A

31

97K12

O'RING flared end

31

15KB1212

FITTING, HYD CONNECTOR W/Ref. 14 - flat boss face

32

6725907

DECAL, OPERATION power Bob-Tach

33

14K5

TEE for standard machine W/rear aux. - Was 14KN-5 - A

34

ADAPTER NLA - W/Ref. 14 - Tapered Boss Face - Was 6715186 - A

34

14K5

TEE W/Ref. 14 - For High Flow Machines

34

97K6

O RING flared end

34

15KB0612

FITTING, HYD CONNECTOR W/Ref. 14 - Flat Boss Face

35

6726930

CLAMP

36

17C640

BOLT 5

37

6900952

INSTRUCTIONS

Выбрано товаров: 51