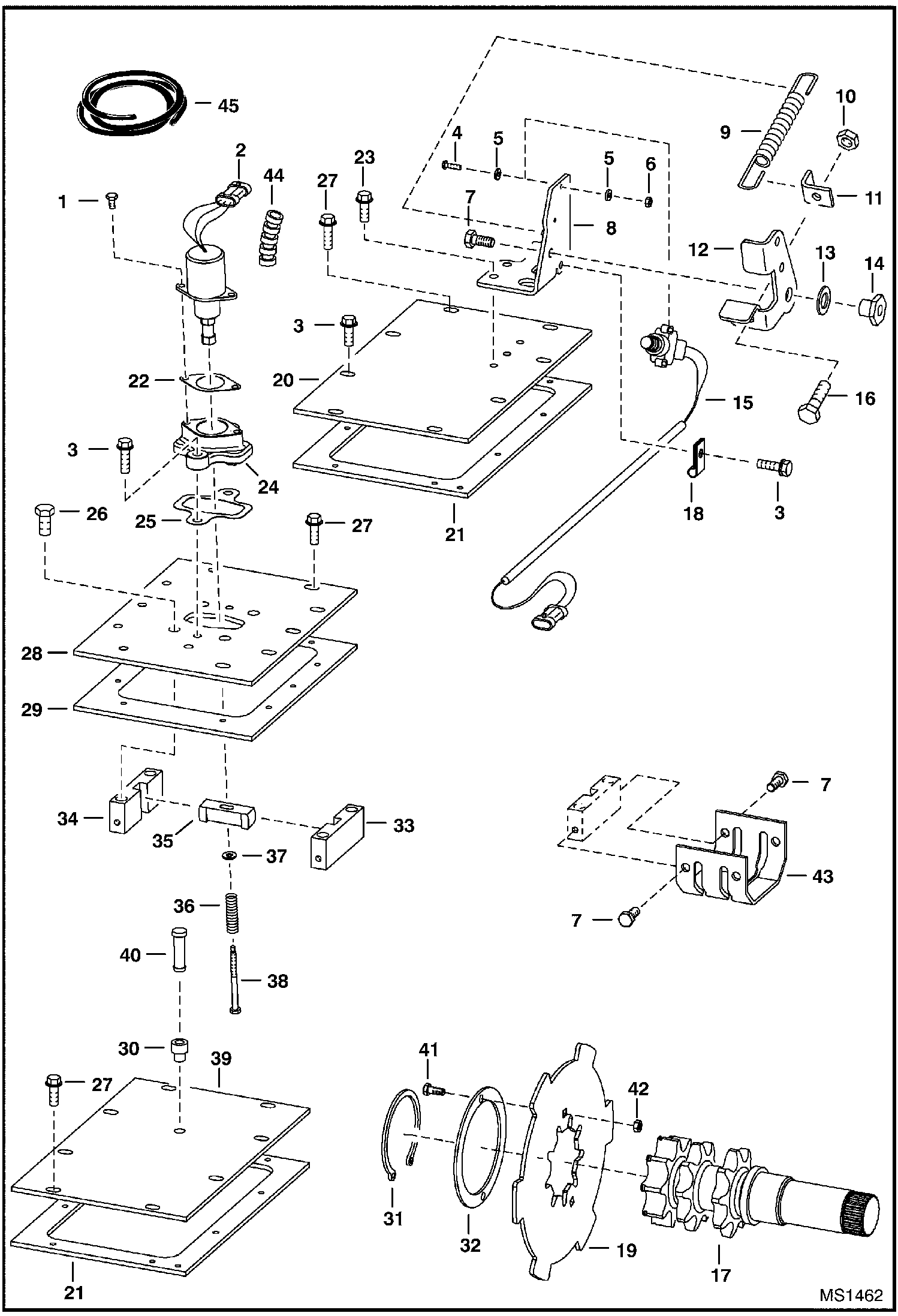
Запчасти Bobcat 800s DISC BRAKE DRIVE TRAIN

Схема запчастей Bobcat 800s - DISC BRAKE DRIVE TRAIN
FIT
1:1
100%

Артикул

Название

Примечание

Количество

1

17C412

BOLT 5

2

6681512

SOLENOID W/Ref. 44 - Was 6667992 - A

3

84G3712

BOLT 5

4

23G812

SCREW

5

25E8

WSHR

6

12D8

NUT

7

17C610

BOLT

8

6707313

PEDAL MOUNT

9

6585860

SPRING

10

95D6

NUT Was 91D000006B - A

11

6707315

ANGLE

12

6707314

PEDAL brake

13

6700170

WASHER plastic

14

6559479

NUT

15

6707337

SWITCH, LOCK TRACTION W/cover and connector

15

6664880

SWITCH

16

17C620

BOLT

17

6706805

SHAFT, TRANS See Illustration MOTOR CARRIER/ TS1227

18

30H23

CLAMP

19

BRAKE See Illustration BRAKE KIT/ MS1661 - NLA - disc - Order 6715476 kit - Was 6710359 - A

19

BRAKE See Illustration BRAKE KIT/ MS1661 - NLA - disc - 4 lobe - W/Ref. 32 welded to it - Order 6715476 it - Was 6710766 - A

19

6715630

BRAKE See Illustration BRAKE KIT/ MS1661 - disc - 6 lobe - W/Ref. 32 welded to it

20

6578505

COVER

21

6703097

GASKET, TRANS COVER

22

6706737

GASKET

23

84G3720

BOLT

24

6706718

MOUNT

25

6708016

GASKET

26

47C820

BOLT Was 17C000820B - B

27

84G3716

SCREW 5

28

6706683

COVER

29

6708070

GASKET, COVER BRAKE

30

6553411

BUSHING

31

6662298

RING, RETAINER Was 6658672 - B,D

32

6710195

PLATE not Use W/Ref. 19 (NLA/6710766 Brake)

33

6719057

BLOCK guide - RH - Was 6705898 - B

34

6719056

BLOCK guide - LH - Was 6705897 - B

35

6705896

GUIDE for 4 lobe brake disc

35

6714278

WEDGE, LOCK TRACTION for 6 lobe brake disc

36

6708018

SPRING

37

25E13

WASHER 5

38

6708267

BOLT

39

6700330

COVER

40

6680970

BREATHER See Illustration MAIN FRAME/ TS1231 - Was 6670627 - A

41

37C512

BOLT carriage

42

59D5

NUT 5

43

GUIDE See Illustration BRAKE KIT/ MS1661 - NLA - Order 6715476 kit

44

CONDUIT NLA - 5''(127 mm) long - Order Ref. 45

45

6584978

CONDUIT bulk - sold per foot

Выбрано товаров: 49