Качественные детали и логистика
Оригинальные и аналоговые запчасти с доставкой по России, Казахстану и Беларуси
©2022 PartSell ООО "Система" ИНН 2463123282 ОГРН 1212400004838
Центральный офис: г. Красноярск, Академика Киренского, д.87, пом.4
Телефон: 8 (800) 777-65-74 Email: zakaz@partsell.ru
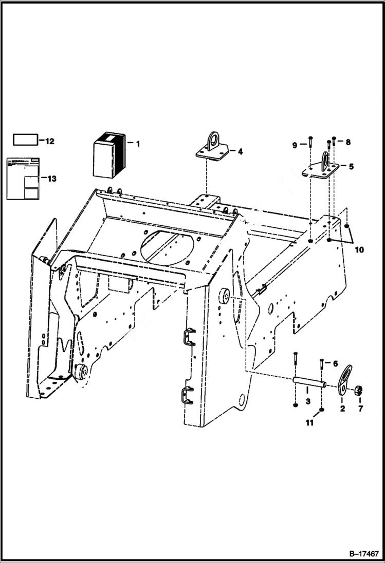
LIFT KIT (Four Point)
№
Артикул
Название
Примечание
Количество
1
6726717
KIT, LIFT 4-POINT Ref. 4-13
2
6726908
LIFT EYE
3
6726907
PIN
4
6726716
BRACKET L.H.
5
6726715
BRACKET R.H.
6
17C652
BOLT
7
4D28
NUT
8
35C824
9
31C832
BOLT Was 35C832 - A
10
83D8
NUT 5
11
87D5
12
6726423
DECAL, WARNING check before lifting
13
6724488
INSTRUCTIONS
Выбрано товаров: 0