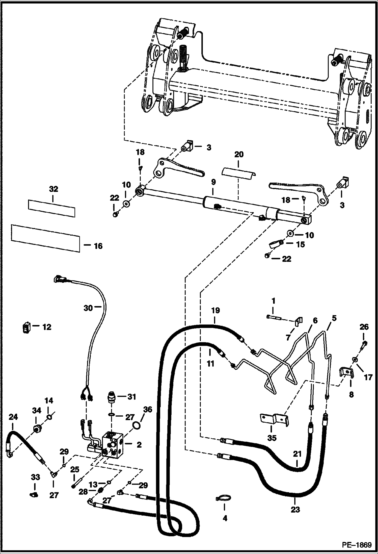
Запчасти Bobcat 800s BOB-TACH (Hydraulic Assisted) MAIN FRAME

Схема запчастей Bobcat 800s - BOB-TACH (Hydraulic Assisted) MAIN FRAME
FIT
1:1
100%

Артикул

Название

Примечание

Количество

1

17C640

BOLT 5

2

MANIFOLD See Illustration POWER BOB-TACH/ TS2051

3

6731119

PIVOT, WEDGE

4

6624289

STRAP, TIE

5

6718478

TUBELINE

6

6718479

TUBELINE

7

6502203

CLAMP

8

6800262

CLAMP

9

CYLINDER See Illustration POWER BOB-TACH/ PE1064A See Illustration POWER BOB-TACH/ PE1064

10

619021

WASHER, 5

11

6719451

HOSE

12

6676732

SWITCH verticle

13

99K6

O RING

14

99K12

O RING tapered boss face

14

79K12

O RING 10 flat boss face

15

31H42

CLIP

15

30H85

CLAMP

16

6719888

DECAL

17

6563914

WASHER

18

11H25

FITTING10 Was 11H000015B - A

19

6729733

HOSE Was 6718358 - B

20

6554100

TREAD 76,2 x 152,4 mm (3 x 6'')

21

6719602

HOSE

22

35C616

BOLT 5

23

6719603

HOSE

24

6806403

HOSE Was 6719605 - B

25

73G656

SCREW

26

84G3728

BOLT

27

17KB0404

FTG HYD ELBOW 90 W/Ref. 29 - Was 17KV00003B - A

27

97K4

O'RING flared end

28

15KB0606

FITTING, HYD CONNECTOR W/Ref. 13

28

97K6

O RING flared end

29

99K4

O'RING

30

6730770

HARNESS Was 6718652 - B

31

15KB1212

FITTING, HYD CONNECTOR W/Ref. 14 - Was 15KV00008B - A

31

97K12

O'RING flared end

32

6725907

DECAL, OPERATION power Bob-Tach

33

14K5

TEE for standard machine W/rear aux. - Was 14KN00005B - A

34

ADAPTER NLA - W/Ref. 14 - tapered boss face - Was 6715186 - A

34

14K5

TEE W/Ref. 14 - for machine w/rear aux hyd.

34

97K6

O RING flared end

34

15KB0612

FITTING, HYD CONNECTOR W/Ref. 14 - flat boss face

35

6726930

CLAMP

36

55K214

O-RING

Выбрано товаров: 44