Качественные детали и логистика
Оригинальные и аналоговые запчасти с доставкой по России, Казахстану и Беларуси
©2022 PartSell ООО "Система" ИНН 2463123282 ОГРН 1212400004838
Центральный офис: г. Красноярск, Академика Киренского, д.87, пом.4
Телефон: 8 (800) 777-65-74 Email: zakaz@partsell.ru
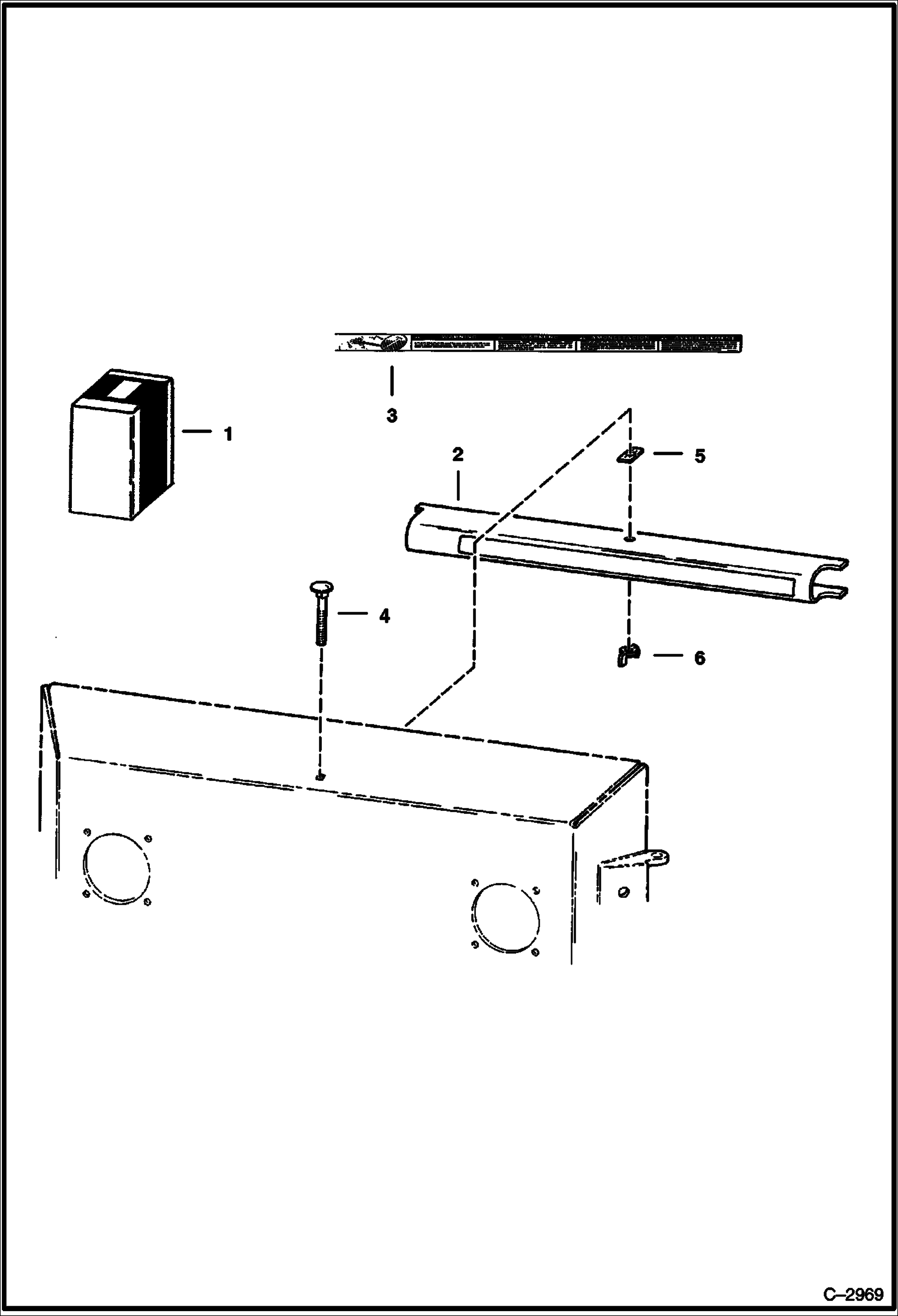
LIFT ARM STOP
№
Артикул
Название
Примечание
Количество
1
6568980
KIT Ref. 2 - 6
2
6567667
STOP W/Ref. 3
3
6563423
DECAL
4
7C652
BOLT
5
6512909
CLIP
6
16D6
NUT
Выбрано товаров: 0