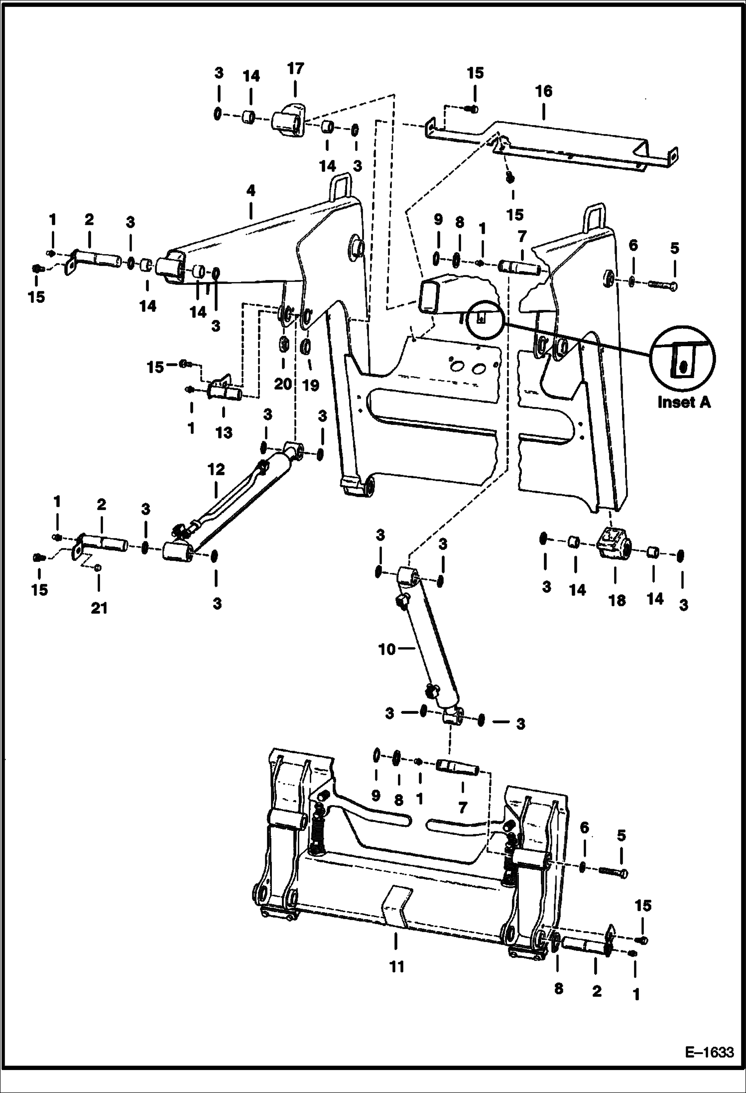
Запчасти Bobcat 900s LIFT ARMS & BOB-TACH MAIN FRAME

Схема запчастей Bobcat 900s - LIFT ARMS & BOB-TACH MAIN FRAME
FIT
1:1
100%

Артикул

Название

Примечание

Количество

1

10H25

FITTING, GREASE 5

2

6569479

PIN

3

6631067

SEAL, OIL

4

LIFT ARMS NLA - Order 6595466 - remove lift arm stop mount (See Inset A) - Was 6575921 - A

5

17C1256

BOLT

6

6576033

WASHER Was 6558465 - A

7

6565864

PIN

8

6584872

WASHER

9

6538285

LOCK RING Was 1305943B - A

10

6593384

CYLINDER See Illustration TILT CYLINDER/ B7522 - tilt

11

BOB-TACH See Illustration BOB-TACH/ D1701

12

CYLINDER See Illustration LIFT CYLINDER/ B17793 See Illustration LIFT CYLINDER/ B7523 - lift

13

6569480

PIN

14

6560334

BUSHING

15

84G3712

BOLT 5

16

6565951

STEP

17

6575920

PIVOT ASSY Weld On - W/Ref. 14 - Was 6568619 - A

17

LEVER NLA - LH - Order 6569629 - Was 6565855 - A

18

6575966

PIVOT ASSY Weld On - W/Ref. 14 - Was 6565952 - A

19

6565909

BUSHING Weld On

20

6565862

BUSHING Weld On

21

6658100

NUT

Выбрано товаров: 0