Запчасти Bobcat 900s DRIVE TRAIN DRIVE TRAIN

Схема запчастей Bobcat 900s - DRIVE TRAIN DRIVE TRAIN
FIT
1:1
100%

Артикул

Название

Примечание

Количество

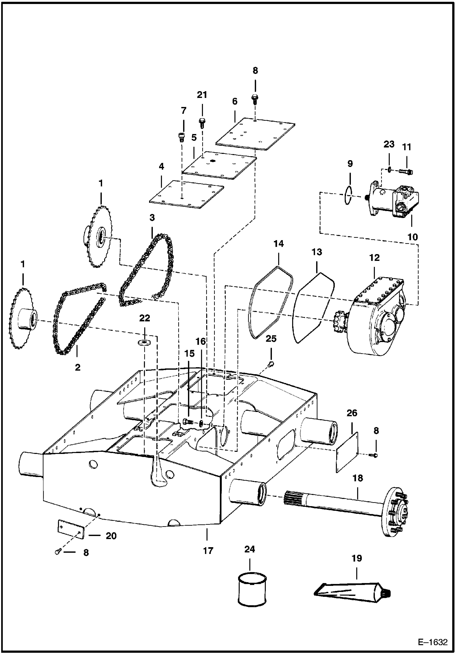
1

6565742

SPROCKET

2

6568934

CHAIN W/Connector Link - Rear - Std.

2

LINK NLA - Connector - diamond - std. #120 - 40 patches - Order 6631926 - Was 6631925 - A

2

6631926

LINK connector - Tsubaki

3

6568933

CHAIN W/Connector Link - Front HS - #120 - 54 Pitches

3

6567119

LINK connector - Diamond HS

3

6631640

LINK connector - Tsubaki

4

6587452

COVER Was 6567176 - A

5

6567175

COVER

6

6567174

COVER

7

P562516

FLR BRTHR Was 6512927 - A

7

6632601

BREATHER breather 1/8'' thread

8

84G3712

BOLT 5

9

25K30400

O RING 10 Not used on some Gearboxes

10

6655435

MOTOR See Illustration HYDROSTATIC MOTOR/ B17709 - Was 6630132 - A

11

93G832

BOLT Was 93G000828B - B

12

6569837

GEARBOX See Illustration GEARBOX/ B17792 - Was 6565821 - A

13

6567171

O-RING

14

6569090

RETAINER

15

17C1228

BOLT Was 17C001224B - B

16

6576033

WASHER Was 6558465 - A

17

CHAINCASE NLA - Order 6589703 - rework valve mounting plate - Was 6567027 - A

18

AXLE See Illustration AXLE/ D1699

19

6650388

SEALANT gearcase covers - Was 1802303B - A

20

6569064

COVER

21

84G3720

BOLT

22

6571695

MAGNET ceramic

23

6701097

WASHER Was 6803867 - A

24

6632501

SEALANT Use to fill seam on top of chaincase

25

6731121

PLUG Was 11F12 - A

26

6538381

PLATE

Выбрано товаров: 31