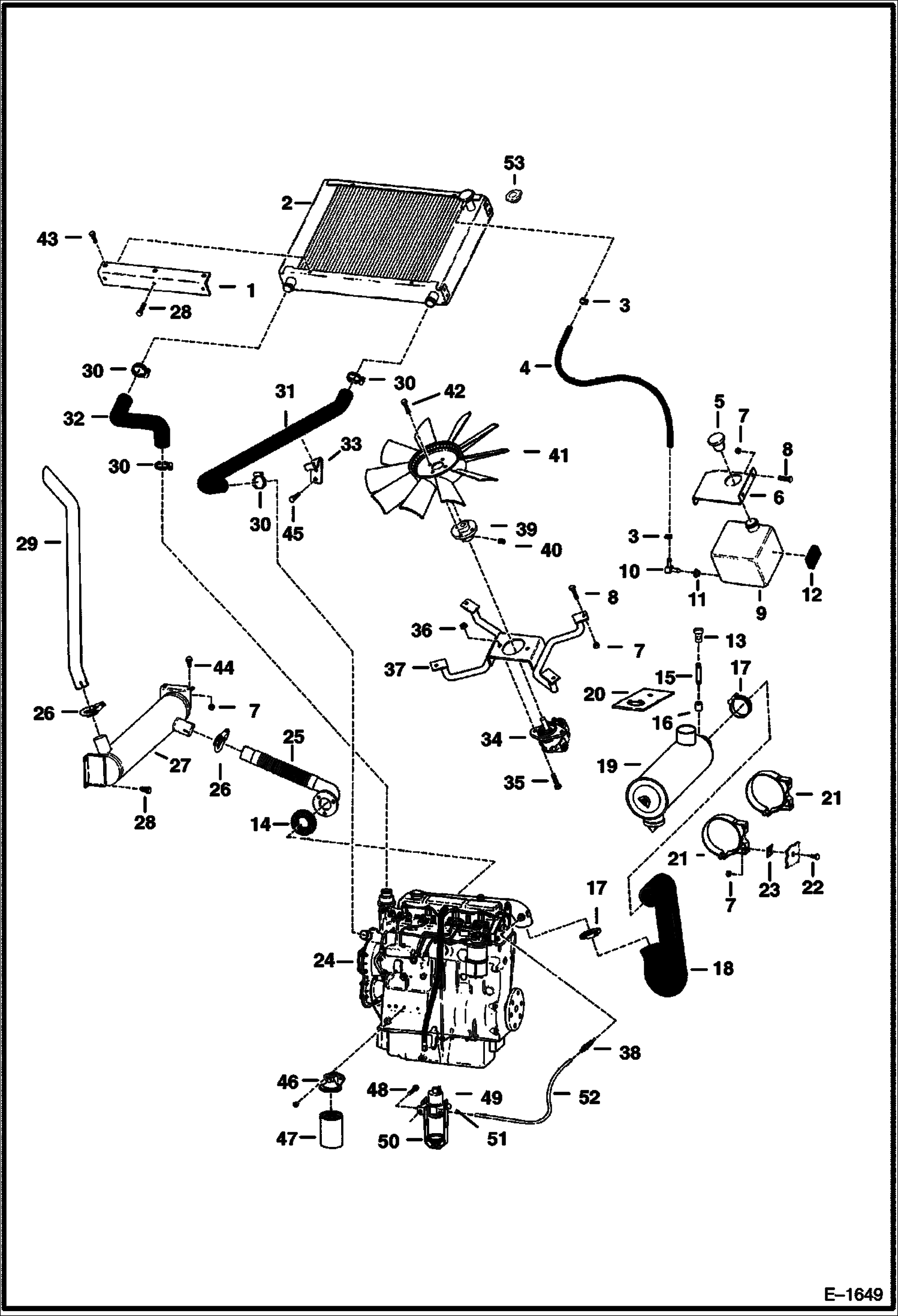
Запчасти Bobcat 900s ENGINE & ATTACHING PARTS (S/N 11999 & Below) POWER UNIT

Схема запчастей Bobcat 900s - ENGINE & ATTACHING PARTS (S/N 11999 & Below) POWER UNIT
FIT
1:1
100%

Артикул

Название

Примечание

Количество

1

6567805

ANGLE

2

6660004

RADIATOR Was 6630958 - A

3

42HS04

CLAMP, HOSE Was 6515575 - A

4

6577822

HOSE bulk - Sold Per Foot - Was 6562515 - A

5

6702797

CAP Was 6558658 - A

6

6567418

BRACKET

7

61D6

NUT 5

8

17C616

BOLT 5

9

6567170

TANK coolant

10

6553412

ELBOW

11

6553411

BUSHING

12

6559444

BLOCK rubber

13

6630366

INDICATOR

14

6505237

GASKET

15

5K116

NIPPLE Was 5K000124B - B

16

37K302

COUPL

17

42H40

HOSECLAM5 Was 942792B - A

18

6567287

HOSE

19

6630233

AIR CLEANER See Illustration AIR CLEANER/ B7509

20

6567736

SEAL

21

6516191

BAND Was 871610B - A

22

7C612

BOLT

23

6512909

CLIP

24

6630171

ENGINE See Illustration ENGINE & GASKET KIT/ B17698

25

6567425

PIPE exhaust

26

711215

CLAMP

27

6567007

MUFFLER spart arrestor

28

84G3712

BOLT 5

29

6567008

PIPE exhaust

30

42H32

HS CLAMP5 Was 42H000024B - B

31

6567203

HOSE

32

6567202

HOSE

33

6568178

SUPPORT

34

6630212

MOTOR See Illustration COOLING FAN MOTOR/ B7525

35

17C720

BOLT

36

61D7

NUT

37

6567974

MOUNT

38

6511139

ATOMIZER

39

6569148

HUB

40

33G608

SCREW

41

6631599

FAN

42

17C508

BOLT

43

35C508

BOLT

44

35C612

BOLT Was 31C000612B - A

45

18C612

BOLT

46

6511767

HEAD filter

47

6511766

OIL FILTER See Illustration CYLINDER BLOCK/ B8096 - oil filter

48

17C508

BOLT

49

SOLENOID NLA - starter fluid - Was 6630588 - A

49

6632167

LINK extension - To use 11 oz. ether can

50

CLAMP NLA - Was 6656124 - A

51

ELBOW NLA - Was 6656125 - A

52

6631921

HOSE bulk - sold per foot - Was 6567965 - A

53

6666606

RADIATOR CAP Was 6630156 - A

Выбрано товаров: 54