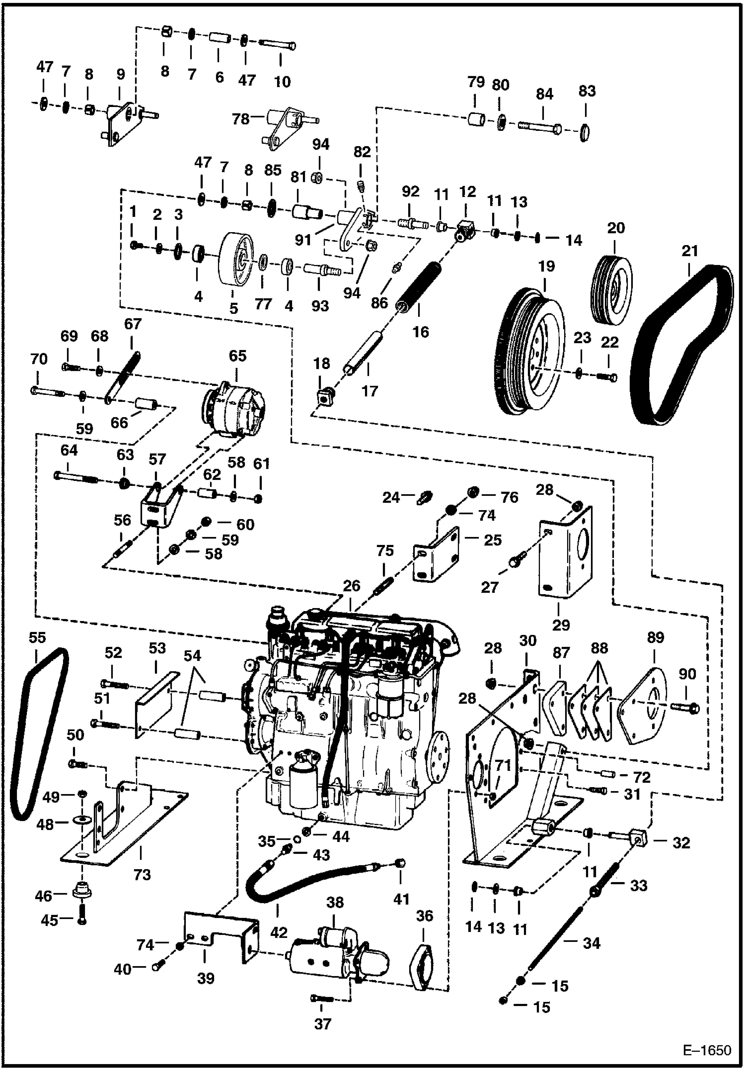
Запчасти Bobcat 900s ENGINE & ATTACHING PARTS POWER UNIT

Схема запчастей Bobcat 900s - ENGINE & ATTACHING PARTS POWER UNIT
FIT
1:1
100%

Артикул

Название

Примечание

Количество

1

17C608

BOLT

2

27E6

WASHER 5

3

941388

RING

4

6661229

BEARING - D

5

6587035

PULLEY idler - Was 6567112 - A

6

6569091

PIN

7

1990599

WIPER

8

6630241

BUSHING

9

BRACKET See BTI283 NLA - remove Ref. 47 when using on S/N 11296 & Below - Order Ref. 78-86 - Was 6587038 - A

10

17C864

BOLT

11

1313116

BUSHING

12

6568424

ADAPTER

13

25E21

WASHER 5

14

710779

RING

15

61D4

NUT 5

16

6569498

SPRING ASSY W/Ref. 17

17

TUBE NSS

18

6568425

ADAPTER

19

6567213

FLYWHEEL W/Ring Gear

19

6576512

FLYWHEEL W/Ring Gear

19

6515771

RING GEAR

20

6567024

PULLEY See Illustration HYDROSTATIC CIRCUITRY/ E1814 See Illustration HYDROSTATIC CIRCUITRY/ E1639 - Hydro Pump

21

6567266

BELT 74'' long

21

6569809

BELT, DRIVE 72'' long

22

18C824

BOLT

23

6557929

WASHER

24

18C716

BOLT Was 36C000716B - A

25

6567405

MOUNT

26

ENGINE See Illustration ENGINE & GASKET KIT/ B17698

27

35C824

BOLT

28

83D8

NUT 5

29

6569802

MOUNT Was 6568435 - A

30

6569062

MOUNT

30

6588901

MOUNT Was 6589233 - D

31

18C616

BOLT 5

32

6568830

PIN

33

6568826

BOLT hollow

34

6568828

ROD

35

79K8

O RING 10

36

6562480

SPACER

37

17C640

BOLT 5 Was 17C000636B - B

38

STARTER See Illustration STARTER/ D2119 See Illustration STARTER/ B17808

39

6568415

MOUNT Not used with new 28 MT Series Starter

40

18C716

BOLT Was 36C000716B - B

41

36K6

CAP

42

6805079

HOSE Was 6564639 - C

43

15K6

ADAPTER W/Ref. 35

44

6571723

WASHER O-ring retainer - Was 6804342 - B

45

17C1052

BOLT

46

6513606

MOUNT neoprene - Was 6514897 - A

47

6569600

WASHER

48

6569054

WASHER

49

85D10

NUT, 5

50

1C1020

BOLT Was 8C1020 - A

51

18C580

BOLT

52

18C556

BOLT Was 18C000552B - B

53

6568797

SHIELD

54

6568798

SPACER

55

6631520

BELT

56

3725702

STUD

57

999672

BRACKET

58

3725703

WASHER

59

4E6

WASHER

60

62D6

NUT 5

61

3725381

NUT

62

907237

SLEEVE

63

907238

SPACER

64

3455218

BOLT

65

ALTERNATOR See Illustration ALTERNATOR/ C1802

66

6513120

SPACER

67

6631521

STRAP

68

27E5

WASHER Was 3727372B - B

69

29CM825

BOLT Use W/Delco Alternator

69

35C512

BOLT Use W/Melroe Alternator - Was 35C000516B - B

70

18C628

BOLT

71

85D6

NUT, 5

72

742510

PIN

73

6569063

MOUNT

73

6569667

MOUNT

74

27E7

WASHER Was 25E000019B - B

75

6634207

STUD

76

84D7

NUT

77

6701159

SHIM

78

BRACKET See BTI283 NLA - idler - Order Ref. 91-94 - Was 6587804

79

6587765

BUSHING, PRESS FIT

80

6587826

WASHER

81

6596889

PIN 3.275''(83,185 mm) long - Was 6587801 - A

81

6597608

PIN See BTI283 2.88''(73,152 mm) long - Was 6596589 - A

82

6632601

BREATHER

83

6700782

CAP

84

17C868

BOLT

84

17C888

BOLT See BTI283

85

6662789

SEAL

86

10H25

FITTING, GREASE 5

87

6588899

SPACER

88

6588900

SHIM

89

6588898

MOUNT

90

35C840

BOLT

91

6589139

BRACKET See BTI283

92

6589189

SPINDLE See BTI283

93

6589190

SPINDLE See BTI283

94

83D10

NUT 5 See BTI283

Выбрано товаров: 0