Запчасти Bobcat 900s CYLINDER BLOCK POWER UNIT

Схема запчастей Bobcat 900s - CYLINDER BLOCK POWER UNIT
FIT
1:1
100%

Артикул

Название

Примечание

Количество

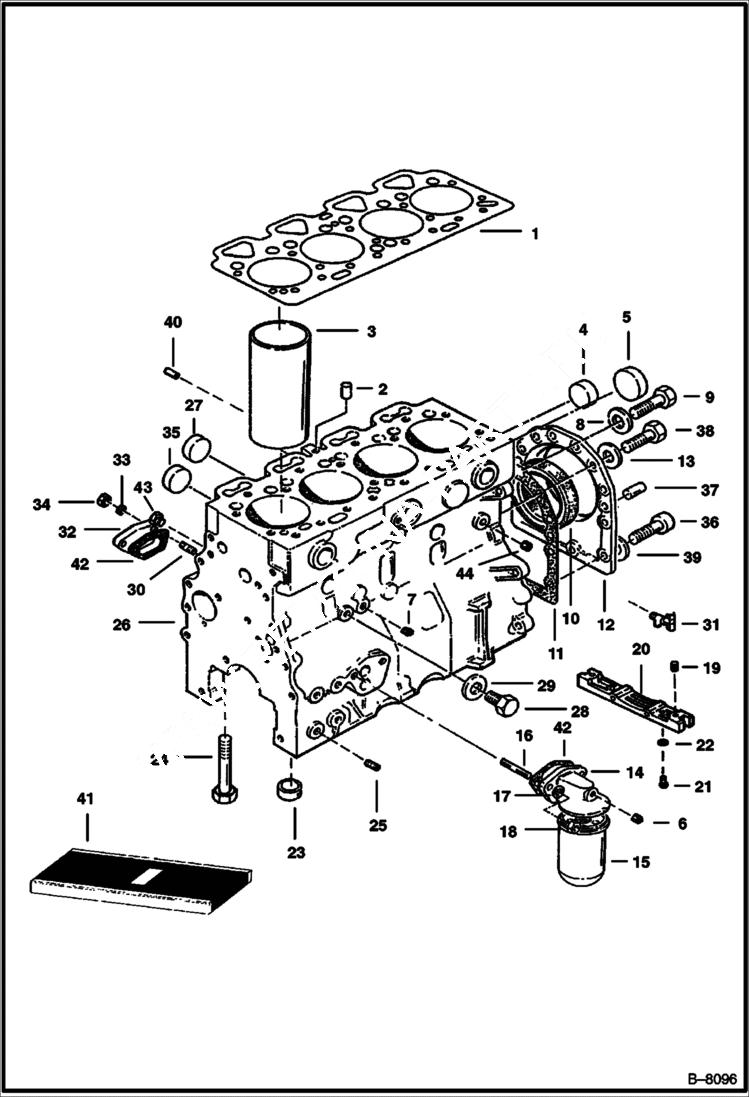
1

6649423

GASKET cylinder head - Spec. No. LD70177-2200 - Was 3737951B

1

6662040

GASKET cyl. head - Spec. No. LD70269-2200

2

3739121

PLUG rocker oil feed

3

3725304

LINER cyl. - Spec. No. LD70177-2200

3

6649422

LINER cyl. - Spec. No. LD70177-2200

3

6662033

LINER cyl. - Spec. No. LD70269-2200

4

3726064

PLUG

5

6668210

PLUG Was 3725310B - B

6

3725315

PLUG

7

40K2

PLUG Was 13F000002B - A

8

3725314

WASHER

9

3725313

PLUG rear pressure rail

10

SEAL NLA - rear - Was 3737844 - A

11

6674359

GASKET Was 997692B - A

12

COVER NLA - Order Ref. 11, 12, 20 & (2) of Ref. 13, 38 - Was 6649424 - A

12

6667492

COVER

13

3725700

WASHER

14

6511767

HEAD oil filter

15

6511766

OIL FILTER oil filter

16

6634207

STUD Was 6515738 - A

17

6511768

WASHER

18

3725329

NUT

19

GASKET NLA - Was 3725341B - A

20

6667501

BLOCK bridge piece - Was 6634206 - A

21

6667502

SCREW Was 3725342B - A

22

3725343

WASHER

23

3725302

SLEEVE main bearing cap

24

6513096

BOLT

25

6515678

PLUG

26

BLOCK NLA - Order 6649421, 6649423 gasket, 6649438 thrust washer, 873222B & (3) 6649435 - Was 6634199 - A

26

6649421

BLOCK engine - W/Liners & Plugs - Spec. No. LD70177-2200

26

6662031

BLOCK engine - W/Liners & Plugs - Spec. No. LD70269-2200

27

6519504

PLUG 1.394 - Was 3679284B - A

28

18C610

BOLT

29

3490721

WASHER plug

30

6649450

STUD Was 3725328B - A

31

6513679

VALVE

32

3725326

PLATE oil transferm - L.H.

33

4E7

WASHER

34

3725329

NUT

35

6670881

PLUG 1.513 - Was 3725306B - A

36

6513098

BOLT

37

1305481

PIN

38

18C516

BOLT

39

3737942

WASHER

40

909703

PLUG

41

6668015

GASKET KIT Upper - Spec. No. LD70177-2200 Was 908230B - A

41

6662043

GASKET KIT Upper - Spec. No. LD70269-2200

41

6662044

GASKET KIT Lower - Spec. No. LD70177-2200 - Was 6630423 - A

41

6662044

GASKET KIT Lower - Spec. No. LD70269-2200

42

6668022

GASKET Was 3679404B - A

43

41K4

PLUG

44

16F4

PLUG

Выбрано товаров: 53