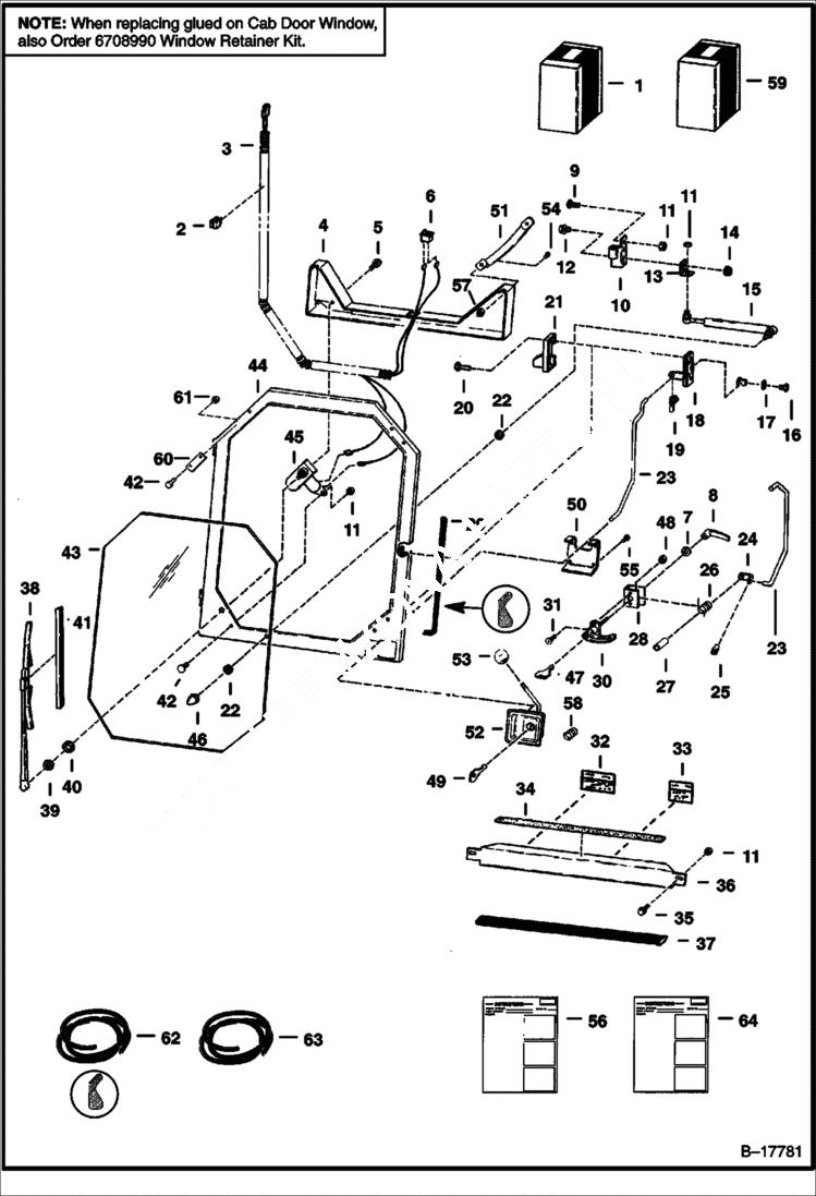
Запчасти Bobcat 900s CAB DOOR ACCESSORIES & OPTIONS

Схема запчастей Bobcat 900s - CAB DOOR ACCESSORIES & OPTIONS
FIT
1:1
100%

Артикул

Название

Примечание

Количество

1

6571855

KIT Ref. 2 - 58

2

6514850

CLIP

3

6568739

HARNESS

4

6568724

SHIELD Use with old style latch

4

6704428

SHIELD Use with new style latch - Was 6576471 - A

5

84G3112

BOLT 5

6

6631009

SWITCH

7

25E18

WASHER Use with old style latch

8

6515600

HANDLE Use with old style latch

9

10C512

BOLT Was 6553808 - A

10

6568051

HINGE For 1/4'' (6,3) hinge Pin

10

6571715

HINGE For 3/8'' (9,5) hinge Pin

11

83D5

NUT 5

12

35C412

BOLT

13

6568055

BRACKET

14

83D4

NUT 10

15

6630797

GAS SPRING

15

6632221

STUD ball

15

2756257

CLIP spring

16

17C712

BOLT

17

6568047

NUT bushing

18

6660932

LATCH Was 6647789 - A

19

6519480

CLIP Was 6512274 - D

20

35C416

BOLT

21

6568728

SHIELD

22

25E16

WSHR

23

6568727

ROD Use with old style latch

23

6704425

ROD Use with new style latch - Was 6576470 - A

24

6568528

BRACKET Use with new style latch

25

6519480

CLIP Use with new style latch

26

6568725

SPRING Use with new style latch

27

6568526

SPACER Use with new style latch

28

6568527

BRACKET Use with new style latch

29

SEAL NLA - 100'' (2540 mm) long - Order Ref. 62

30

6568726

HANDLE W/Keys - Use with old style latch - Was 6569726 - D

31

75G1016

BOLT Use with old style latch - Was 32G001016B - B

32

6579510

DECAL Was 6575854 - A

33

6563410

DECAL

34

6564833

SAFETY TREAD

35

35C516

BOLT 10

36

6568973

SHIELD

37

SEAL NLA - 28'' (711,2 mm) long - Order Ref. 63

38

6631008

ARM

39

NUT NSS

40

SEAL NSS

41

6630943

BLADE wiper

42

25G510

BOLT

43

6568705

WINDOW 1/4'' plastic - See Note - Was NSS - D

44

DOOR NLA - 1/4'' (6,3 mm) hinge pin - W/Ref. 29 & 43 - Order Ref. 1

44

DOOR NLA - 3/8'' (9,5 mm) hinge pins - W/Ref. 29 & 43 - Order 6704430, 6704425 rod, 6704428 shield & Ref. 50-52, 54 & 55 - Was 6571755 - A

44

6704430

DOOR Uses new style latch - Also Order Ref. 43 - Was 6704431 - A

45

6620642

MOTOR W/Ref. 39 & 40

45

GEAR NLA - Was 6631927 - A

45

SHAFT NLA - Order 6665532 motor - Was 6670163 - A

45

LINK NLA - Was 6670164 - A

45

6670165

CLIP

46

46D5

NUT

47

6632560

KEY For use with old style latch

48

50D10

LOCKNUT Use with new style latch

49

6647636

KEY Use with new style latch

50

6704426

RETAINER Use with new style latch - Was 6578398 - A

51

6631935

HANDLE Use with new style latch

52

6641274

LATCH new style - W/Ref. 49 & 53

53

6647635

KNOB Use with new style latch

54

7G416

BOLT Use with new style latch - Was 7G000412B - B

55

45G1008

BOLT Use with old style latch

56

6570264

INSTRUCTIONS Use with new style latch

57

7160765

NUT Was 6660988 - A

58

6662834

SPRING

59

6708990

KIT window retainer - Ref. 42 & 60 - 62

60

6708850

RETAINER

61

61D5

NUT

62

6568704

MOULDING bulk - Sold Per Foot

63

6511855

SEAL self adhesive - bulk - sold per foot

64

6724279

INSTRUCTIONS

Выбрано товаров: 75