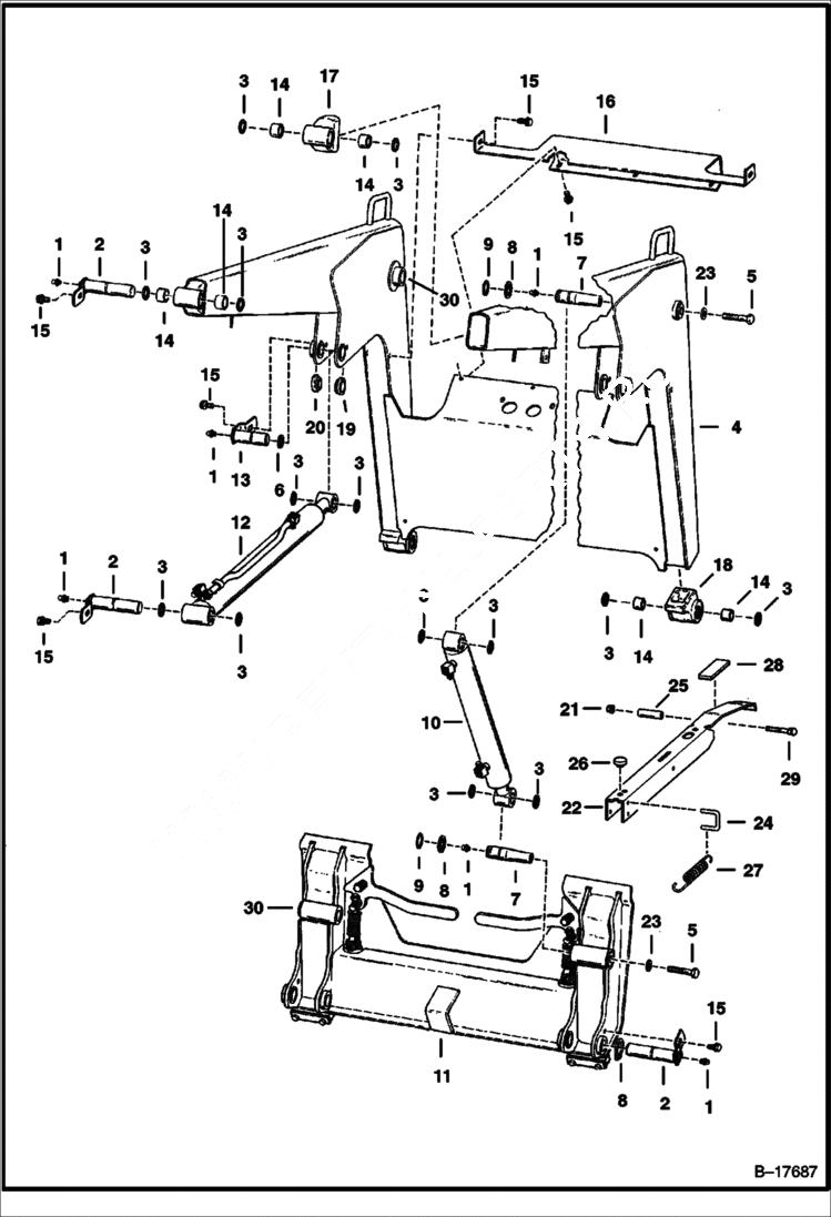
Запчасти Bobcat 900s LIFT ARMS & BOB-TACH MAIN FRAME

Схема запчастей Bobcat 900s - LIFT ARMS & BOB-TACH MAIN FRAME
FIT
1:1
100%

Артикул

Название

Примечание

Количество

1

10H25

FITTING, GREASE 5

2

6569479

PIN

3

6631067

SEAL, OIL

4

6595466

LIFT ARMS

5

17C1256

BOLT

6

6584873

WASHER

7

6565864

PIN

8

6584872

WASHER

9

6538285

LOCK RING

10

CYLINDER See Illustration TILT CYLINDER/ B13926 TILT

11

BOB-TACH See Illustration BOB-TACH/ B17688

12

CYLINDER See Illustration LIFT CYLINDER/ B17693 LIFT

13

6569480

PIN

14

6560334

BUSHING

15

84G3712

BOLT 5

16

6565951

STEP

17

6575920

PIVOT ASSY Weld On - W/Ref. 14

18

6575966

PIVOT ASSY Weld On - W/Ref. 14

19

6565909

BUSHING Weld On

20

6565862

BUSHING Weld On

21

55D6

NUT

22

6595537

STOP Lift Arm

23

6576033

WASHER

24

6595469

PIN Retainer

25

6595470

SPACER

26

6519178

BUMPER

27

6579072

SPRING

28

6704436

PAD Rubber - Self Adhesive

29

37C660

BOLT

30

6568496

BUSHING weld on

Выбрано товаров: 30