Запчасти Bobcat 900s DRIVE TRAIN DRIVE TRAIN

Схема запчастей Bobcat 900s - DRIVE TRAIN DRIVE TRAIN
FIT
1:1
100%

Артикул

Название

Примечание

Количество

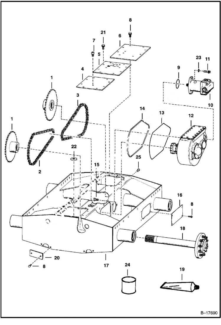
1

6565742

SPROCKET

2

6568934

CHAIN W/Connector Link - Rear Std.

2

LINK NLA - Connector - diamond - std. #120 - 40 patches - Order 6631926 - Was 6631925 - A

2

6631926

LINK connector - Tsubaki

3

6568933

CHAIN W/Connector Link - Front HS

3

6567119

LINK connector - Diamond HS

3

6631640

LINK connector - Tsubaki

4

6595361

COVER

5

6589705

COVER

6

6595048

COVER

7

6632601

BREATHER breather 1/8'' thread

8

84G3712

BOLT 5

9

25K30400

O RING 10 Not used on some Gearboxes

10

6655435

MOTOR See Illustration HYDROSTATIC MOTOR/ B17709

11

93G832

BOLT

12

GEARBOX See Illustration GEARBOX/ B17691

13

6567171

O-RING

14

6569090

RETAINER

15

31C1228

BOLT

16

6538381

PLATE

17

CHAINCASE NLA - Was 6589703 - A

18

AXLE See Illustration AXLE/ D1699

19

6650388

SEALANT gearcase covers

20

6569064

COVER

21

84G3720

BOLT

22

6571695

MAGNET ceramic

23

6701097

WASHER Was 6803867 - A

24

6632501

SEALANT Use to fill seam on top of chaincase

25

16F12

PLUG Was 11F000012B - B

Выбрано товаров: 29