Запчасти Bobcat 900s DISC BRAKE DRIVE TRAIN

Схема запчастей Bobcat 900s - DISC BRAKE DRIVE TRAIN
FIT
1:1
100%

Артикул

Название

Примечание

Количество

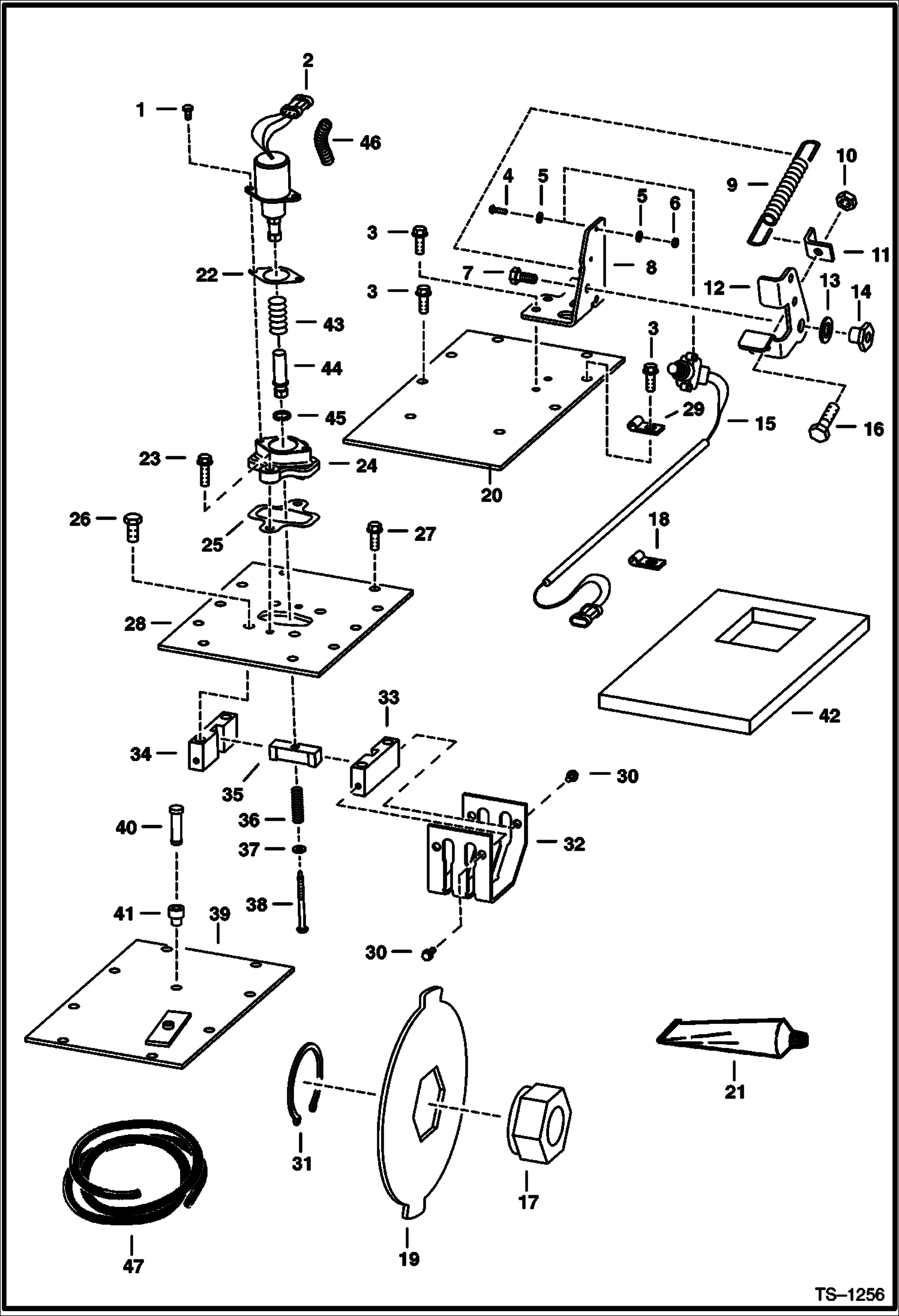
1

17C410

BOLT 10

2

SOLENOID NLA - Order 6681512 solenoid - Note: Do not use old components in conjunction W/ 6681512 solenoid - Was 6666304 - A

2

6681512

SOLENOID Was 6667992 - A

3

84G3712

BOLT 5

4

23G812

SCREW

5

25E8

WSHR

6

12D8

NUT

7

17C610

BOLT

8

6707313

PEDAL MOUNT

9

6585860

SPRING

10

95D6

NUT Was 91D000006B - A

11

6707315

ANGLE

12

6707314

PEDAL brake

13

6700170

WASHER plastic

14

6559479

NUT

15

6707337

SWITCH, LOCK TRACTION

16

17C620

BOLT

17

6597293

HUB ''S'' stamped on end

18

30H23

CLAMP

19

6597508

BRAKE disc - ''S'' stamped on face

20

6595048

COVER

21

6650388

SEALANT gearcase covers

22

6706737

GASKET

23

84G3720

BOLT

24

6706718

MOUNT

25

6708016

GASKET

26

47C820

BOLT Was 17C000820B - B

27

84G3716

SCREW 5

28

6589705

COVER

29

30H11

CLIP Was 30H8 - B

30

17C610

BOLT

31

6658672

SNAP RING

32

6597240

GUIDE brake - w/one 45 degree corner & one 90 degree corner - Was 6596875 - A

33

6705898

BLOCK guide - R.H.

34

6705897

BLOCK guide - L.H.

35

6705896

GUIDE

36

6708018

SPRING

37

25E13

WASHER 5

38

6708267

BOLT

39

6595361

COVER

40

6680970

BREATHER Was 6646626 - A

41

6553411

BUSHING

42

6595374

INSULATOR Pedal

43

SPRING NLA - Order 6681512 - Was 6666328 - A

44

PLUNGER NLA - W/Ref. 45 - Order 6681512 - Was 6666329 - A

45

SNAP RING NSS

46

CONDUIT NLA - 5'' (127 mm) long - Order Ref. 47

47

6584978

CONDUIT bulk - sold per foot

Выбрано товаров: 48