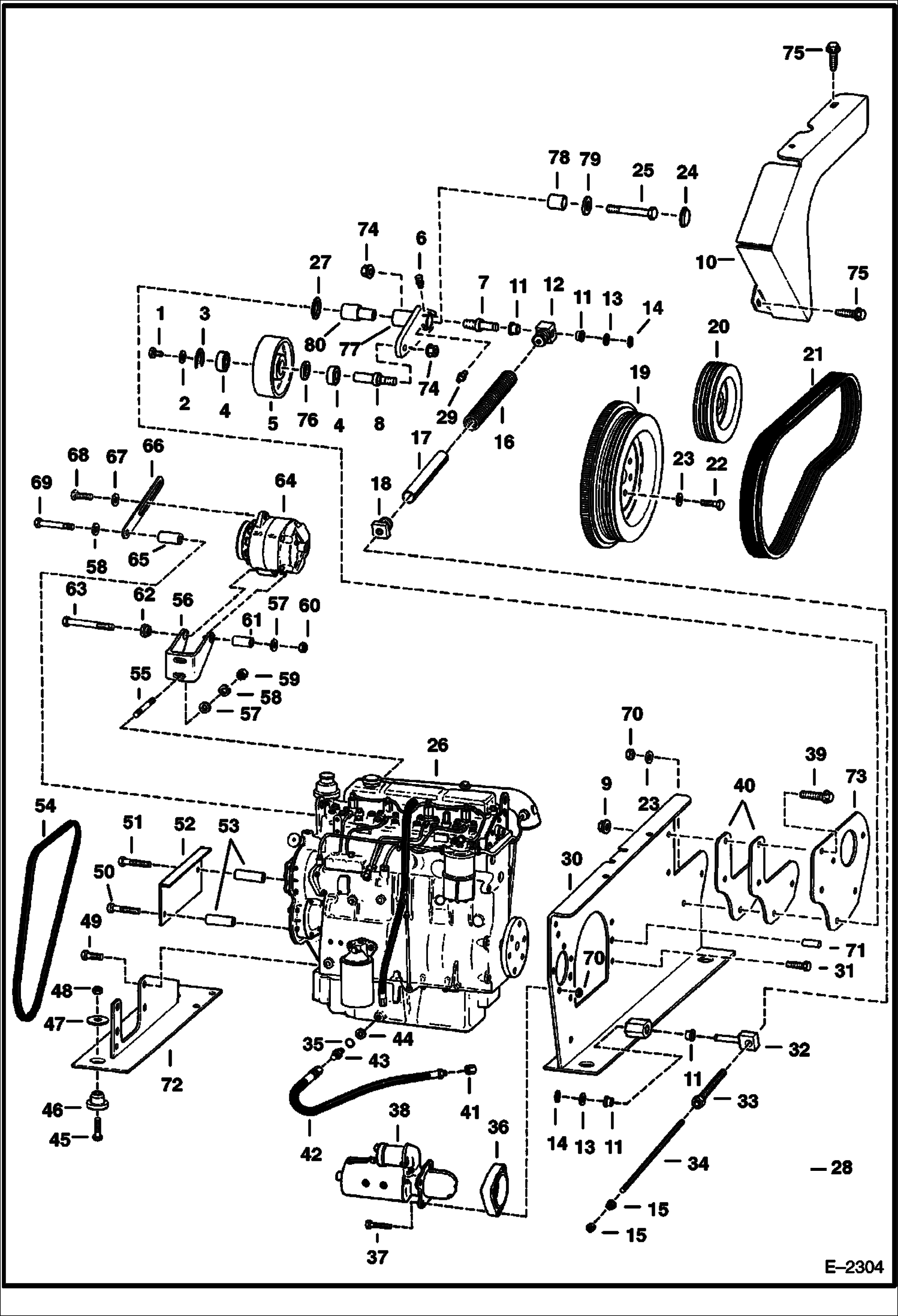
Запчасти Bobcat 900s ENGINE & ATTACHING PARTS POWER UNIT

Схема запчастей Bobcat 900s - ENGINE & ATTACHING PARTS POWER UNIT
FIT
1:1
100%

Артикул

Название

Примечание

Количество

1

17C608

BOLT

2

27E6

WASHER 5

3

941388

RING

4

6661229

BEARING

5

6587035

PULLEY idler

6

6632601

BREATHER

7

6589189

SPINDLE

8

6589190

SPINDLE

9

89D8

NUT

10

6596836

SHIELD Was 6589546 - A

11

1313116

BUSHING

12

6568424

ADAPTER

13

25E21

WASHER 5

14

710779

RING

15

61D4

NUT 5

16

6569498

SPRING ASSY W/Ref. 17

17

TUBE NSS - Order Ref. 16

18

6568425

ADAPTER

19

6576512

FLYWHEEL W/Ring Gear

19

6515771

RING GEAR

20

6567024

PULLEY See Illustration HYDROSTATIC CIRCUITRY/ E2250 HYDRO. PUMP

21

6569809

BELT, DRIVE

22

18C824

BOLT

23

6557929

WASHER

24

6700782

CAP

25

17C896

BOLT Was 17C000868B - B

26

ENGINE See Illustration ENGINE & GASKET KIT/ B17698 NLA - WAS 6661655 - A

27

6662789

SEAL

28

83D8

NUT 5

29

10H25

FITTING, GREASE 5

30

6589233

MOUNT

31

18C616

BOLT 5

32

6568830

PIN

33

6568826

BOLT hollow

34

6568828

ROD

35

79K8

O RING 10

36

6562480

SPACER

37

17C644

BOLT Was 17C000640B - B

38

STARTER See Illustration STARTER/ E2395 See Illustration STARTER/ D2119

39

35C840

BOLT

40

6596199

SPACER Was 6588899 - B

41

36K6

CAP

42

6805079

HOSE Was 6564639 - C

43

15K6

ADAPTER W/Ref. 35

44

6571723

WASHER O-Ring retainer - Was 6804342 - A

45

17C1052

BOLT

46

6513606

MOUNT neoprene - Was 6514897 - A

47

6569054

WASHER

48

85D10

NUT, 5

49

17C1020

BOLT 5 Was 8C001020B - B

50

18C580

BOLT

51

18C556

BOLT

52

6568797

SHIELD

53

6568798

SPACER

54

6516339

BELT Was 6631520 - B

55

3725702

STUD

56

999672

BRACKET

57

3725703

WASHER

58

4E6

WASHER

59

62D6

NUT 5

60

3725381

NUT

61

907237

SLEEVE

62

907238

SPACER

63

3455218

BOLT

64

ALTERNATOR See Illustration ALTERNATOR/ C3312

65

6513120

SPACER

66

6631521

STRAP

67

27E5

WASHER

68

35C512

BOLT

69

18C628

BOLT

70

85D6

NUT, 5 Was 87D000006B - A

71

742510

PIN

72

6589234

MOUNT

73

6596200

MOUNT

74

57D10

NUT Was 83D000010B - B

75

84G3712

BOLT 5

76

6701159

SHIM

77

6589139

BRACKET idler

78

6587765

BUSHING, PRESS FIT

79

6587826

WASHER

80

6596889

PIN Was 6587801 - A

Выбрано товаров: 81