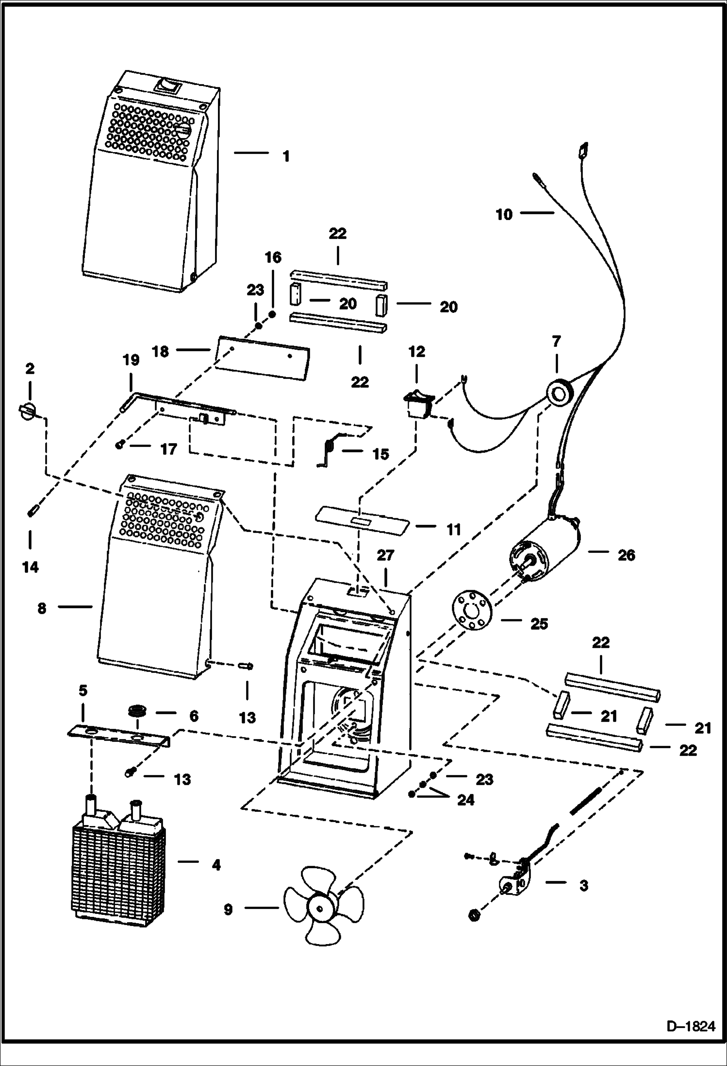
Запчасти Bobcat 900s HEATER ACCESSORIES & OPTIONS

Схема запчастей Bobcat 900s - HEATER ACCESSORIES & OPTIONS
FIT
1:1
100%

Артикул

Название

Примечание

Количество

1

HEATER NLA - Ref. 2-27 - Was 6645537 - A

2

6641051

KNOB

3

CONTROL NLA - Was 6641052 - A

4

CORE NLA - heater - Was 6641053 - A

5

6641054

SUPPORT

6

6641055

GROMMET

7

6641056

GROMMET

8

6641057

COVER

9

6641058

FAN BLADE

10

6641059

HARNESS

11

6641060

DECAL

12

6641061

SWITCH rocker

13

6641062

SCREW

14

6641063

GRIP

15

6641064

SPRING

16

6641065

NUT

17

6641066

SCREW

18

6641067

DAMPER

19

6641068

HANDLE

20

6641069

WEATHER STRIP

21

6641070

WEATHER STRIP

22

6641071

WEATHER STRIP

23

6641072

WASHER

24

6641073

NUT

25

6641074

PAD motor

26

6641075

MOTOR

27

6641076

HOUSING

Выбрано товаров: 27