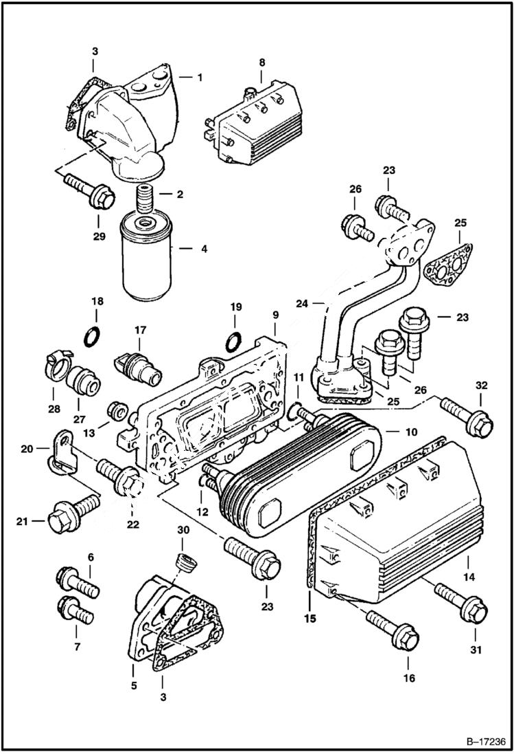
Запчасти Bobcat 900s FILTER OIL - COOLER OIL (Power Unit) POWER UNIT

Схема запчастей Bobcat 900s - FILTER OIL - COOLER OIL (Power Unit) POWER UNIT
FIT
1:1
100%

Артикул

Название

Примечание

Количество

1

6668514

FILTER HEAD

2

6668515

CONNECTION

3

6668510

GASKET Was 6668016 - A

4

6511766

OIL FILTER

5

6668509

ADAPTOR

6

6671644

SCREW

7

6668223

SCREW

8

6668516

OIL COOLER

9

HOUSING NSS - Order Ref. 8

10

6668517

OIL COOLER

11

6668518

O-RING

12

6668519

O-RING

13

6668520

NUT

14

6668521

COVER

15

6668522

GASKET

16

6668523

SCREW

17

6668524

CONNECTION

18

6668525

O-RING

19

6668526

O-RING

20

6668527

BRACKET

21

6668487

SCREW

22

6668314

SCREW

23

6668482

SCREW

24

6668528

PIPE Oil

25

6668529

GASKET

26

6668268

SCREW

27

6668530

CONNECTION

28

6668531

CLAMP

29

6668532

SCREW

30

40K2

PLUG Was 13F000002B - A

31

6668533

SCREW

32

6668534

SCREW

Выбрано товаров: 32