Запчасти Bobcat 900s ELECTRICAL CONTROLS KIT (Attachments) ACCESSORIES & OPTIONS

Схема запчастей Bobcat 900s - ELECTRICAL CONTROLS KIT (Attachments) ACCESSORIES & OPTIONS
FIT
1:1
100%

Артикул

Название

Примечание

Количество

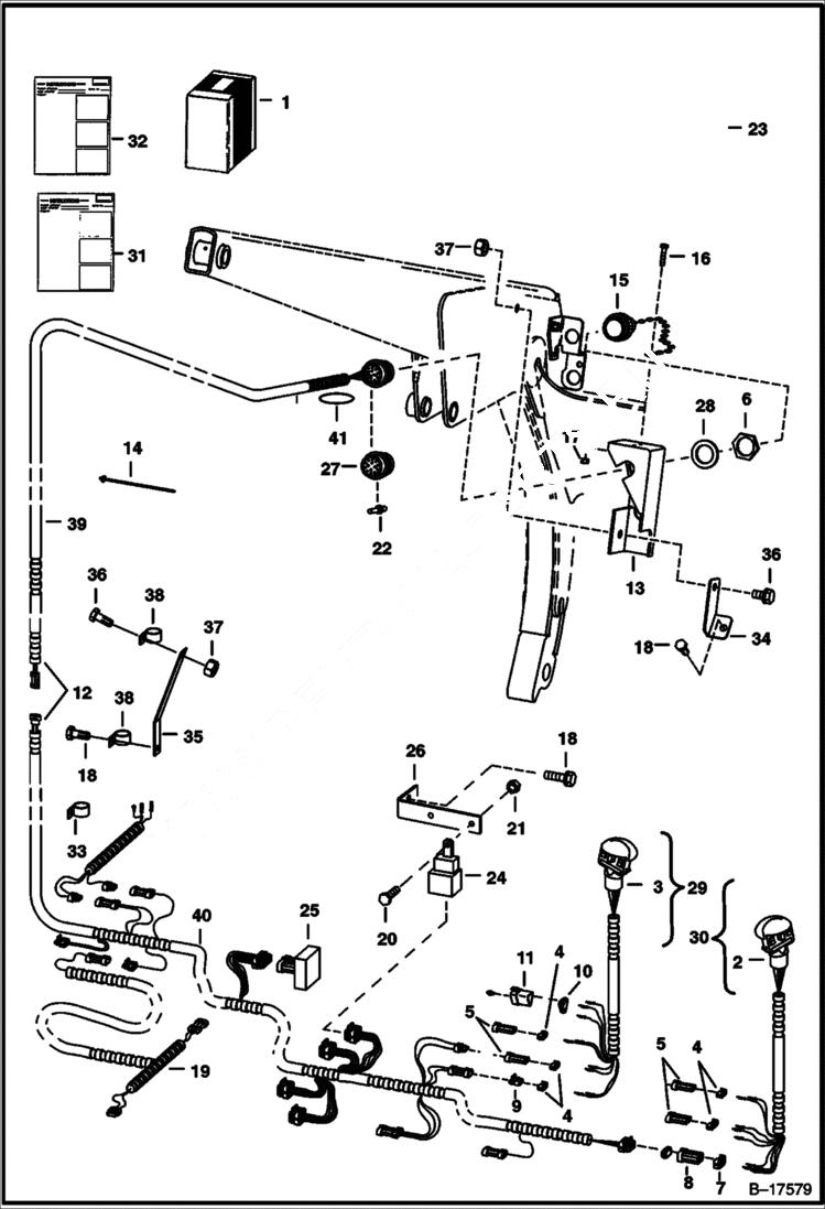
1

6712820

KIT controls - W/handles - Ref. 2-27

2

6680457

HNDL/4 SWITCH PWM R.H. - Was 6675466 - A

3

6707976

HANDLE ASSY. L.H. - Also Order Ref. 4, 5 & 9-11

3

6640690

PIN

3

6640691

PIN

3

6641176

SEAL

3

6662257

PIN

3

6680447

DECAL Was 6677370 - A

4

6641180

LOCK Use W/ 2-pin connector

4

6640700

LOCK 3-pin

5

6641179

CONNECTOR 2-pin

5

6640699

CONNECTOR 3-pin

6

6664036

NUT

7

6641181

LOCK 6-pin

8

6641173

CONNECTOR 6-pin

9

6641178

CONNECTOR 2-pin

10

6664800

LOCK 3-pin triangle

11

6664599

CONNECTOR 3-pin triangle

12

HARNESS NLA - One piece - Order Ref. 39, 40, 6711621 Mount & (4) of 6670312 Solenoid

13

6711621

MOUNT Use W/Ref. 39

14

6610510

TIE Was 6627289 - B,D

15

6664035

CAP

16

45G508

BOLT

17

50D5

NUT

18

84G3712

BOLT 5

19

6706552

HARNESS for grader

20

45G1212

BOLT

21

50D12

NUT

22

6664040

PIN male

23

6664041

SOCKET female

24

6670312

SWITCH, MAGNETIC relay - Use W/Ref. 39

25

6664388

DIODE memory

26

6702650

MOUNT

27

6667569

CONNECTOR, RECEPTACLE Order (14) of Ref. 22 - W/Ref. 41

28

6664037

WASHER

29

6706568

KIT handle - Ref. 3 - 5, 9 - 11 & 31

30

6706567

KIT handle - W/Ref. 2, 4, 5, 7, 8 & 31

31

6722759

INSTRUCTIONS FOR REF. 3 - 5 & 9 - 11

32

6722758

INSTRUCTIONS for control elec. kit

33

30H49

CLAMP

34

6709176

BRACKET

35

6709177

BRACKET

36

17C612

BOLT 5

37

85D6

NUT, 5

38

30H46

CLIP

39

6710299

HARNESS, ATTACHMENT PWM

40

6710300

HARNESS

41

6669286

CLAMP W/saddles

Выбрано товаров: 48