Запчасти Bobcat 900s EUROPEAN ACCESSORIES (Attachment Harness Control) (AHC Only) ACCESSORIES & OPTIONS

Схема запчастей Bobcat 900s - EUROPEAN ACCESSORIES (Attachment Harness Control) (AHC Only) ACCESSORIES & OPTIONS
FIT
1:1
100%

Артикул

Название

Примечание

Количество

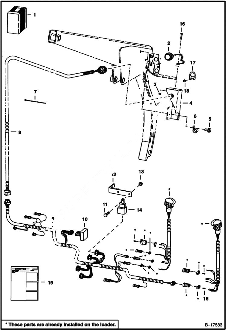
1

KIT SALES - attachment harness control - W/Ref. 2-19 - Order from Sales - 6713013

2

6664035

CAP plug

3

50D5

NUT

4

6711621

MOUNT

5

84G3716

SCREW 5

6

30H49

CLAMP

7

6624289

STRAP, TIE nylon

8

6710299

HARNESS, ATTACHMENT PWM

9

6710300

HARNESS

10

6664388

DIODE

11

45G1212

BOLT

12

6702650

MOUNT fuse

13

50D12

NUT

13

85D4

NUT 5

14

6670312

SWITCH, MAGNETIC relay

15

6646582

PLUG

16

45G508

BOLT

17

6714999

MOUNT

18

84G3112

BOLT 5

19

6724594

INSTRUCTIONS

Выбрано товаров: 0