Качественные детали и логистика
Оригинальные и аналоговые запчасти с доставкой по России, Казахстану и Беларуси
©2022 PartSell ООО "Система" ИНН 2463123282 ОГРН 1212400004838
Центральный офис: г. Красноярск, Академика Киренского, д.87, пом.4
Телефон: 8 (800) 777-65-74 Email: zakaz@partsell.ru
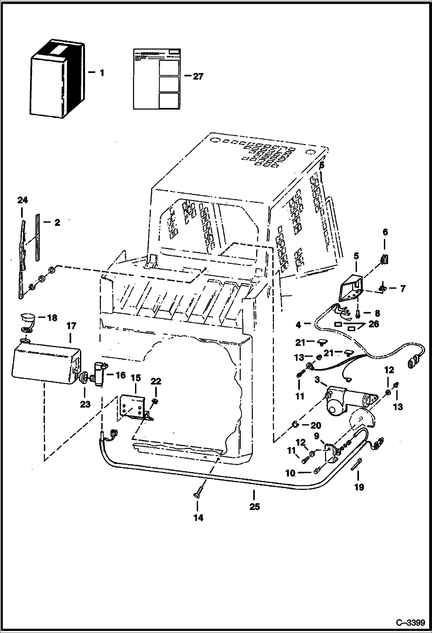
EUROPEAN ACCESSORIES (Rear Wiper)
№
Артикул
Название
Примечание
Количество
1
6804292
KIT Was 6596179 - A
2
6665688
BLADE
3
6665602
MOTOR
4
HARNESS NLA - W/2-pin connector - Order 6712260 harness,
6712260
HARNESS W/10-pin connector - w/ (2) diodes
5
6708280
MOUNT switch
6
6668817
SWITCH rocker - Was 6665706 - A
7
7160765
NUT Was 6660988 - A
8
35C416
BOLT Was 35C000412B - B
9
6708286
MOUNT nozzle
10
6666767
NOZZLE Was 6664555 - A
11
17C514
BOLT
12
25E15
WASHER
13
83D5
NUT 5
14
37C616
15
6595829
MOUNT tank
16
6664554
PUMP, WIPER WASHER
17
6708035
TANK
18
6665605
CAP
19
6610510
TIE
20
6708069
BUSHING
21
6640704
CLAMP
22
57D6
NUT 5 Was 55D000006B - B
23
6666766
GROMMET
24
6665687
ARM
25
6804293
HARNESS tank
26
3675725
DIODE
27
6724236
INSTRUCTIONS
Выбрано товаров: 0