Запчасти Bobcat 900s HEATER KIT (Fresh Air) ACCESSORIES & OPTIONS

Схема запчастей Bobcat 900s - HEATER KIT (Fresh Air) ACCESSORIES & OPTIONS
FIT
1:1
100%

Артикул

Название

Примечание

Количество

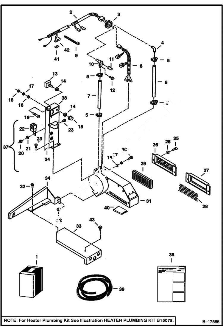
1

6713379

KIT See Illustration HEATER PLUMBING KIT/ B15078 - Ref. 2-35

2

6660894

HARNESS W/Ref. 41 & 42

3

6512067

GROMMET

4

6660879

ELBOW

5

42H10

HOSECLAM5

6

HOSE NLA - 17''(431,8 mm) long - Order Ref. 39

7

HOSE NLA - 19''(482,6 mm) long - Order Ref. 39

8

6660892

HARNESS

9

6660883

TIE

10

6654191

VALVE

11

6660881

KNOB water valve

12

6660884

SCREW

13

6660659

SWITCH fan

14

6670143

NUT

15

6660822

KNOB

16

6670142

NUT

17

4E4

WASHER

18

25E14

WSHR

19

6670144

BOLT

20

6641065

NUT

21

6641072

WASHER

22

6651965

CARRIER relay - Was 6670141 - A

23

6641066

SCREW

24

6660864

COVER

25

6660930

THUMBSCREW

26

25E10

WASHER

27

COVER NSS - Order Ref. 36 - Was 6660886 - A

28

SCREEN NSS - Order Ref. 36 - Was 6660891 - A

29

6660880

FILTER, AIR HEATER CAB

30

17C412

BOLT 5

31

HEATER See Illustration HEATER/ D2181

32

6705792

SCREW

33

6669652

DUCT under seat

34

6669650

VENT side

35

6724384

INSTRUCTIONS

36

6674151

COVER Assy. - W/Screen

37

6660890

COVER ASSY. Ref. 20-22, 24 & 38

38

6660865

DECAL fan & valve

39

889269

HOSE BULK/FT bulk - Sold Per Foot

40

MOULDING NLA

41

6702444

FUSE 25A 5

42

6657306

CAP, FUSE

43

84G3120

SCREW

Выбрано товаров: 43