Запчасти Bobcat 900s BOB-TACH (S/N 562216258 & Above, 516516033 & Above) MAIN FRAME

Схема запчастей Bobcat 900s - BOB-TACH (S/N 562216258 & Above, 516516033 & Above) MAIN FRAME
FIT
1:1
100%

Артикул

Название

Примечание

Количество

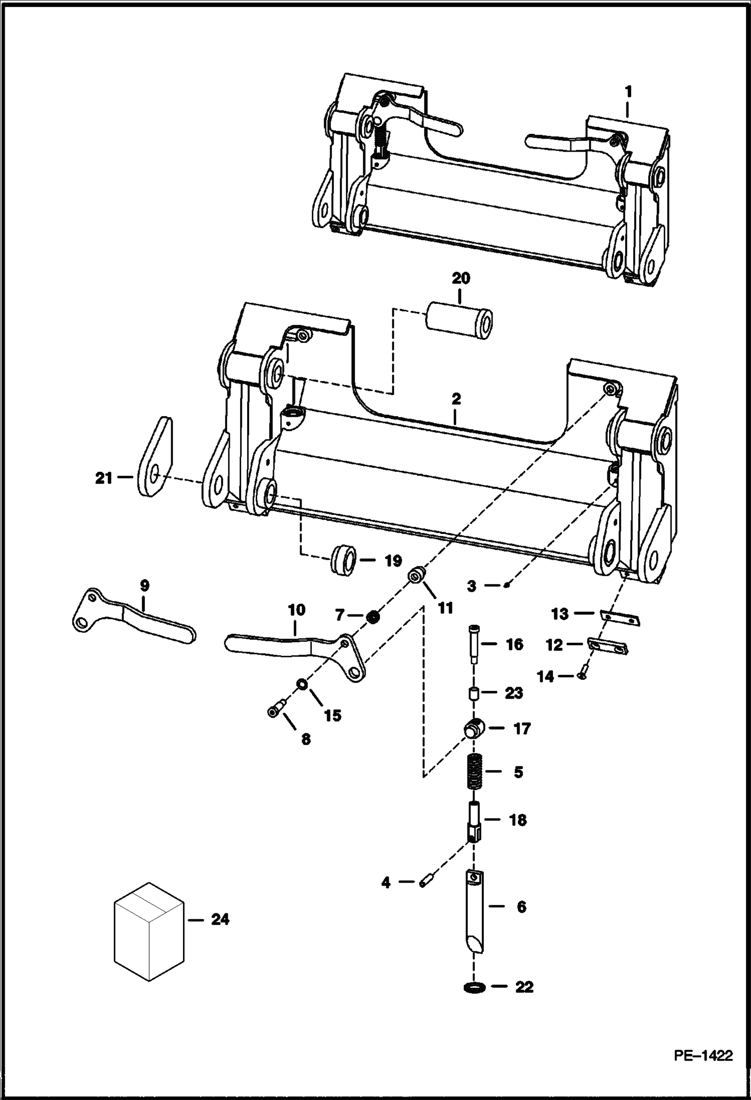
1

6809970

BOB-TACH See Illustration DECALS/ B17250 REF. 2 - 23 - ALSO ORDER 6561383

2

FRAME NSS - Order Ref. 1

3

10H35

FITTING, GREASE 10

4

14J5032

PIN, STRAIGHT Was 14J005044B - A

5

6578253

SPRING, COMPRESSION

6

6807545

WEDGE

7

6704453

SPRING

8

38C1024

BOLT

9

6812429

LEVER L.H. - Was 6811631 - A

10

6812430

LEVER R.H. - Was 6811630 - A

11

6809954

PIVOT LEVER

12

6803659

STOP

13

6803660

SHIM

14

9G620

BOLT 5

15

6811964

WASHER

16

38C1040

BOLT

17

6809955

PIVOT

18

6704248

PIVOT, WEDGE

19

6595338

BUSHING Weld On

20

6800823

BUSHING Weld On

21

6589686

PIVOT Weld On

22

6690707

WIPER, ROD CYL Was 6665086 - A

23

6678851

BUSHING

Выбрано товаров: 23