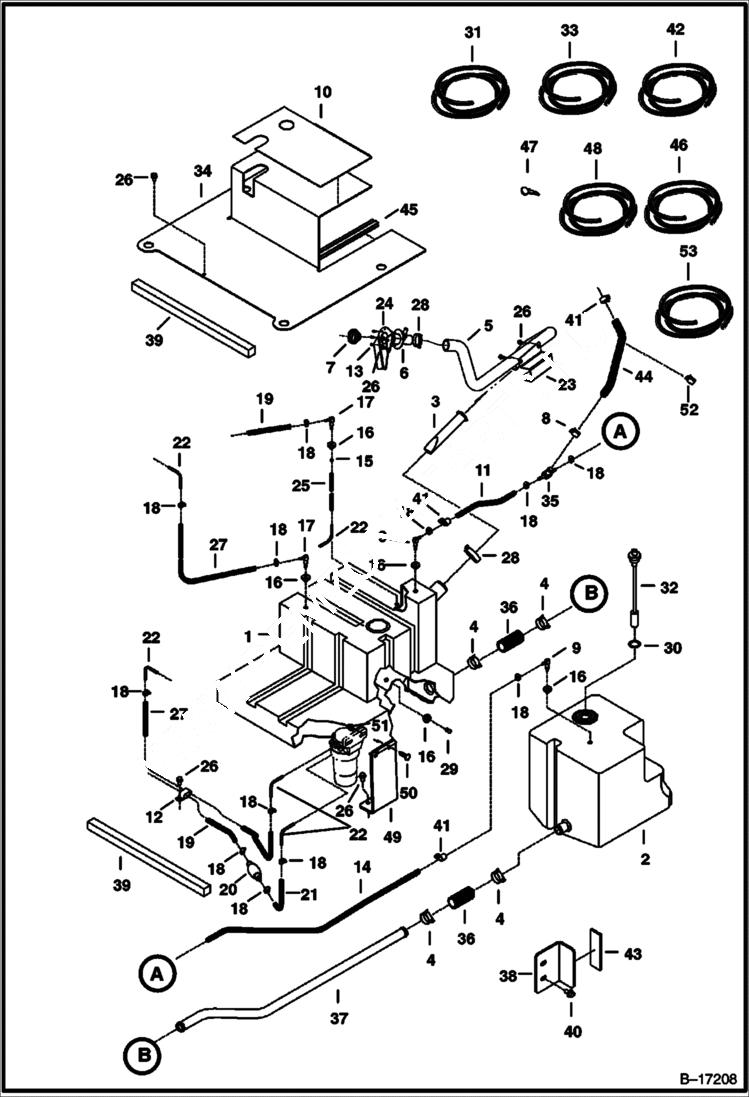
Запчасти Bobcat 900s FUEL SYSTEM MAIN FRAME

Схема запчастей Bobcat 900s - FUEL SYSTEM MAIN FRAME
FIT
1:1
100%

Артикул

Название

Примечание

Количество

1

6807186

TANK 25 gal. - Was 6804575 - A

2

6804576

TANK aux - 10 gal.

3

7120881

SCREEN, FILLER Was 6569219 - A

4

42HC200

CLAMP Was 5HM00040B - B

4

42HC200

CLAMP Use with bulk hose

5

6807248

HOSE

6

6701449

FILLER TUBE

7

6661114

CAP. DIESEL green fuel fill

7

6661696

CAP, FUEL LOCKING locking - code PK510 - W/Ref. 47

8

5HM23

CLAMP

9

6553412

ELBOW

10

6805767

INSULATION

11

HOSE NLA - 19.5 (495,3 mm) long - Order Ref. 42

12

31H46

CLAMP

13

6706517

SCREW

14

HOSE NLA - 41.5'' (1054,1 MM) LONG - Order Ref. 42

15

6661213

RING, COMPRESSION Use W/Ref. 25 (NLA hose)

16

6553411

BUSHING 0.38'' ID

17

6598908

ELBOW

18

42HS04

CLAMP, HOSE Was 6515575 - B

19

HOSE NLA - 42.13'' (1070 mm) long - Order Ref. 33

20

6657734

PUMP, PRIMER HAND 124 mm (4.88'') long

21

HOSE NLA - 2.76'' (70 mm) long - Order Ref. 33

22

6597183

ELBOW 90 degress - 2.36'' x 2.36''

23

6806202

BRACKET

24

6805849

SHIELD

25

HOSE NLA - 20.08'' (510 mm) long - Order Ref. 31

25

6729855

HOSE 15.12'' long - .26 ID x .312 OD

26

84G3712

BOLT 5

27

HOSE NLA - 61.42'' (1560 mm) long - Order Ref. 33

28

5HM58

CLAMP

29

6599645

PLUG, STEEL

30

79K14

O RING 10

30

6717579

GASKET

31

6569752

HOSE BULK/FT bulk - sold per foot

32

7216516

SENSOR, FUEL fuel - W/Ref. 30 - Was 6680439 - A

33

6577821

HOSE bulk - sold per foot

34

6807157

COVER Was 6806208 - A

35

6804639

TEE

36

HOSE NLA - 5'' (127 mm) long - Order Ref. 53

37

TUBE NLA - Order Ref. 53 - Was 6802771 - A

37

HOSE NLA - 44''(1117,6mm)long - Order Ref. 53

38

6803062

BRACKET

39

6597184

FOAM

40

35C816

BOLT

41

30H35

CLAMP 10

42

6577822

HOSE bulk - sold per foot

43

6803976

STRIP rubber

44

HOSE NLA - 50.5'' (1282,7 mm) long - Order Ref. 48

45

SEAL NLA - 13.5'' (342.9 mm) long - Order Ref. 46

46

6667586

SEAL Bulk - Sold Per Foot

47

6587458

KEY code PK010

48

6578172

HOSE bulk - sold per foot

49

6800223

BRACKET fuel fill

50

37C620

BOLT

51

57D6

NUT 5

52

30H50

CLIP

53

6802748

HOSE bulk - 10 foot length

Выбрано товаров: 58