Запчасти Bobcat 900s DRIVE TRAIN DRIVE TRAIN

Схема запчастей Bobcat 900s - DRIVE TRAIN DRIVE TRAIN
FIT
1:1
100%

Артикул

Название

Примечание

Количество

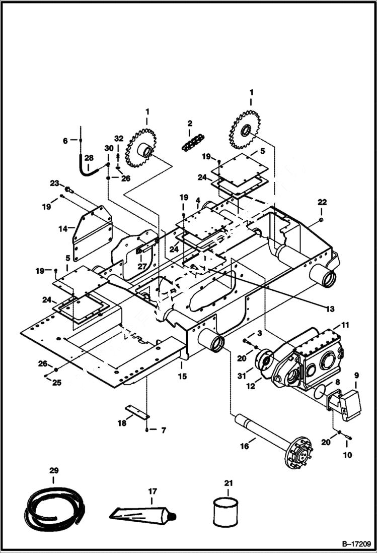
1

6565742

SPROCKET

2

6628103

CHAIN endless

3

17C860

BOLT

4

6804340

COVER center

5

6597759

COVER front

6

6680970

BREATHER breather 1/8'' thread - Was 6670627 - A

7

84G3712

BOLT 5

8

25K30500

O RING 10 Not used on some Gearboxes

9

6670817

MOTOR See Illustration HYDROSTATIC MOTOR/ B17212

10

93G828

BOLT

11

GEARBOX See Illustration GEARBOX/ E1624

12

6802321

O-RING

13

31C1224

BOLT

14

6803061

COVER

15

6597210

CHAINCASE

16

AXLE See Illustration AXLE/ D1699

17

6650388

SEALANT gearcase covers

18

6700182

COVER, DRAIN

19

84G3716

SCREW 5

20

6701097

WASHER

21

6632501

SEALANT Use to fill seam on top of chaincase

22

16F12

PLUG

23

31C1236

BOLT

24

6627897

GASKET

25

6599645

PLUG, STEEL

26

6553411

BUSHING

27

6803448

RETAINER

28

HOSE NLA - 16.5'' (419 mm) long - Order Ref. 29

29

6577822

HOSE bulk - sold per foot

30

6553412

ELBOW

31

BRAKE See Illustration DISC BRAKE/ B17222

32

6630488

BREATHER

Выбрано товаров: 32