Качественные детали и логистика
Оригинальные и аналоговые запчасти с доставкой по России, Казахстану и Беларуси
©2022 PartSell ООО "Система" ИНН 2463123282 ОГРН 1212400004838
Центральный офис: г. Красноярск, Академика Киренского, д.87, пом.4
Телефон: 8 (800) 777-65-74 Email: zakaz@partsell.ru
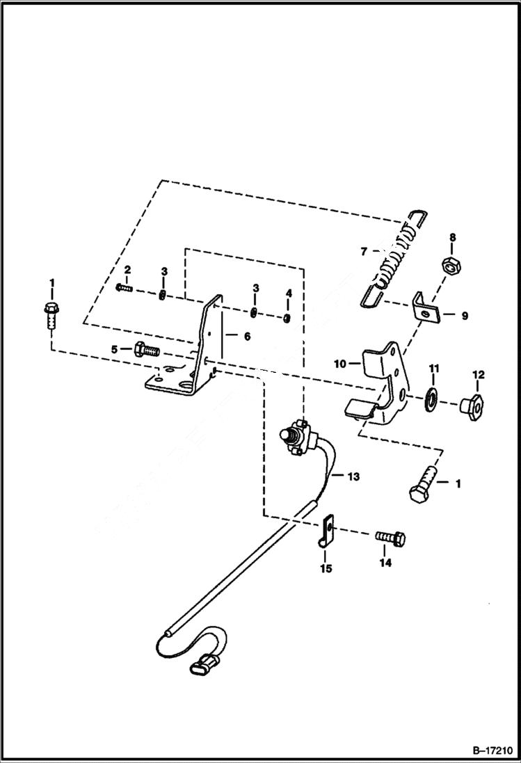
DISC BRAKE (S/N 562215999 & Below, 516515999 & Below)
№
Артикул
Название
Примечание
Количество
1
84G3712
BOLT 5
2
23G812
SCREW
3
25E8
WSHR
4
12D8
NUT
5
17C610
BOLT
6
6707313
PEDAL MOUNT
7
6585860
SPRING
8
95D6
9
6707315
ANGLE
10
6707314
PEDAL brake
11
6700170
WASHER plastic
12
6559479
13
6707337
SWITCH, LOCK TRACTION w/cover and connector
6664880
SWITCH
14
17C620
15
30H23
CLAMP
Выбрано товаров: 0